where is the passlock located ?

1999 CHEVROLET TAHOE
157,000 MILES
Avatar
HADENOUGH
  • MEMBER
  • 1 POST
where is the sensor for key pass-lock ...in the key tumbler or housing for key lock??? i'm trying to decide where all components for pass-lock security system are located to check connections before purchasing the bypass from new rockies. security light stays on all the time while driving now it wont start anymore, no codes with scanner! Thanks Paul.
Oct 20, 2011 at 8:18 PM
Repair Safety Notice: This information is for general instructional purposes only. Vehicle repair can be dangerous. Verify all information, follow manufacturer service procedures, use proper tools and safety equipment, and consult a qualified repair shop when needed.
Advertisement
Avatar
GMTECH
  • CAR REPAIR CONTRIBUTOR
  • 537 POSTS
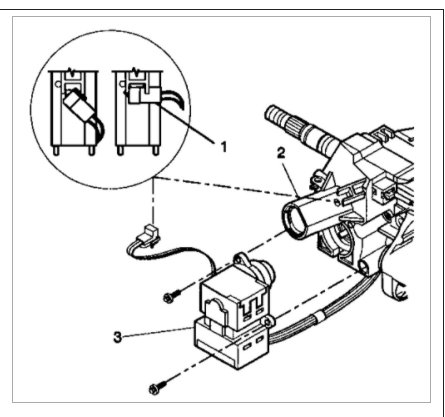
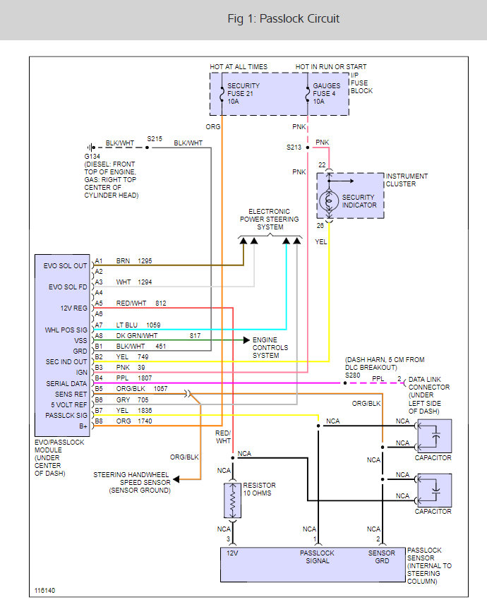
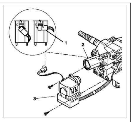
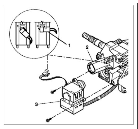
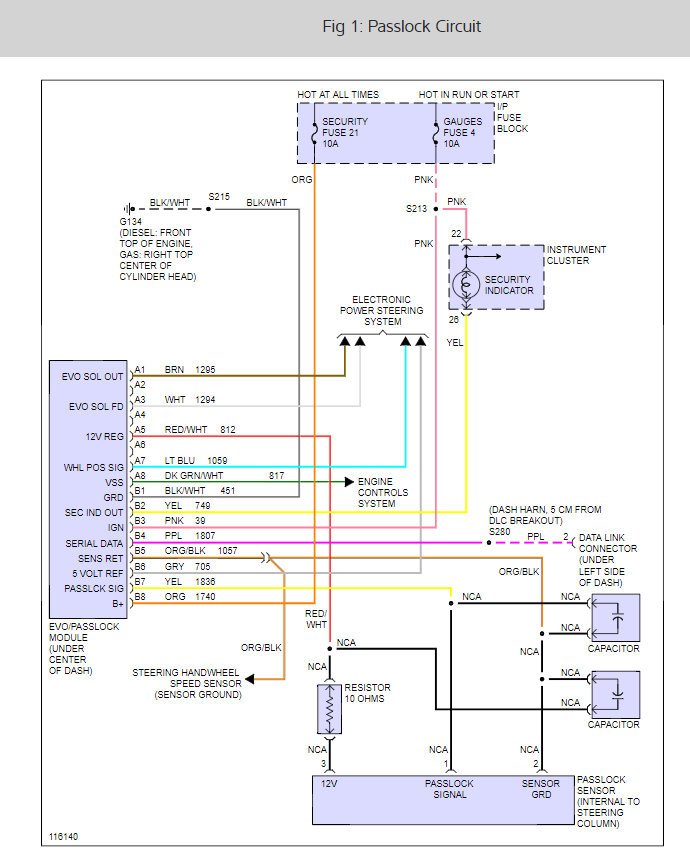
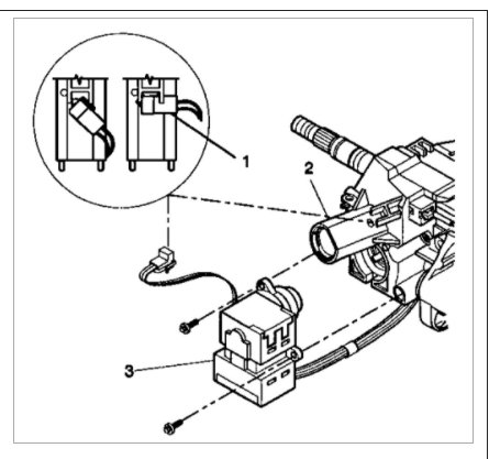
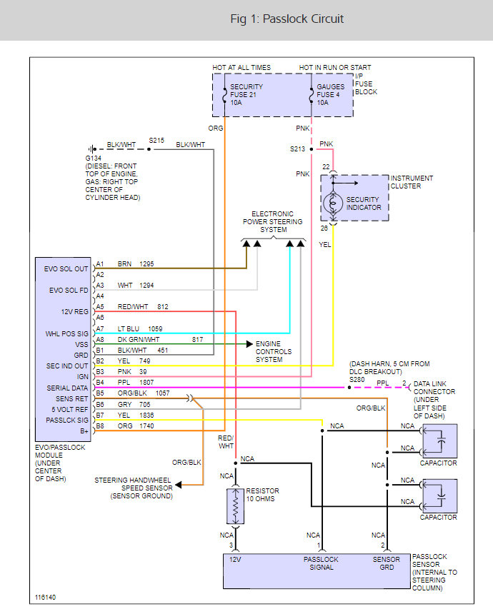
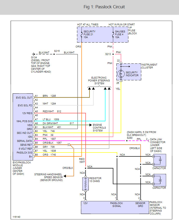
The pass-lock sensor is located within the ignition switch housing and the module is located below the radio cavity. The theft deterrent module is behind the ashtray/center console area. If the security light is on then there has to be a code or the data list can be checked to determine the issue. Here is a wiring diagram and a test guide (below)

Here are instruction on how to use the voltmeter for testing.

https://www.2carpros.com/articles/how-to-use-a-voltmeter

Please let us know what you find.

Cheers
Nov 7, 2011 at 6:52 PM
Advertisement
Avatar
BEANS4PREZ
  • MEMBER
  • 1 POST
Hi,

I would talk to your mechanic before going along with using New Rockies to bypass the VATS system. I was told by a mechanic I found off the New Rockies website, that the system does not work well, if at all really, on vehicles whose pass-lock sensor is not located within the BCM (body control module).

I have been dealing with this headache for months now. The pass-lock light would turn on while driving and occasionally prevent me from starting my vehicle. Chevrolet told me I needed a new pass-lock sensor and BCM. They also told me it would cost $1,050. With a little research and finding the right guy I managed to buy a new BCM for just under $200 and a mechanic to do the work for $150.

However, I had already had the ignition switch replaced and a new BCM installed and programmed and the pass-lock light still comes on while driving. The mechanic who did the work said to check it for codes again. I am all out of money, patience and ideas.
Dec 4, 2014 at 9:53 AM
Avatar
STRAILER
  • CAR REPAIR CONTRIBUTOR
  • 54,209 POSTS
Unfortunately the dealer or shop that has the capabilities will need to program the new or used VATS system.

Each unit must be set up to the key/car.

Hope this helps,

Cheers, Ken
Oct 2, 2017 at 4:54 PM