Monday, June 4th, 2012 AT 3:20 AM
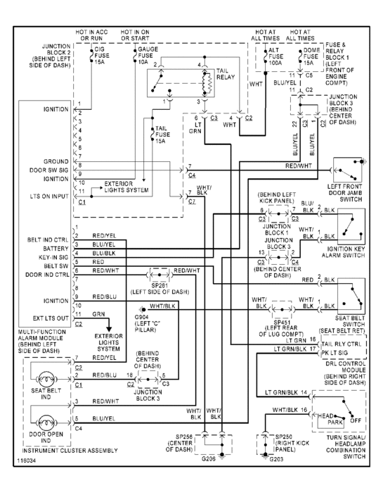
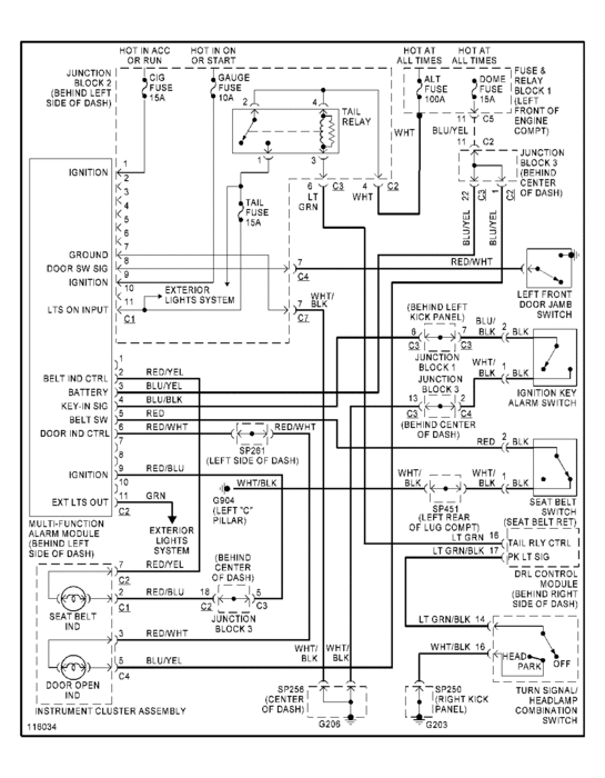
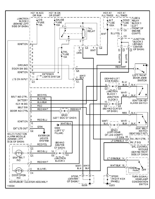
I drive a 1999 Chevrolet Prizm Base which I inherited from my grandma when she stopped driving 3 1/2 years ago. She bought the car new in 1999. Anyway, since I got the car, the seat belt light does not come on nor does the bell ring when I turn on the ignition. I took it to my mechanic, and he said that there was a short in the wiring in the gauge cluster. They determined this by removing one the working bulbs (ie. "Check Engine Light") and that light did not work either. However, today I noticed that there is no wire attached to the seat belt buckle. Both my mom's and brother's car, ( a 2003 Camry and 1999 Camry, respectively), have a wire that runs from the seat belt buckle to under the seat that I suppose connects to something under the seat that tells the car whether or not the seat belt is buckled. I figured that this could be the problem because the seat belt buckle in my car is practically the same as in my mom's and brother's cars because my car was made in the same factory as the Corolla. The seat belt buzzer and light work in my mom's and brother's cars. Could this be the problem, and if not could there be a short in the wiring like my mechanic said?




