Power Drain on 99 ETC

Tiny
99ETC
  • MEMBER
  • 1999 CADILLAC ELDORADO
  • V8
  • FWD
  • AUTOMATIC
  • 117,000 MILES
I have a 99 Eldorado ETC with 117k on it. I had the head gasket repaired and now I have a short. I replaced the alternator and battery, pulled fuses with 12v tester on neg terminal and bat, and I can't find it. The alt will not charge battery unless I run a wire directly from alt to bat, but I don't want a car fire. Lol. Any ideas how else to troubleshoot this thing?
Thursday, July 21st, 2011 AT 7:13 PM

19 Replies

Tiny
RIVERMIKERAT
  • MECHANIC
  • 6,110 POSTS
It sounds like the charge lead from the alternator is broken. Use a meter set to test resistance, remove the battery cables and find and fix the broken section of wire, or replace it once found.
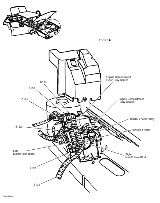
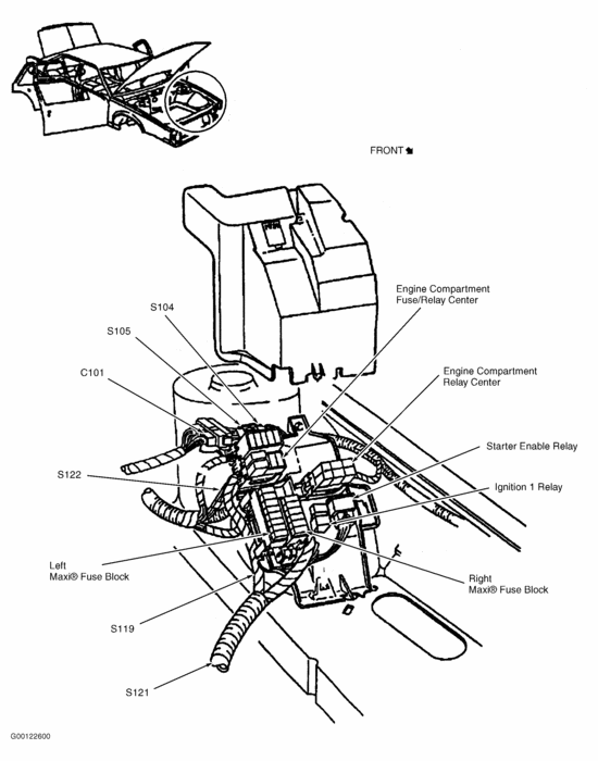
I've attached a picture showing the locations of the engine compartment circuit protection devices. You might check the labels for "fusible link". If one exists, replace it.
Was this
answer
helpful?
Yes
No
+2
Thursday, July 21st, 2011 AT 7:31 PM
Tiny
99ETC
  • MEMBER
  • 9 POSTS
There is a drain somewhere though. I have my 12v tester connected to neg terminal and ground to body with the positive terminal connected to batter, and the tester light comes on. The shop tells me that should be. I removed fuses one at a time and the tester light never shut off. I'll look into the charge lead, but I still have a short somewhere. Any ideas on how to narrow the search?
Was this
answer
helpful?
Yes
No
Thursday, July 21st, 2011 AT 7:37 PM
Tiny
RIVERMIKERAT
  • MECHANIC
  • 6,110 POSTS
Do you have a stereo with clock and presets? What about an alarm? To truly look for a short and to check battery drain, you'll need to rule those out by pulling their fuses. Otherwise, you'll have a minimal constant drain. What you need is a multimeter, with the ability to test current. Key off, remove fuses one at a time and insert the meter leads across the fuse terminals. The fuse where you have current draw is where your problem lies.
Was this
answer
helpful?
Yes
No
+1
Thursday, July 21st, 2011 AT 7:45 PM
Tiny
RIVERMIKERAT
  • MECHANIC
  • 6,110 POSTS
I would also recommend a Chilton or Haynes motor manual to help with the schematics usually found in the back.
Was this
answer
helpful?
Yes
No
+1
Thursday, July 21st, 2011 AT 7:45 PM
Tiny
99ETC
  • MEMBER
  • 9 POSTS
Thank you very much. I'll work on that.
Was this
answer
helpful?
Yes
No
Thursday, July 21st, 2011 AT 7:51 PM
Tiny
CADIEMAN
  • MECHANIC
  • 3,544 POSTS
Pull all fuses in the trunk. If still on go to the maxi fuse panel and pull all of them. Youll find it. Make sure the doors are closed when testing. The test light you have will do the job.
Was this
answer
helpful?
Yes
No
+1
Thursday, July 21st, 2011 AT 8:00 PM
Tiny
99ETC
  • MEMBER
  • 9 POSTS
Sweet! That will save me from the trip up to harbor freight for a multimeter. Thanks!
Was this
answer
helpful?
Yes
No
Thursday, July 21st, 2011 AT 8:03 PM
Tiny
99ETC
  • MEMBER
  • 9 POSTS
This is going to throw you. I pulled all fuses in trunk, and all fuses under hood including caps and plugs. I still get a faint light on my tester. Lol. Now what?
Was this
answer
helpful?
Yes
No
Thursday, July 21st, 2011 AT 8:33 PM
Tiny
WRENCHTECH
  • MECHANIC
  • 20,761 POSTS
I don't recommend using a test light to test for parasitic draw. That used to be fine on older vehicle because they either had a draw or they didn't but all today's vehicles have modules and timers that run for a certain period of time and there is always some degree of draw that is normal and supposed to be there. The test light cannot distinguish between acceptable amounts of draw and unacceptable amounts. Here is the procedure I recommend.

You will need a digital ammeter and a jumper wire with clips on the ends to do this.
First rig any door switches so you can have a door open without triggering the interior lights and unplug the hood light. Remove one battery cable and attach the meter in series between the battery cable and battery post. Take the jumper wire and also attach it the same way. Leave the jumper wire on for at least 10 minutes to expire all the automatic timers. Now remove the jumper wire and read the meter. Anything over 50ma is too much draw. The way you locate this is to start removing fuses one at a time until the meter drops to normal level. This will be the circuit with something staying on. Determine what components are part of that circuit and check them individually until the problem is isolated.
Was this
answer
helpful?
Yes
No
+1
Thursday, July 21st, 2011 AT 8:36 PM
Tiny
99ETC
  • MEMBER
  • 9 POSTS
Sounds good. Thank you again!
Was this
answer
helpful?
Yes
No
Thursday, July 21st, 2011 AT 8:39 PM
Tiny
99ETC
  • MEMBER
  • 9 POSTS
Do I still have all trunk fuses pulled when starting this procedure for under the hood?
Was this
answer
helpful?
Yes
No
Thursday, July 21st, 2011 AT 9:10 PM
Tiny
WRENCHTECH
  • MECHANIC
  • 20,761 POSTS
You can do it any any sequence you want. The idea is to determine which fuse stops the draw when pulled so I would remove one at a time until you find it. You may even find more than one draw. That's where the meter will be very helpful. You can immediately measure any effect removing a fuse has.
Was this
answer
helpful?
Yes
No
Thursday, July 21st, 2011 AT 9:14 PM
Tiny
CADIEMAN
  • MECHANIC
  • 3,544 POSTS
When your pulling fuses testing if you see the light go from bright to dim. You need to test that circut.50ma just lights the bulb. Thats why you should use the multimeter. To see if your over 50ma. Some common causes running antenna, running trunk pulldown motor, brake light switch sticking, vanity lights on. Gl
Was this
answer
helpful?
Yes
No
+1
Thursday, July 21st, 2011 AT 10:18 PM
Tiny
99ETC
  • MEMBER
  • 9 POSTS
You know, it might be my trunk motor running. I don't hear it running all the time, but that little spring is broken in the trunk and I have to manually switch it down to off or the latch keeps going up and down. I am going to start the process you mentioned above tomorrow. I want to get a plug for the neg terminal for easy attachment. Thank you again for all your wisdom!
Was this
answer
helpful?
Yes
No
Thursday, July 21st, 2011 AT 10:44 PM
Tiny
WRENCHTECH
  • MECHANIC
  • 20,761 POSTS
Be aware that you are talking to 3 different people here.
Was this
answer
helpful?
Yes
No
Thursday, July 21st, 2011 AT 10:49 PM
Tiny
CADIEMAN
  • MECHANIC
  • 3,544 POSTS
You need to replace the pulldown switch. If the switch isnt working properly. That will kill your battery fast. When you grab the pulldown motor and its hot thats the problem. Test this first.
Was this
answer
helpful?
Yes
No
+1
Thursday, July 21st, 2011 AT 11:00 PM
Tiny
RIVERMIKERAT
  • MECHANIC
  • 6,110 POSTS
Cadieman is right. If the pulldown motor is running constantly or drawing power constantly, it will heat up. Disconnect it and see if the draw decreases to manageable levels. That 50 ma number is debatable, depending on what extra "toys" have been installed. Clocks and stereo memory will draw at least 50 ma. If you have an alarm, there's another minimum 50 ma. If the stereo has an amp, that could have as much as a full amp of draw, even when turned off. Like Wrenchtech said, you need a meter.
Was this
answer
helpful?
Yes
No
Friday, July 22nd, 2011 AT 12:00 AM
Tiny
99ETC
  • MEMBER
  • 9 POSTS
I went through and tested all the fuses. Well, started with modules of fuses first to narrow and I found that it was when they installed my car stereo last year, they never put in that mod that takes the place of the factory sterio. They just jumped and hard wired from battery to fuses. They told me that it was for the antenna or something, but they lied. I'm replacing the factory stereo. The rest of the system sits at 17ma after the ten min. Thank you all for your help! =) We got it!
Was this
answer
helpful?
Yes
No
Monday, July 25th, 2011 AT 6:59 PM
Tiny
WRENCHTECH
  • MECHANIC
  • 20,761 POSTS
You're welcome. Glad to hear you found it.
Was this
answer
helpful?
Yes
No
Monday, July 25th, 2011 AT 7:03 PM

Please login or register to post a reply.