Gear lights on the dashboard stopped working?

Tiny
PETER NDARO
  • MEMBER
  • 1998 VOLKSWAGEN PASSAT
  • 1.8L
  • 4 CYL
  • TURBO
  • FWD
  • AUTOMATIC
The gear lights on the dashboard shade black all at the same time.
Friday, February 13th, 2015 AT 9:44 AM

2 Replies

Tiny
DR LOOT
  • MECHANIC
  • 2,311 POSTS
I'm sorry, are you trying to tell me that you dash lights don't work?
Was this
answer
helpful?
Yes
No
Saturday, February 14th, 2015 AT 6:36 AM
Tiny
KEN L
  • MASTER CERTIFIED MECHANIC
  • 55,488 POSTS
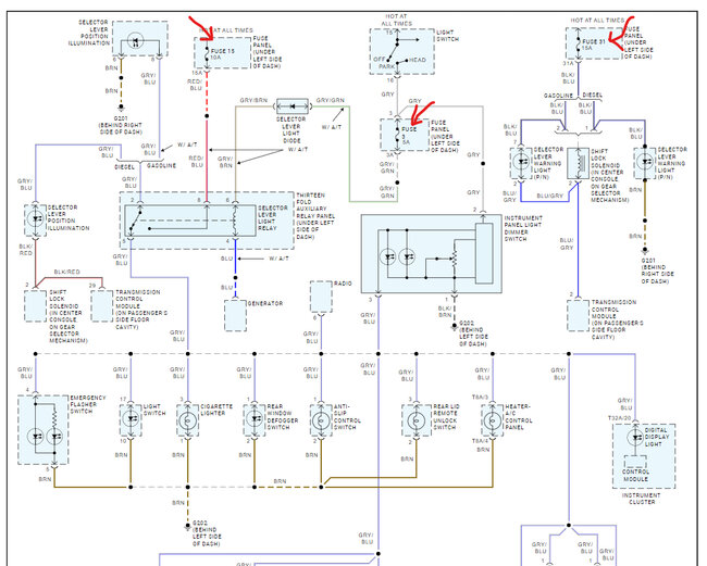
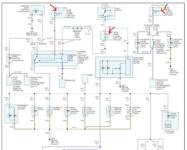
There are three fuses that run the system, fuse #3 15, and 31 in the fuse panel under the left side of the dash. Here is a guide that will help and the fuse locations in the images below.

https://www.2carpros.com/articles/how-to-check-a-car-fuse

Check out the images (below). Please let us know what happens.
Was this
answer
helpful?
Yes
No
Monday, July 1st, 2024 AT 5:00 PM

Please login or register to post a reply.