Headlights not working, how do you wire a new new socket?

Tiny
JUANITA
  • MEMBER
  • 1998 TOYOTA CAMRY
  • 4 CYL
  • 2WD
  • AUTOMATIC
  • 131,500 MILES
How do repair a wire to my right headlight? My bulb is good but I noticed the wire was different from the left one.
Monday, January 17th, 2011 AT 10:57 PM

1 Reply

Tiny
KASEKENNY
  • MECHANIC
  • 18,907 POSTS
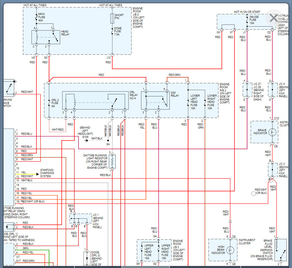
This is correct. The wiring for each headlight is a different color as they are separate circuits.

If you need to wire a new socket, here is an excellent video that will take you step by step on how to do that:

https://www.youtube.com/watch?v=PxA5wczsCVo

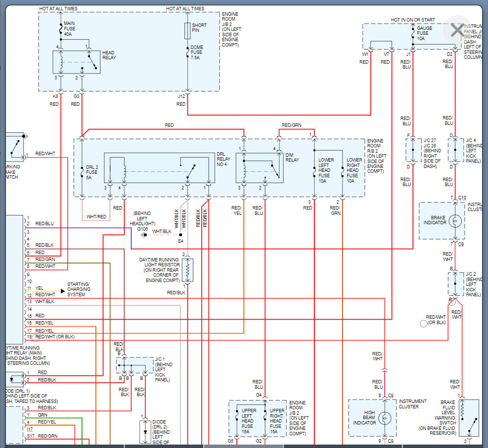
Below is a copy of the wiring diagram that will show these circuits which have separate wires. Please run through this info and let me know if you have other questions on this.

Thanks
Was this
answer
helpful?
Yes
No
Tuesday, July 27th, 2021 AT 4:36 PM

Please login or register to post a reply.