Hi guys,
I need some help. I believe I have some sort of wiring problem. So a little back ground.I have a 98 Pontiac Trans Am ( auto ) thats been converted to a M6 6sp ( I paid a shop to do the change) everything worked as it should. Now 3 yrs later my firewall cracked. The steering colum was removed to fix the firewall. Now I have the firewall is fixedly, car is running but. Now I have some issues and could use input.
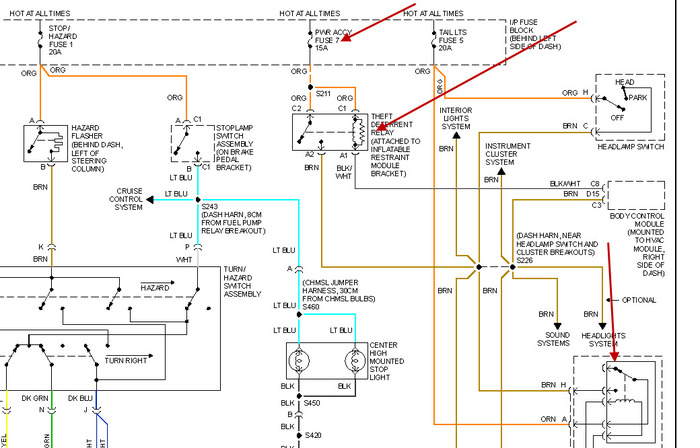
1. Rear turn signals work / not the front.
2. Hazard lights work in back/ not in front
3. Front park/ DRL do not come on until I turn on the head light switch to the park light position.
4. The low beam lights come on when I turn the head light switch to park light / my head light do not flip up, as they should not with the switch in the park light position. But my head lamps should not be on also.
5. The low beam light goes off when I switch on the high beam ( the lights are in the park light position )
6. Turn the switch to the light on position (thead lamps pop up ) as stated above the low beams are already on. Switch to high beams and there is no change. No high beams. The indicator light is on for high, but no light.
7. The front turn signal do not work ( only the rear ) the dash indicator light flashes as normal
8. The hazard light only work in the rear indicator light flashes as normal
So is there a way to check the DRL module?
So, anyone have any idea of what may be the problem?
Thx
Richard
Tuesday, April 24th, 2012 AT 6:11 PM




