Cooling fan problems

Tiny
MARLEY1969
  • MEMBER
  • 1998 PONTIAC BONNEVILLE
  • 2WD
  • AUTOMATIC
  • 125,000 MILES
I have a 1998 pontiac bonneville and the cooling fan will not stop running. How do I fix this problem?
Monday, February 21st, 2011 AT 7:26 PM

2 Replies

Tiny
JDL
  • MECHANIC
  • 16,098 POSTS
Pull the coolant fan fuse that should kill it. Any applicable trouble codes?
Was this
answer
helpful?
Yes
No
Monday, February 21st, 2011 AT 8:45 PM
Tiny
JDL
  • MECHANIC
  • 16,098 POSTS
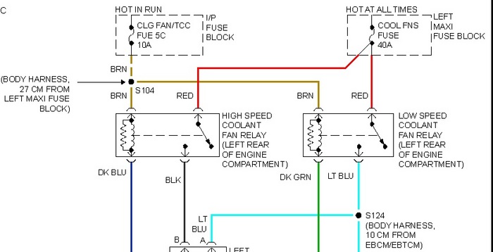
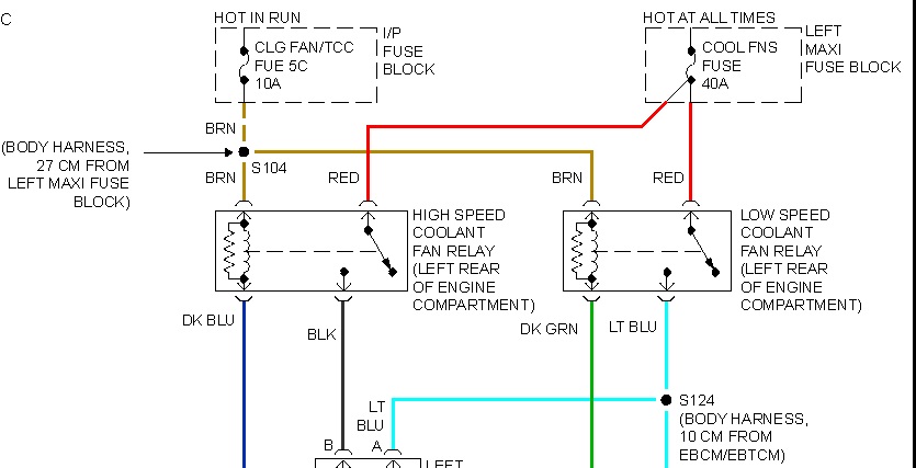
Just to add, in the diagram, the pcm controls the ground for the coil side of relay. If ac request, the fan may run? The coolant temp sensor could cause the fan to run?
Was this
answer
helpful?
Yes
No
Monday, February 21st, 2011 AT 8:49 PM

Please login or register to post a reply.