Tuesday, August 26th, 2014 AT 7:42 AM
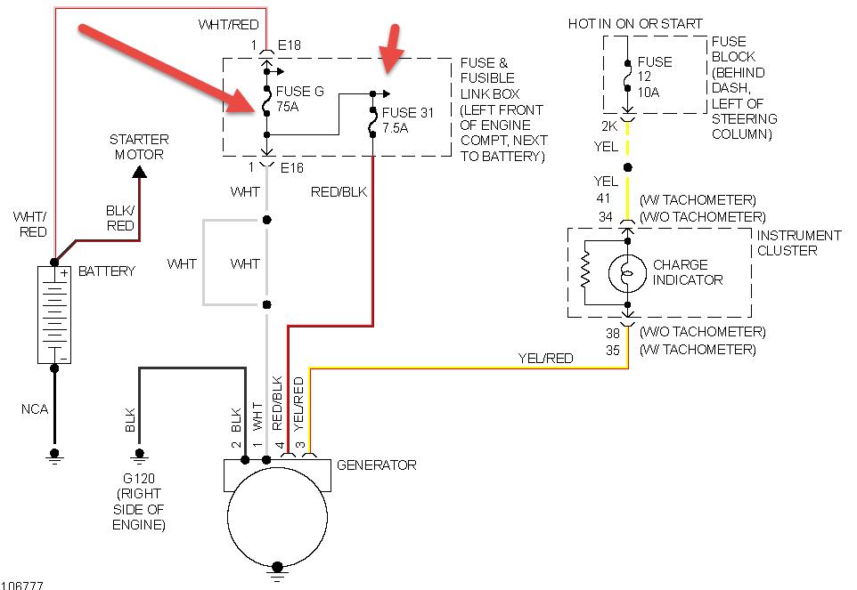
When I put the key in the ignition, turn it all the way forward but don't start it, all the lights on the dash light up strong, the stereo plays, everything is normal. With the engine off, I turn on the headlight brights on, all the lights on the dash dim, everything cuts out but there is still a little current flowing. When I try and start the car the starter slightly turns over but then cuts out immediately like there is too much power drawing or there is a bad ground. The battery is new and tested reading good, the ground is strong strong, the terminals are not corroded, fuses are ok. I'm wondering what it may be whether its a bad connection somewhere, bad wires, or maybe an easy fix. When I also try to jump start, it doesn't help.

