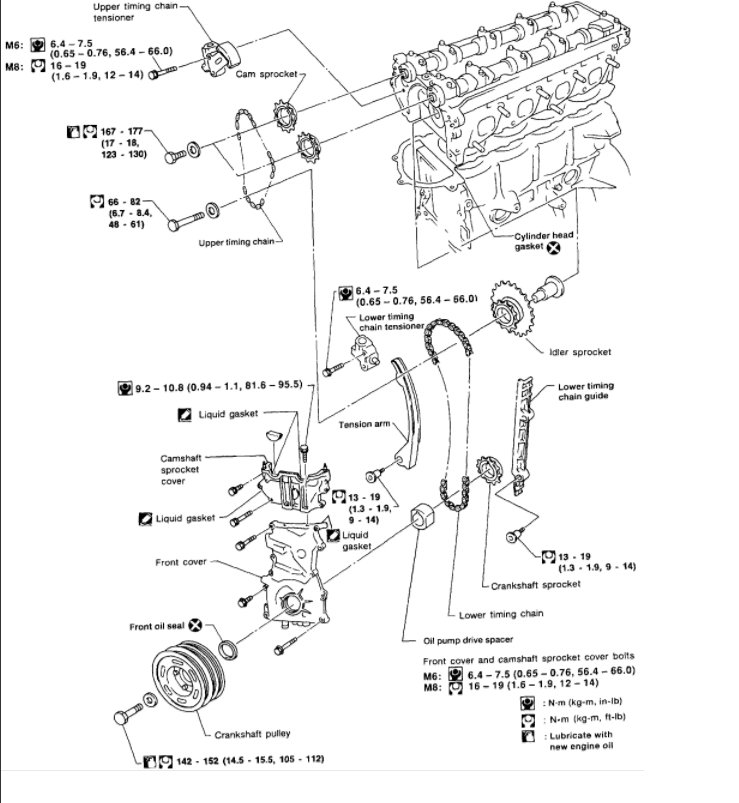
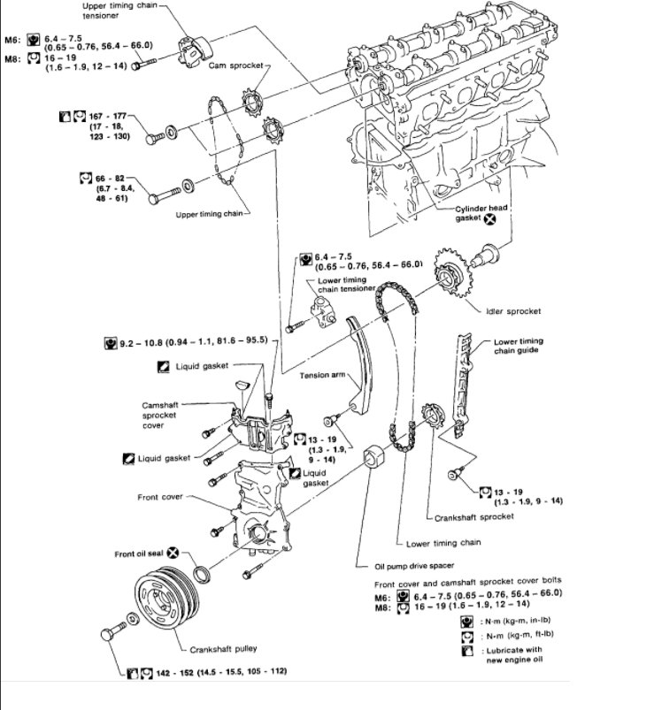
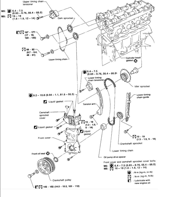
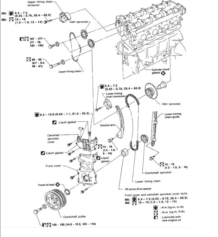
Timing chain marks

Tiny
LA GANZA
  • MEMBER
  • 1998 NISSAN ALTIMA
Four cylinder front wheel drive automatic.

I have the 2.4 engine. I need timing chain diagram or marks. Could you please show me a picture where the dowel pins in the right position for the chain to be applied? Thank you.
Wednesday, February 25th, 2009 AT 11:27 PM

13 Replies

Tiny
KEN L
  • MASTER CERTIFIED MECHANIC
  • 55,488 POSTS
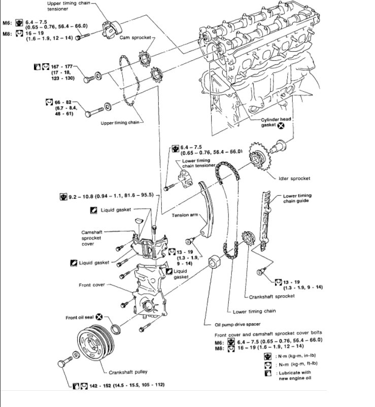
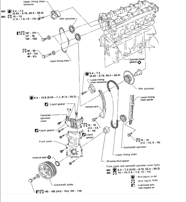
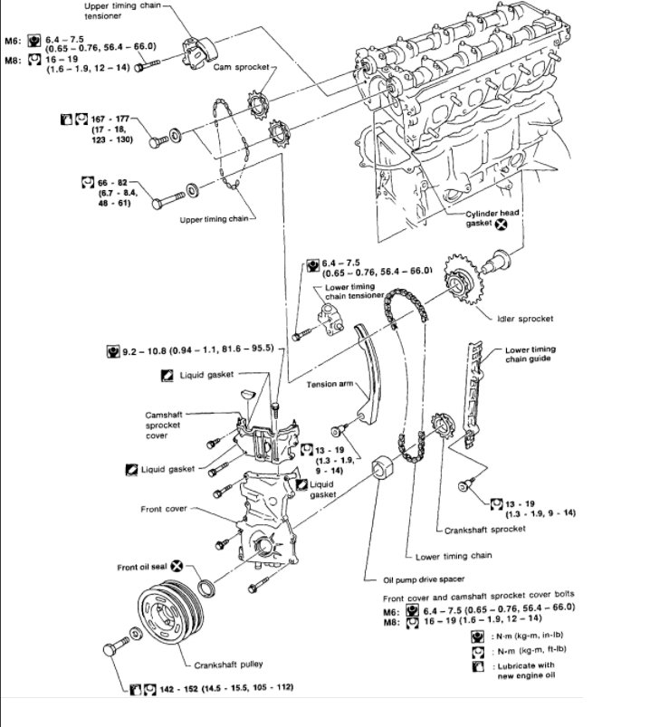
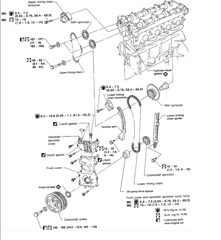
Hello, I have found both 4 and 6 cylinder timing chain diagrams for you just in case someone else wanted to see the other engine. Here are some I have others below:


https://www.2carpros.com/forum/automotive_pictures/61395_Graphic_105.jpg



https://www.2carpros.com/forum/automotive_pictures/61395_Graphic2_5.jpg



Check the diagrams (BELOW)

Please let us know if you need anything else to get the problem fixed.

Cheers, Ken
Was this
answer
helpful?
Yes
No
+6
Thursday, October 12th, 2017 AT 7:18 PM
Tiny
MIKEDEROUIN88
  • MEMBER
  • 137 POSTS
  • 1998 NISSAN ALTIMA
I need the torque specs and tightening sequence for head bolts and a timing chain diagram
Was this
answer
helpful?
Yes
No
+2
Thursday, October 12th, 2017 AT 7:19 PM (Merged)
Tiny
KHLOW2008
  • MECHANIC
  • 41,814 POSTS
There you go.
Was this
answer
helpful?
Yes
No
+12
Thursday, October 12th, 2017 AT 7:19 PM (Merged)
Tiny
CKITCHENS
  • MEMBER
  • 3 POSTS
  • 1999 NISSAN ALTIMA
  • 2.4L
  • 4 CYL
  • 2WD
  • 144,000 MILES
Lower timing chain broke. Replaced entire timing kit and head gasket. Engine fires and shudders for a second then just turns and doesn't run. Ignition is firing fuel injectors should be fine and we double checked timing marks. Not sure what else could be wrong.
Was this
answer
helpful?
Yes
No
+3
Thursday, October 12th, 2017 AT 7:20 PM (Merged)
Tiny
HMAC300
  • MECHANIC
  • 48,601 POSTS
If the chain broke while running it probably bent valves check compression it is an interference engine
Was this
answer
helpful?
Yes
No
+3
Thursday, October 12th, 2017 AT 7:20 PM (Merged)
Tiny
CKITCHENS
  • MEMBER
  • 3 POSTS
We checked compression and it varied between 60 and 90 in all cylinders
Was this
answer
helpful?
Yes
No
+2
Thursday, October 12th, 2017 AT 7:20 PM (Merged)
Tiny
HMAC300
  • MECHANIC
  • 48,601 POSTS
Ya should be minimum 105 on each. You probably bent valves like I said it's an interference engine and if it was running when it broke you bent valves or if not and you turned cams or engine over they got bent.
Was this
answer
helpful?
Yes
No
+3
Thursday, October 12th, 2017 AT 7:20 PM (Merged)
Tiny
CKITCHENS
  • MEMBER
  • 3 POSTS
That makes a little more sense. I don't really know this engine real well. Just trying to see if I could get it back running myself. If it is not too costly to replace valves I may just leave it to an expert. Thank you so much for taking your time to respond. Your info was very helpful.
Was this
answer
helpful?
Yes
No
+2
Thursday, October 12th, 2017 AT 7:20 PM (Merged)
Tiny
KEN L
  • MASTER CERTIFIED MECHANIC
  • 55,488 POSTS
Hey CKITCHENS,

I don't mean to jump in here but it sounds like the timing of the chain could be off because of the uniform low compression, usually it will have one or two low cylinders if damage has occurred. Can you recheck the marks?

I found these diagrams for you, please let us know how it goes
Was this
answer
helpful?
Yes
No
+5
Thursday, October 12th, 2017 AT 7:20 PM (Merged)
Tiny
ROBBS2541
  • MEMBER
  • 3 POSTS
  • 1999 NISSAN ALTIMA
Engine Mechanical problem
1999 Nissan Altima 4 cyl Front Wheel Drive Automatic

need the timing marks to align the timing chain tha someone else took off

updated 11/30/09
the cam gears are not marked that way on this vehicle there are 2 lines on each gear
Was this
answer
helpful?
Yes
No
-1
Thursday, October 12th, 2017 AT 7:20 PM (Merged)
Tiny
BLUELIGHTNIN6
  • MECHANIC
  • 16,542 POSTS


https://www.2carpros.com/forum/automotive_pictures/261618_Graphic_223.jpg



https://www.2carpros.com/forum/automotive_pictures/261618_Graphic2_25.jpg



https://www.2carpros.com/forum/automotive_pictures/261618_Graphic3_4.jpg

Was this
answer
helpful?
Yes
No
+6
Thursday, October 12th, 2017 AT 7:20 PM (Merged)
Tiny
TOMAS1988
  • MEMBER
  • 1 POST
  • 2000 NISSAN ALTIMA
  • 2.4L
  • 4 CYL
  • FWD
  • AUTOMATIC
  • 173,000 MILES
My timing component guides broke so I has to replace the oil pump because the chain ripped a hole in the pump cover and since the cover and pump are one assem. Just swapped it out along with new crankshaft idler and cam sprockets pensioners guides and chain. I lines up the timing chain marks with the sproket timeing marks. I have my plugs out. When I turn the motor with a ratchet from the crank bolt the motor turns clean. My question is should my timeing marks line up when the chain comes all the way around and it's back at tdc. Or do they only line up when u put it together the first time to set it a that's it?
Was this
answer
helpful?
Yes
No
Thursday, October 12th, 2017 AT 7:20 PM (Merged)
Tiny
CARADIODOC
  • MECHANIC
  • 34,489 POSTS
The timing marks had better line up at every second crankshaft rotation. That is how the valves stay in correct timing relationship to the movement of the pistons.
Was this
answer
helpful?
Yes
No
Thursday, October 12th, 2017 AT 7:20 PM (Merged)

Please login or register to post a reply.