Sunday, November 9th, 2014 AT 8:07 PM
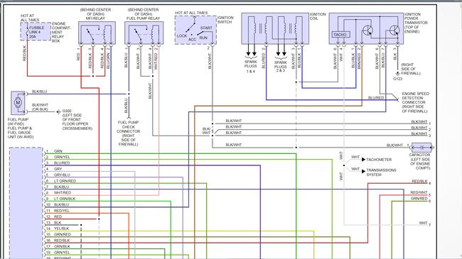
I just did a rebuild on my eclipse but I'm not getting any spark. Car ran but knocked when I pulled the engine, I installed new ngk platinum plugs, new msd coil pack, new msd 8.5mm wires. I have two 2 cam angle sensors both were installed still no spark. I read up on it and the car doesn't even need the cam angle sensor connected to start, I disconnected it still no spark, I tested the voltage and continuity of the connectors of the cas and the cps and all read normal. I read the voltage of the coil connector I only get 10v on the center connector but only while cranking, its suppose to have 12v when key is on and stay at 12v while cranking I don't get and voltage on connector 1 or 3 only on 2 the center one, I have no idea what is causing it

