Instrument illumination fuse keeps blowing out. How to fix it?

Tiny
VAS0_3
  • MEMBER
  • 1998 MERCURY VILLAGER
  • 103,000 MILES
Instrument illumination fuse keeps blowing out. Light bulbs are all ok. Switch seems to be ok as well and the speedometer cluster is fine too. I have narrowed it down to a purple/violet wire leading from the switch. But to where? I am stumped. Right now when you turn the switch the headlights come on but no instrument panel illumination. All other lighting such as heater/a/c controls, radio, etc all work. Please help.
Monday, September 26th, 2011 AT 7:13 PM

9 Replies

Tiny
CARADIODOC
  • MECHANIC
  • 34,481 POSTS
A simple trick to finding a short is to replace the blown fuse with a pair of spade terminals, then use small jumper wires to connect them to a 12 volt light bulb. A brake light bulb works well. When the circuit is live and the short is present, the bulb will be full brightness and hot so be sure it's not laying on the carpet or against a plastic door panel. Now you can unplug electrical connectors and move things around to see what makes the short go away. When it does, the bulb will get dim or go out.
Was this
answer
helpful?
Yes
No
Monday, September 26th, 2011 AT 8:33 PM
Tiny
VAS0_3
  • MEMBER
  • 4 POSTS
Ok. I haven't done it the way you suggested but a friend who is an electrician came over with a tester and tested everything and as I have mentioned in the previous thread, we have narrowed it down to the purple/violet wire which get into the big bundle of wires running behind the speedometer and disappearing somewhere into the depths of the dashboard. What I need is the schematics/diagram of the electrical system, I think. Do you know where I can get them free or dirt cheap? Or perhaps you might have some suggestions for following the purple wire, or might even know where it leads to? This has been a nightmare. I have never had such a ridiculous car problem before. I appreciate your help. Thanks.
Was this
answer
helpful?
Yes
No
Tuesday, September 27th, 2011 AT 11:14 AM
Tiny
CARADIODOC
  • MECHANIC
  • 34,481 POSTS
Nothing is easier than paging through a paper service manual. Unfortunately, I don't have one. I do have access to the Ford web site on a different computer but it isn't displaying properly. It also requires the vehicle ID number to be entered, which I don't have. I can't get into the service publications to look at the wiring diagrams.

Mitchell OnDemand isn't working either. Boy, I hate computers!

You might try visiting the dealer for a copy of the diagram you need. When I worked for a very nice Chrysler dealership, the service advisers were happy to dig up the proper service manual and make photocopies of a few pages for customers and other dealers, as long as those people were willing to wait until they weren't busy helping other people. Mid morning and mid afternoon were typically their slow times when they had a chance to catch up with paperwork and making phone calls. Visit them during those times, or leave a note listing the parts of the diagram you need, and stop back for it the next day.

You can also look for a nearby community college that has an Automotive program. They will have Ford EVTM, (Electrical, Vacuum Troubleshooting Manuals) in paper or on a computer disc. The paper manuals are real nice and easy to use.
Was this
answer
helpful?
Yes
No
Tuesday, September 27th, 2011 AT 6:22 PM
Tiny
CJ MEDEVAC
  • MECHANIC
  • 11,005 POSTS
DOC,

I CAN TRY MIT I, JUST ON THERE

AS CONFUSING AS IT IS FOR ME TO NAVIGATE, WHAT SPECIFIC DIAGRAMS/ SYSTEMS DO I NEED TO LOCATE? GAUGES/ ENGINE PERFORMANCE OTHER?

Vas0_3,

FROM KNOWING HOW IT WORKS,

I WILL NEED MORE SPECIFIC INFO ON YOUR VEHICLE

THERE MAY BE OVER A HUNDRED DIAGRAMS FOR YOUR VEHICLE!

LIKE (STUPID EXAMPLE) VILLAGER "GT" OR "LTD"

ENGINE SIZE, INCLUDING ANY SPECIFICS ON CAM OR FUELS

REALLY JUST ANYTHING TO GET THE CORRECT DIAGRAMS

THE MEDIC
Was this
answer
helpful?
Yes
No
Thursday, September 29th, 2011 AT 4:53 AM
Tiny
CARADIODOC
  • MECHANIC
  • 34,481 POSTS
Thanks CJ. Look for dash lights for a '98 Villager. Purple wire that will also feed the radio, heater controls, and anything else that has back-lights that turn on with the dash lights. Might be lights in the door panels too to light up power window switches, and a light for the cigarette lighter. Something on that purple wire is shorted to ground.
Was this
answer
helpful?
Yes
No
Thursday, September 29th, 2011 AT 7:59 AM
Tiny
CJ MEDEVAC
  • MECHANIC
  • 11,005 POSTS
"GS"--"LS"--"NAUTICA"?IS MY 1ST OBSTACLE, AS PREDICTED. SO I JUST WILD GUESSINGLY CHOSE "GS" SINCE I HAVE NO OTHER "CONFIRMED CORRECT" INFO FROM THE "CLIENT" YET. FROM MY "VAST" OLD JEEP AND OLD FORD EXPERIENCES."PURPLE WIRES" ARE MANY TIMES GO TO SENDING UNITS.I LOOK FOR THAT TOO DOC!

JUST FOUND 2 MORE OBSTACLES---

"AUTO LAMPS"

"HEADLAMPS W/ DRL". DAYLIGHT RUNNING LIGHTS

"HEADLAMPS W/O DRL". DITTO

"ANALOG CLUSTER". GAUGES

"ELECTRONIC CLUSTER"

"ANTITHEFT"

"NO ANTITHEFT"

"BASE RADIO"

"PREMIUM RADIO"

LAST TIME I SLUNG OUT A WHOLE BUNCH OF GUESSES, "CLIENT" WAS REALLY CONFUSED, READY TO SHOOT ME!

SO UNTIL I HEAR FURTHER, I'M STICKING WITH MY "GS" GUESS, AND JUST 2 DIAGRAMS. BOTH MAY BE WRONG FOR THE CORRECT APPLICATION ALSO!

SO HERE THEY IS!

WILL GO MORE IN DEPTH WITH CORRECT INFO

THE MEDIC

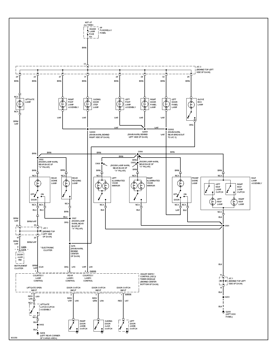
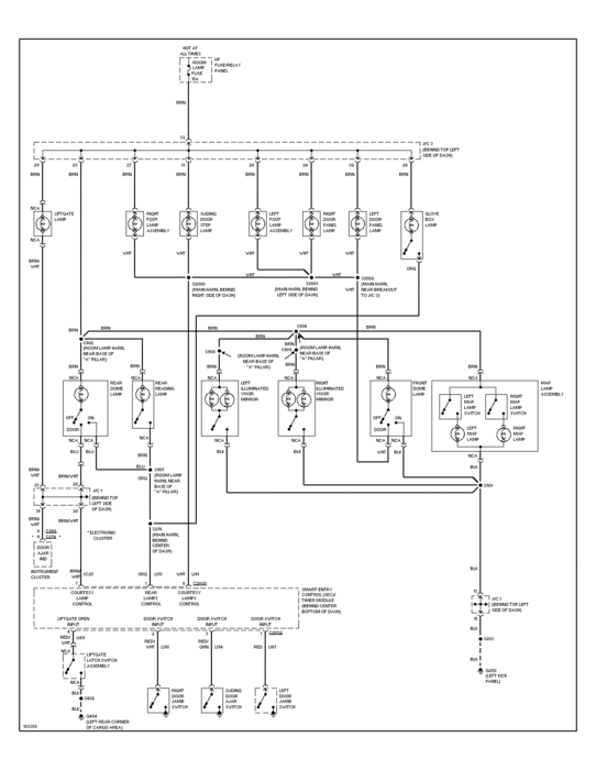
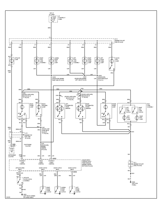
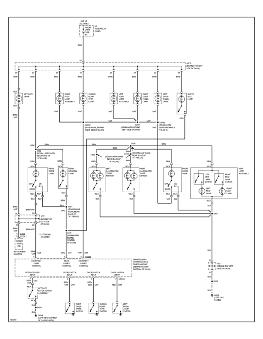
1ST "GS COURTESY LAMPS"

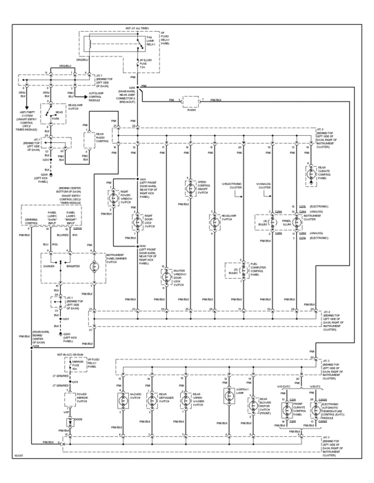
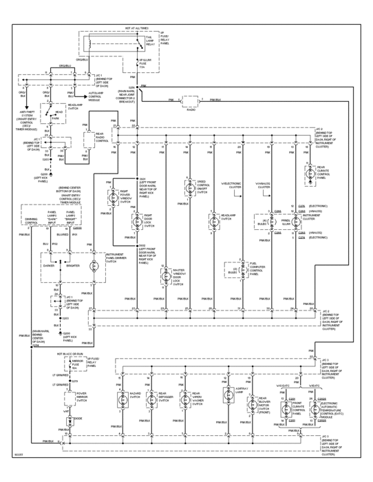
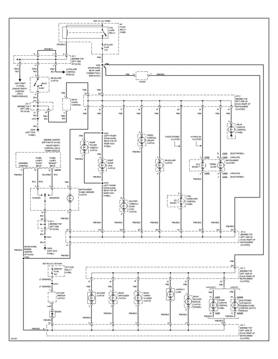
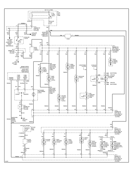
2ND "GS INSTRUMENT ILLUMINATION"
Was this
answer
helpful?
Yes
No
Thursday, September 29th, 2011 AT 1:40 PM
Tiny
VAS0_3
  • MEMBER
  • 4 POSTS
Hello All,

Thank you for all of your input. I fixed it! Without the diagrams though as I just found out you had listed them. The problem was in the radio! Unbelievable! I just bought this car and it already came with the aftermarket radio. Whoever had it before, had the radio wired incorrectly so it was shorting out the instrument panel illumination. Rewired it and I am ok now. Thank you again for all of your input. I will be sure to pass the word around about your website. By far this is the best resource I have found!

Now on to the new problem with my Villager GS. I have the check engine light on. Here is what I was told after a scan at Advance Auto: misfire in 5th cyl, rear oxygen sensor, and knock sensor. But a friend of mine who owns a mechanics garage scanned it and said the code he got was EVAP system.

Things that I have already replaced: plugs, wires, distributor cap, distributor rotor, fuel filter. Please help.
Was this
answer
helpful?
Yes
No
Friday, September 30th, 2011 AT 11:00 AM
Tiny
CJ MEDEVAC
  • MECHANIC
  • 11,005 POSTS
ALL-RIGHTY THEN!

YOU'VE COME TO THE RIGHT PLACE FOR EXPLANATIONS.I'M NOT YOUR GUY!

CARADIODOC CAN REALLY EXPLAIN THAT CODE STUFF! HE KNOWS THE NEW STUFF REALLY WELL, WHEREAS, I AM MORE MECHANICAL AND STUCK IN THE 80'S ON BACK (JEEPS AND FORDS)

NOW THEN, BEFORE TURNING IT BACK OVER TO HIM AND TO SAVE SOME TIME!

1ST CONGRATULATIONS ON YOUR DIY FIX! YIPPEEEEEEE!

2ND.C'MON NOW, YOU KNOW THOSE CODES DIDN'T SAY ALL THAT!

ADVANCE AUTO AND YOUR PAL SAID THAT!

DOC'S GONNA NEED THE ---EXACT CODE NUMBERS (AND MAYBE LETTERS)--- AND YOUR ENGINE SIZE (YOU ALREADY STATED "VILLAGER GS". IN ORDER FOR HIM TO ASSIST YOU. SORRY.'NOTHER TRIP TO ADVANCE MAY BE IN ORDER!

MY EXPERIENCE WITH MULTIPLE CODES (ON MY DAD'S OLD '86 T-BIRD, OBD I) WAS IF YOU FIX THE 1ST CODE SOMETIMES THE OTHERS, A RESULT OF THE 1ST, WILL GO AWAY. MAY NOT BE THE CASE W/ OBD II

MY WIFE'S FORD ESCAPE'S INTERMITTENT 2 MONTH LONG ANNOYING SKIP (NO CODES AT 1ST) TURNED OUT TO BE A COIL PACK AFTER SORTA BEING GUIDED BY SEVERAL OF THE GUYS HERE, ELIMINATING THE EZ POSSIBILITIES, AND HOLDING DOWN ON "NEW PART, TRIAL AND ERROR".I TOO WAS SATISFIED WITH THEIR ADVICE.I'M SURE IT WOULD HAVE COST MUCH, MUCH MORE AT A SHOP.I SORTA ATTRIBUTE THE "TRIAL AND ERROR (SORTA REALLY UN-NECESSARY) NEW STUFF" TOWARDS PREVENTATIVE MAINTENANCE, WHICH HURT NOTHING, HAS OVER 100K. I'F THE STUFF YOU ALREADY CHANGED WAS LONG OVER DUE, YOU MAY FEEL THE SAME WAY!

CODES #s? ENGINE SIZE.I SHUT MY TRAP NOW. ALL YOURS DOC!

THE MEDIC
Was this
answer
helpful?
Yes
No
Friday, September 30th, 2011 AT 1:21 PM
Tiny
VAS0_3
  • MEMBER
  • 4 POSTS
Ok, engine size is 3.0L V6. I will get the codes shortly, but in the meantime it does feel like something is amiss. Perhaps the misfire is correct since, while in continuous motion, vehicle yanks back as if it is struggling, then goes ok for 30 seconds or so then does it again and continues in this intermitant fashion the entire time while is driven. Idles fine though. Thnx again.
Was this
answer
helpful?
Yes
No
Friday, September 30th, 2011 AT 9:26 PM

Please login or register to post a reply.