1998 Mazda 2500 Anti-Lock Brake Light

Tiny
TJGLAKAS
  • MEMBER
  • 1998 MAZDA B2500
  • 4 CYL
  • 2WD
  • MANUAL
  • 127 MILES
I have a 1998 Mazda B2500 XLT 2WD. The anti-lock brake light stays on. I have replaced the rear speed sensor, but it didn't fix the problem. Are there other common sources for this condition?
Saturday, February 5th, 2011 AT 3:39 PM

16 Replies

Tiny
MERLIN2021
  • MECHANIC
  • 17,250 POSTS
There are many ABS codes, and to avoid throwing parts at it, have it scanned by any shop that can read "C" and "U" codes. A scan will pinpoint the bad part(s).
Was this
answer
helpful?
Yes
No
Saturday, February 5th, 2011 AT 3:42 PM
Tiny
TJGLAKAS
  • MEMBER
  • 9 POSTS
Thanks - I'm not one to troubleshoot by replacing parts, but this was a quick and easy (and inexpensive) swap out. I took it to one shop to read the code and they said nothing came up. My understanding is that there is only one speed sensor. Is this correct?
Was this
answer
helpful?
Yes
No
+3
Saturday, February 5th, 2011 AT 3:54 PM
Tiny
MERLIN2021
  • MECHANIC
  • 17,250 POSTS
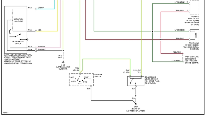
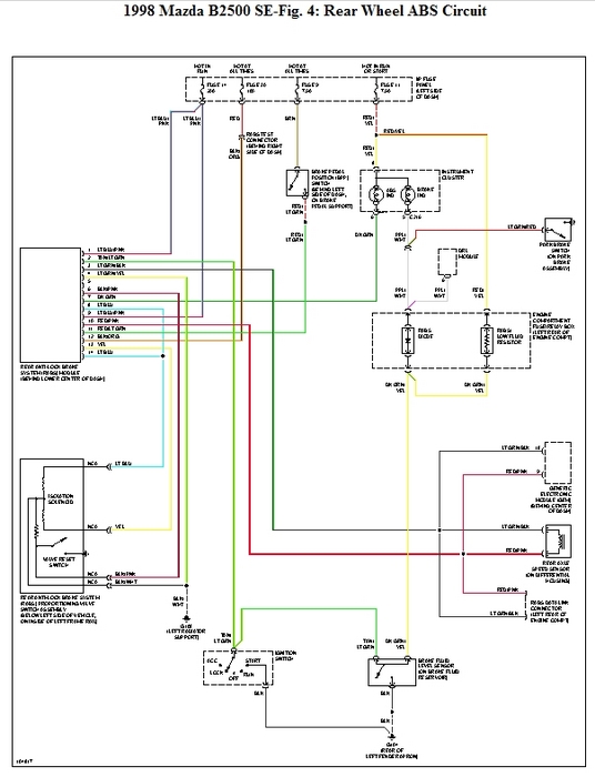
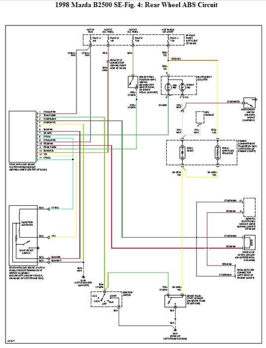
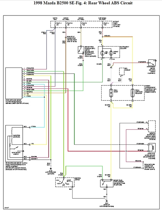
There are two systems for this truck, two wheel and four wheel ABS it sounds like you have a power supply to the ABS unit problem, when the power is interupted, the yellow abs light comes on, but no codes are stored, chech fuses for abs and wiring harness that powers the abs mod, here are the part locations.
By the book:
RABS Self-Test Capability
RABS module performs a system test during start-up and normal operation. Red BRAKE warning
light indicates low fluid level or parking brake applied. If a problem is detected, the module will be
deactivated and a Yellow ABS warning light will be illuminated. Both warning lights should
illuminate for about 2 seconds when ignition is turned on or when cranking engine.
When Yellow ABS warning light illuminates during normal operation, the system has detected a
problem and stored a Diagnostic Trouble Code (DTC). Loss of power to module will cause system to
be deactivated and Yellow ABS warning light to be illuminated, but will not set a DTC.
Was this
answer
helpful?
Yes
No
+2
Saturday, February 5th, 2011 AT 4:56 PM
Tiny
MERLIN2021
  • MECHANIC
  • 17,250 POSTS
You could also just be low on brake fluid!
Was this
answer
helpful?
Yes
No
Saturday, February 5th, 2011 AT 4:57 PM
Tiny
TJGLAKAS
  • MEMBER
  • 9 POSTS
Thanks - let me look into that.
Was this
answer
helpful?
Yes
No
Saturday, February 5th, 2011 AT 6:58 PM
Tiny
TJGLAKAS
  • MEMBER
  • 9 POSTS
Good on brake fluid, fuses, diode, and resistor good. Reseated connectors on all components. Everything works as advertised (abs/brake lights on 2 sec then off) when starting. ABS light comes on at 12-15 MPH. Your table above says the ABS diagnostic connector is behind the RH dash, though I don't see it. Maybe the shop tried to pull the code from teh engine diagnostic plug in error.
Was this
answer
helpful?
Yes
No
Saturday, February 5th, 2011 AT 8:10 PM
Tiny
MERLIN2021
  • MECHANIC
  • 17,250 POSTS
Are you sure yours is two wheel ABS?
Test this way:
YELLOW ABS WARNING LIGHT SELF-CHECKS OKAY, BUT AUTOMATICALLY
BEGINS FLASHING

1. Observe ABS Warning Light For Flash Sequence - Turn ignition on. Observe Yellow ABS
warning light. If Yellow ABS warning light flashes a DTC sequence, note DTC and go to next
step. If Yellow ABS warning light flashes, but does not indicate a DTC, go to step 4).
2. Check Voltage To RABS Module - Turn ignition off. Disconnect 14-pin RABS module
connector. Turn ignition on. Using DVOM, check voltage between RABS module connector
terminal No. 12 (Black/Orange wire) and ground while wiggling wiring harness. See WIRING
DIAGRAMS. If voltage is greater than 10 volts, go to next step. If voltage is not greater than
10 volts, repair Black/Orange wire or Red wire between RABS module and fuse panel.
Perform appropriate test for DTC retrieved.
3. Check RABS Module Ground - Turn ignition off. Using DVOM, check resistance between
RABS module connector terminal No. 4 (Light Green/Yellow wire) and ground while wiggling
wiring harness. See WIRING DIAGRAMS. If resistance is less than 5 ohms, replace RABS
module. Recheck system operation. If resistance is not less than 5 ohms, repair Light
Green/Yellow wire and/or Black/Light Blue wire between RABS module and ground
connection. Recheck system operation.
4. Check Voltage To RABS Module - Turn ignition off. Disconnect 14-pin RABS module
connector. Turn ignition on. Using DVOM, check voltage between RABS module connector
terminal No. 1 (Light Blue/Pink wire) and ground. See WIRING DIAGRAMS. Using
DVOM, check voltage between RABS module connector terminal No. 9 (Light Blue/Pink
wire) and ground. If voltage is greater than 10 volts, replace RABS module. Recheck system
operation. If voltage is not greater than 10 volts, repair Light Blue/Pink wire between RABS
module and fuse panel.
YELLOW ABS WARNING LIGHT SELF-CHECKS, BUT NO DTCS ARE RETRIEVED
WHEN DIAGNOSTICS ARE STARTED

1. Check Brown Wire Circuit For Open - Disconnect Brake Pedal Position (BPP) switch
connector. Turn ignition on. Using DVOM, check voltage between BPP switch connector
terminal No. 3 (Brown wire) and ground. See WIRING DIAGRAMS. If voltage is greater
than 10 volts, go to next step. If voltage is not greater than 10 volts, repair Brown wire between
BPP switch and instrument panel fuse panel. Recheck system operation.
2. Check Brake Pedal Position (BPP) Switch Input To RABS Module - Turn ignition off.
Disconnect 14-pin RABS module connector. Depress brake pedal. Using DVOM, check
voltage between RABS module connector terminal No. 11 (Red/Light Green wire) and ground.
See WIRING DIAGRAMS. If voltage is greater than 10 volts, go to next step. If voltage is
not greater than 10 volts, repair Red/Light Green wire between RABS module and BPP switch.
Recheck system operation.
3. Check Voltage To RABS Module - Turn ignition on. Using DVOM, check voltage between
RABS module connector terminal No. 1 (Light Blue/Pink wire) and ground. See WIRING
DIAGRAMS. Using DVOM, check voltage between RABS module connector terminal No. 9
(Light Blue/Pink wire) and ground. If voltage is greater than 10 volts, go to next step. If
NOTE:
DTC will appear as one or more short pulses followed by one long
pulse.
Voltage is not greater than 10 volts, repair Light Blue/Pink wire between RABS module and
instrument panel fuse panel. Recheck system operation.
4. Check Keep Alive Memory (KAM) Power Circuit - Turn ignition off. Disconnect RABS
diagnostic connector. Using DVOM, check resistance between RABS module connector
terminal No. 12 (Black/Orange wire) and RABS diagnostic connector Black/Orange wire
terminal. See WIRING DIAGRAMS. If resistance is less than 5 ohms, replace RABS
module. Recheck system operation. If resistance is not less than 5 ohms, repair Black/Orange
wire between RABS module and RABS diagnostic connector. Recheck system operation.
Was this
answer
helpful?
Yes
No
+1
Monday, February 7th, 2011 AT 10:33 PM
Tiny
TJGLAKAS
  • MEMBER
  • 9 POSTS
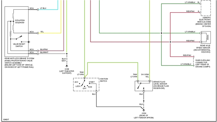
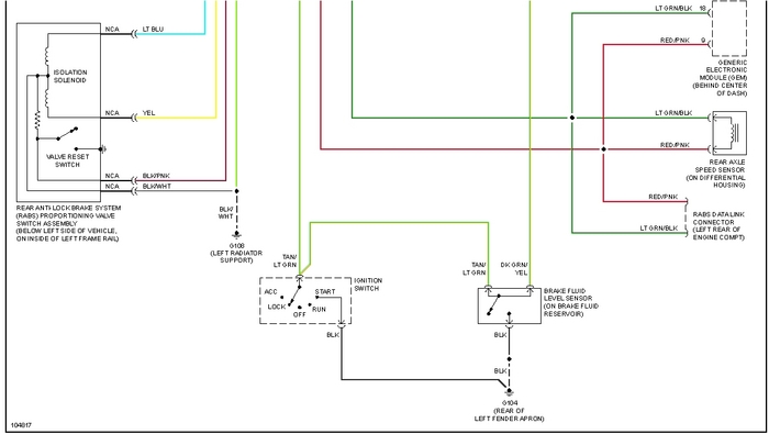
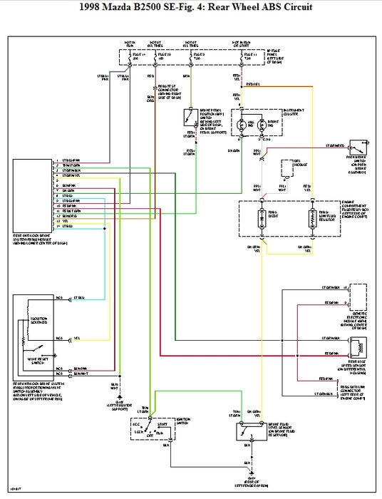
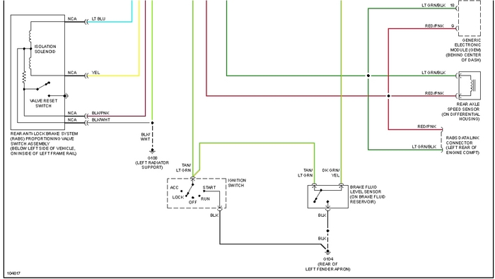
Thanks Merlin will run through this and see what I come up with. I'm sure it's RABS and not 4-wheel. Seems like it's not getting speed input from either the speedo or rear speed sensor, as the light goes off on engine start, but comes on consistently at 12 MPH. Where can I get wiring diagrams for the RABS?
Was this
answer
helpful?
Yes
No
+2
Saturday, February 12th, 2011 AT 2:22 PM
Tiny
MERLIN2021
  • MECHANIC
  • 17,250 POSTS
Rightr here
Was this
answer
helpful?
Yes
No
Sunday, February 13th, 2011 AT 2:25 PM
Tiny
TJGLAKAS
  • MEMBER
  • 9 POSTS
This is great! Thanks very much!
Was this
answer
helpful?
Yes
No
Sunday, February 13th, 2011 AT 3:18 PM
Tiny
TJGLAKAS
  • MEMBER
  • 9 POSTS
Hat to be picky, but you wouldn't have anything with a higher resolution by any chance would you? These are pretty tough to read.
Was this
answer
helpful?
Yes
No
Sunday, February 13th, 2011 AT 3:42 PM
Tiny
TJGLAKAS
  • MEMBER
  • 9 POSTS
Nevermind - I see what you sent. The 2 others are blown up adequately. Thanks again.
Was this
answer
helpful?
Yes
No
Sunday, February 13th, 2011 AT 3:48 PM
Tiny
MERLIN2021
  • MECHANIC
  • 17,250 POSTS
Anything else you need, ask!
Was this
answer
helpful?
Yes
No
Sunday, February 13th, 2011 AT 5:32 PM
Tiny
TJGLAKAS
  • MEMBER
  • 9 POSTS
Well - it turned out to be a bad brake position switch. Brake lights worked fine, but the other pole that provided 12 volt logic to the RABS module was always open. Replaced the switch and all works as it should. Thanks again for your help.
Was this
answer
helpful?
Yes
No
+1
Thursday, February 24th, 2011 AT 3:03 AM
Tiny
MERLIN2021
  • MECHANIC
  • 17,250 POSTS
No problem!
Was this
answer
helpful?
Yes
No
Thursday, February 24th, 2011 AT 9:37 AM
Tiny
VANS99B2500
  • MEMBER
  • 1 POST
1999 Mazda B-2500 2.5L SE RWD

I had same issue,

ABS light came on out of nowhere, never blinked and could not get ABS Light to flash any Code.
Finally found 2 Culprits, ABS Module behind dash had less than 5 Ohms, replaced with used module, ABS Light now off.
Couldn't get the ABS Light to Flash any Codes using the KAM Blk/ Org wire by grounding out. Had previously purchased a New Brake Pedal Position Switch that was Faulty, Reinstalled old BPPS, grounded KAM Wire and BAMM! Coded 16 Flashes! (RABS SYSTEM OK)All Good to go!

Local shop I took it to said it was probably the RABS Valve located on Driver Side wheel well, Not! Apparently, their Ford Mechanic was not well versed on checking system components, but I did get a $145.00 bill just for them to look at it and to install a rear sensor that didn't need replacement.

Thanks, Merlin2021, the Schematics helped me diagnose and eliminate the issues in less than an hour!

Van
Was this
answer
helpful?
Yes
No
Friday, October 1st, 2021 AT 5:08 AM

Please login or register to post a reply.