How to bypass a Mazda 626 1998 model immorbalizer

Tiny
AVD
  • MEMBER
  • 1998 MAZDA 626
  • 107,846 MILES
Lost the real key for the vehicle got 1 but doe's not work and also don't know where the security light is. And could you describ or show what is an immorbalizer.
Tuesday, February 28th, 2012 AT 3:15 AM

4 Replies

Tiny
DRCRANKNWRENCH
  • MECHANIC
  • 3,380 POSTS
I have attached 5 pages with the entire Immoblizer resets and steering lock depending on how many ORIGINAL keys you have. It also has steps for when you don't have one, but be ready to pay a lot to have them programmed. I highly reccomend getting a bunch of keys and Electronic Fobs/Transmitters as they are cheap on EBAY in quantity and the dealer will charge one price no matter how many you program. So, you should get as many as possible when you have them flashed.
Also attached is FIG2 refered to in the intstructions.
Was this
answer
helpful?
Yes
No
+3
Tuesday, February 28th, 2012 AT 7:56 PM
Tiny
AVD
  • MEMBER
  • 2 POSTS
Thanks for your reply just need more details where can I fine the security light and the immobilizer and if possible can you show want they look like or give me a dirgram thank will await for your reply
Was this
answer
helpful?
Yes
No
+3
Saturday, March 3rd, 2012 AT 12:13 AM
Tiny
DRCRANKNWRENCH
  • MECHANIC
  • 3,380 POSTS
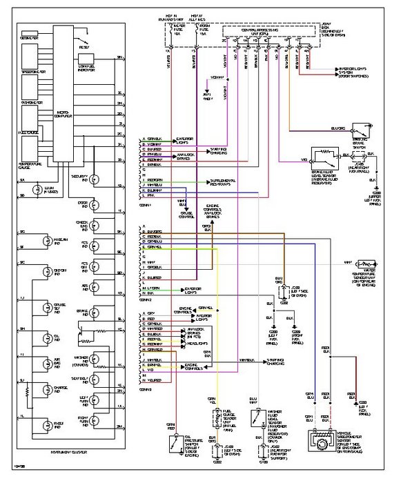
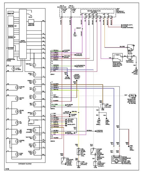
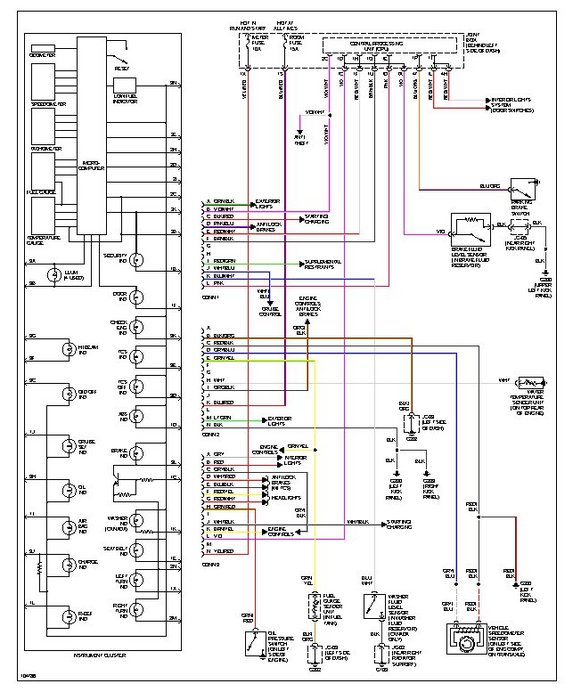
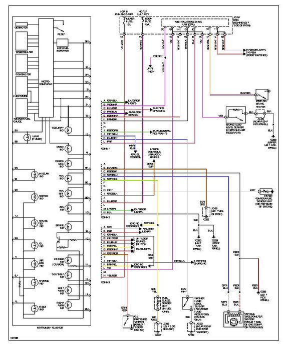
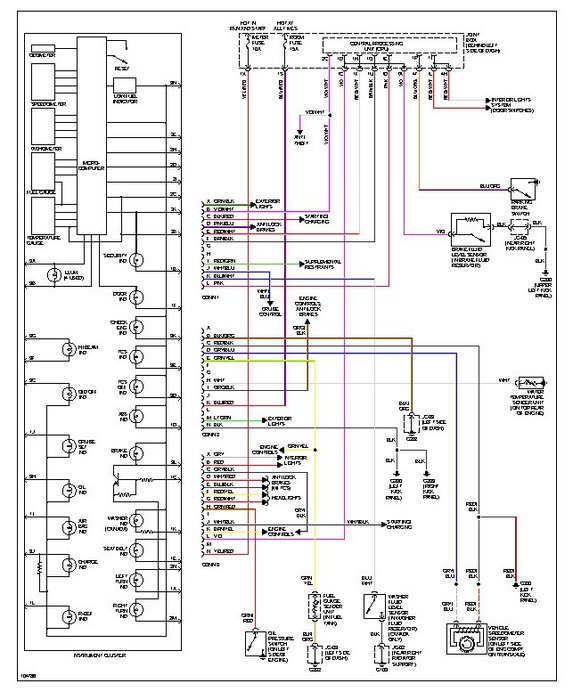
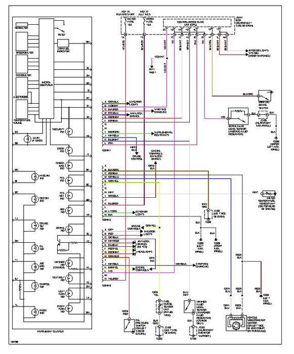
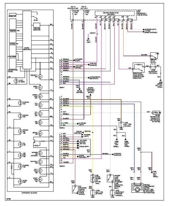
Okay, I am attaching the instructions to get to the security light in the instrument cluster as well as the wiring diagram. The secuirty light is denoted as, "SECURITY IND" ON WIRNG DIAGRAM.
THEN I ATTACHED A DAIGRAM WITH IMMOBILIZER LOCATION. IT IS DENOTED AS #10 IN DIAGRAM. IT IS BEHIND THE LEFT SIDE OF DASH NEAR KOINT BOX. Sorry I left Caps Lock on.

Take care.
Was this
answer
helpful?
Yes
No
+1
Saturday, March 3rd, 2012 AT 4:02 AM
Tiny
DRCRANKNWRENCH
  • MECHANIC
  • 3,380 POSTS
Sorry, forgot to attach files.
Was this
answer
helpful?
Yes
No
+2
Saturday, March 3rd, 2012 AT 4:04 AM

Please login or register to post a reply.