Tuesday, August 2nd, 2011 AT 4:58 AM
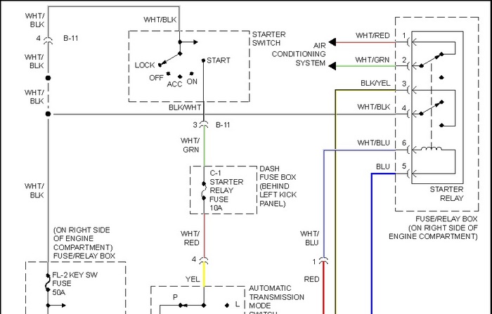
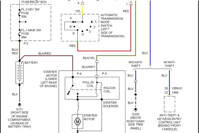
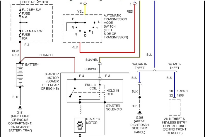
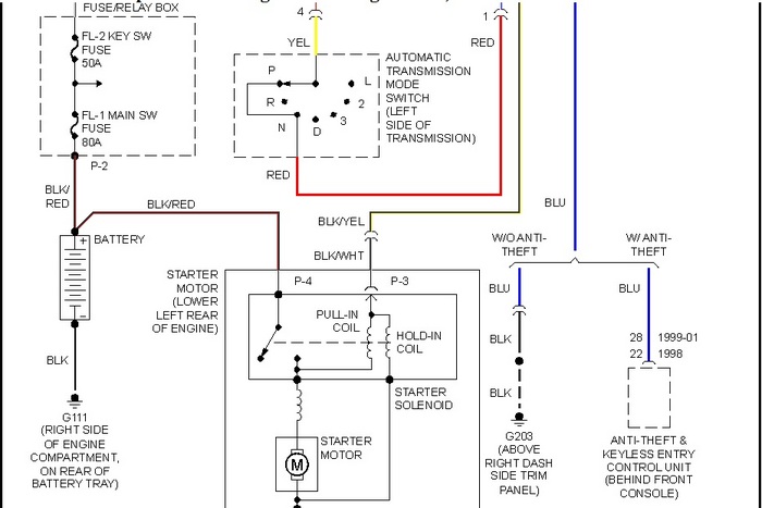
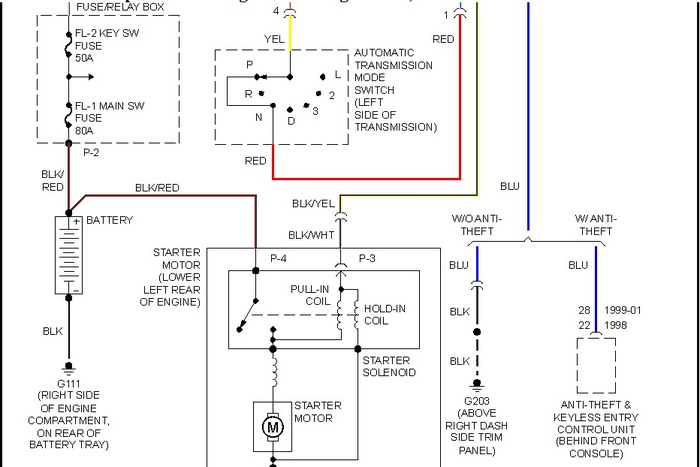
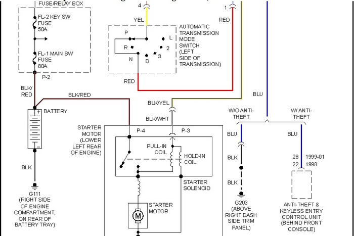
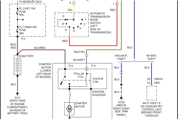
1998 Isuzu Trooper. All of the sudden it wouldn't start. Tested battery and replaced it because it was bad. Corrosion on terminals. Cleaned now. Still wouldn't start. Had someone go under and unplug starter wires, and clean them off and it started. No problems for a week, then got stranded again. Same person went under and "jump started it" from the starter underneath. Since it has always jumped from the starter, I am assuming I do not need the whole starter kit? Is there a way to check the relay? Solenoid? Thanks!




