Fuel

Tiny
KEN COU
  • MEMBER
  • 1998 GMC SIERRA
  • V8
  • AUTOMATIC
  • 180,000 MILES
My 1998 gmc seaira truck will not start its not getting fuel to the moter
Monday, March 21st, 2011 AT 3:42 PM

2 Replies

Tiny
FIXITMR
  • MECHANIC
  • 9,990 POSTS
So you dont hear pump run when you turn key to on? No security problem is there?
Was this
answer
helpful?
Yes
No
Monday, March 21st, 2011 AT 3:46 PM
Tiny
JDL
  • MECHANIC
  • 16,098 POSTS
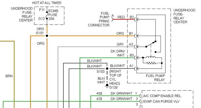
Check the ecm B fuse, use a voltage tester on circuit. Check fuel pump connector for voltage and ground, engine cranking, Gray wire is voltage, black wire is ground.
Was this
answer
helpful?
Yes
No
Monday, March 21st, 2011 AT 3:51 PM

Please login or register to post a reply.