1998 Ford Windstar Lights

Tiny
RETIREDPOPS
  • MEMBER
  • 1998 FORD WINDSTAR
  • 150,000 MILES
I have a 98 Cargo Van (Big box on back). Put it up for sale and was informed I had no lights on the rear end at all. Was working a week before and now nothing. This unit uses the lights similar to what is used on a trailer. 4"x4" with tail stop turn and backup lights. There is a connector behind the drivers seat that goes to the back but am not able to get any voltage on the pins.
Fuses are good, bulbs are good. What am I looking for? Thanks for the help Bill
Monday, August 12th, 2013 AT 7:04 PM

1 Reply

Tiny
CJ MEDEVAC
  • MECHANIC
  • 11,005 POSTS
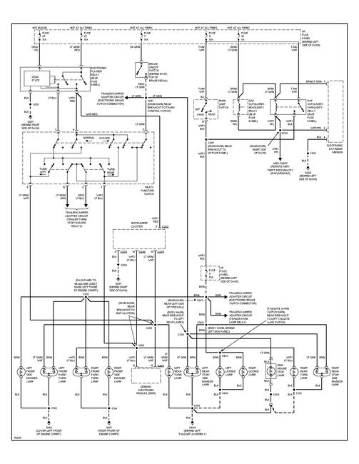
I GUESSED "WINDSTAR LX"

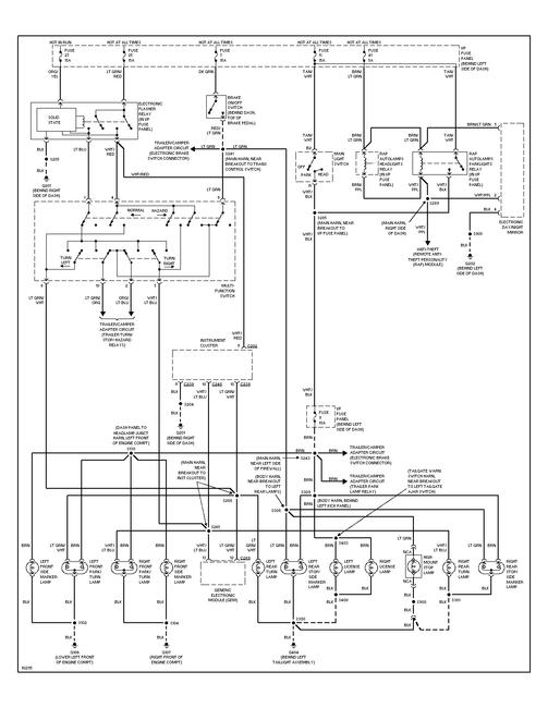
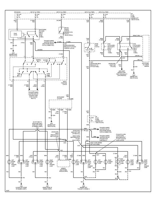
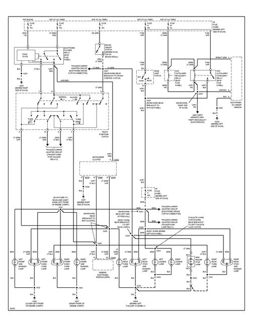
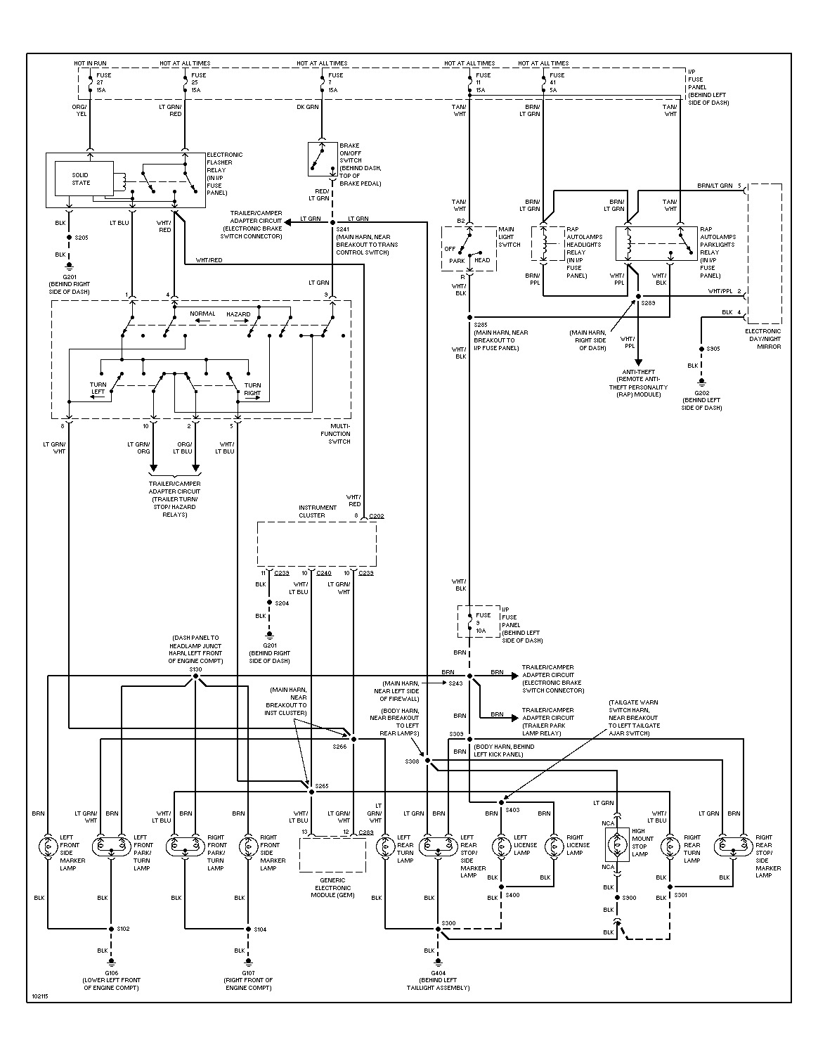
THIS MAY HELP YOU

I WENT INTO "MITCHELL I" AND FOUND A WIRING DIAGRAM TITLED "EXTERIOR LAMPS"

LOCATIONS OF THINGS ARE LISTED. WIRE COLORS ARE LISTED. EVEN GROUNDS

SOMETHING AS SIMPLE AS A GROUND SNATCHED LOOSE, COULD BE THE PROBLEM

IT DOES SORTA MAKE IT SIMPLE TO SEE EVERYTHING AT ONCE

IF THIS IS THE CORRECT DIAGRAM, IT MAY POINT YOU AT A COMPONENT TO TEST THAT MIGHT AFFECT THE LIGHTS IN QUESTION

LEMME KNOW IF THIS HELPS

THE MEDIC
Was this
answer
helpful?
Yes
No
Monday, August 12th, 2013 AT 10:15 PM

Please login or register to post a reply.