HOME
ASK A QUESTION
REPAIR GUIDES
BECOME A MEMBER
LOG IN
Login with Facebook
OR
Remember me
NOT A MEMBER?
FORGOT PASSWORD?
CONTACT US
PRIVACY POLICY
TERMS AND CONDITIONS
☰
Home
Ford
F-150
Climate Control
Air Conditioner
Compressor
1998 Ford F-150 air conditioning
KWMAN701
MEMBER
1998 FORD F-150
4.2L
6 CYL
2WD
AUTOMATIC
166,000 MILES
Air works but blowes out hot air compresser works lines get cold
Thursday, April 9th, 2015 AT 9:53 AM
1 Reply
HMAC300
MECHANIC
48,601 POSTS
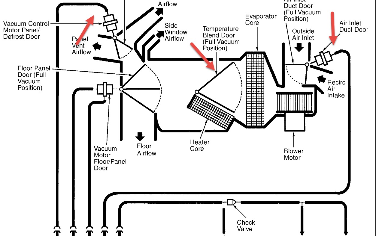
See if there is avacuum leak to one of the motor s and whether tem p actuator is moving door or not may be the problem. See pic
Image (Click to make bigger)
Was this
answer
helpful?
Yes
No
Thursday, April 9th, 2015 AT 12:14 PM
Please
login
or
register
to post a reply.
Related Air Conditioner Compressor Content
1998 F150 Air Conditioner
1998 Ford F150 - 4.6l V8 - 104,000 Miles The Ac Compressor Does Not Turn On. The System Is Fully Charged & The Fuses Are All Good. I'd...
Asked by
dh45bigfoot
·
1 ANSWER
1998
FORD F-150
Defroster/compressor
91 Ford F150 Larado Xl, 302 V8, Pw, Pl, Cruise, 60,000mi. My Issue Is, When I Am Running My Defrosters, And The Compressor Engages, My...
Asked by
sparkyrhett
·
3 ANSWERS
FORD F-150
1991 Ford F150 Air Compressor
Do You Need A Compressor To Be Able To Operate This Vehical? I Took It Off And Was Wondering If I Could Use A Smaller Belt To Get By.
Asked by
gotit
·
1 ANSWER
1991
FORD F-150
Air Conditioner
I Have A 1998 Ford F-150 With A 4.6l Engine. It Has 170,000 Miles On It. Recently, My Air Compressor Went Bad And Locked Up. A Friend...
Asked by
Sharidan
·
1 ANSWER
FORD F-150
1998 Ford F150 Blows Cool The Hot
The Ac Seems To Be Working Fine For About 10 To 15 Minutes, Then It Sounds Like A Damper Or Somthing Flaps Then It Starts Blowing Hot Air...
Asked by
kdubuisson
·
2 ANSWERS
1998
FORD F-150
VIEW MORE
Ask a Car Question. It's Free!
Air Conditioner Compressor Replacement
AC Compressor Replacement Video
AC Compressor Replacement Video