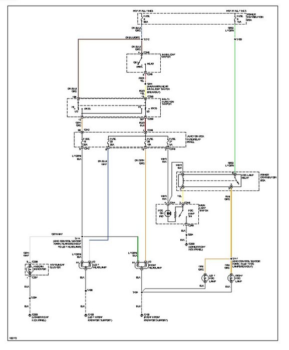
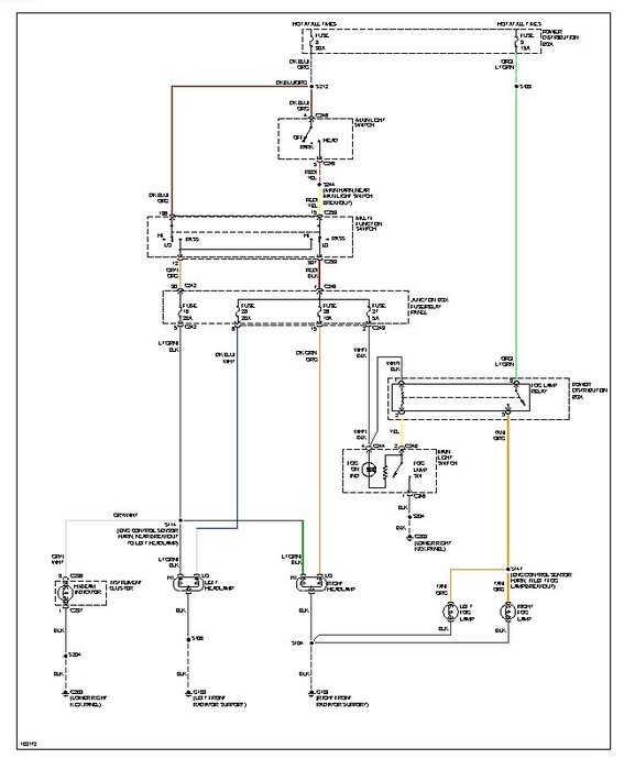
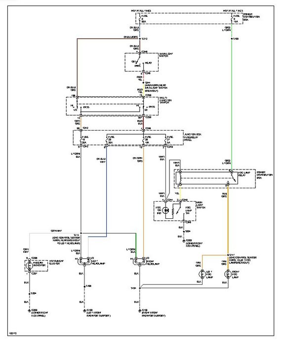
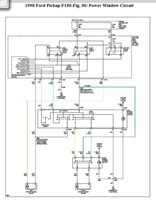
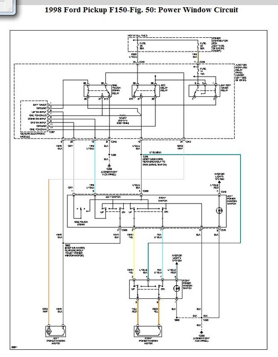
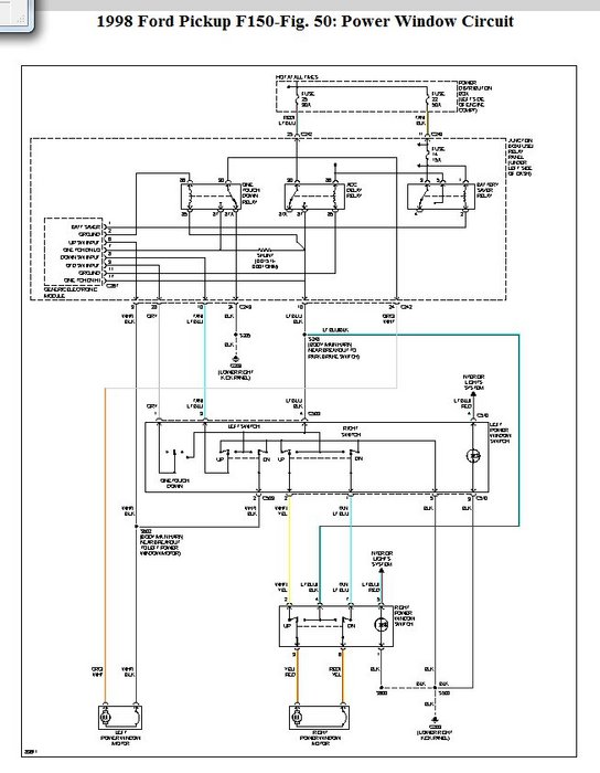
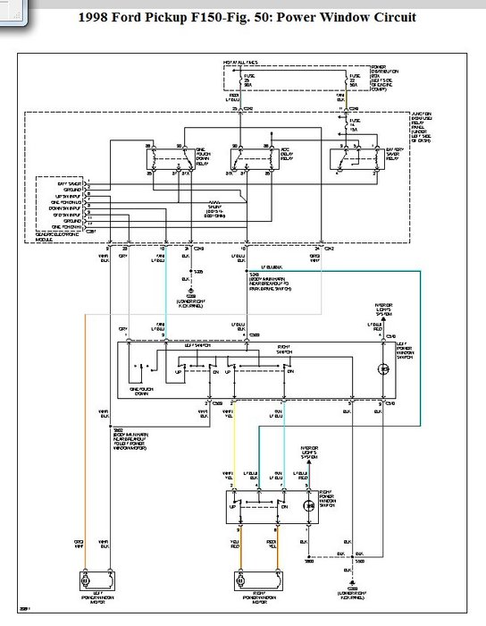
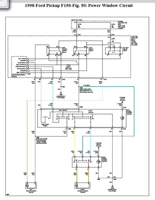
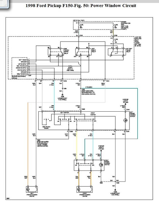
drivers window switch quit working today, along with the left headlight only working on brights. Marker lights will not shut off, I disconnect the battery post. There was two blown fuses under the hood, 15a and 20a which i'm not sure what they go to but I changed them.
Friday, February 24th, 2012 AT 1:14 AM


