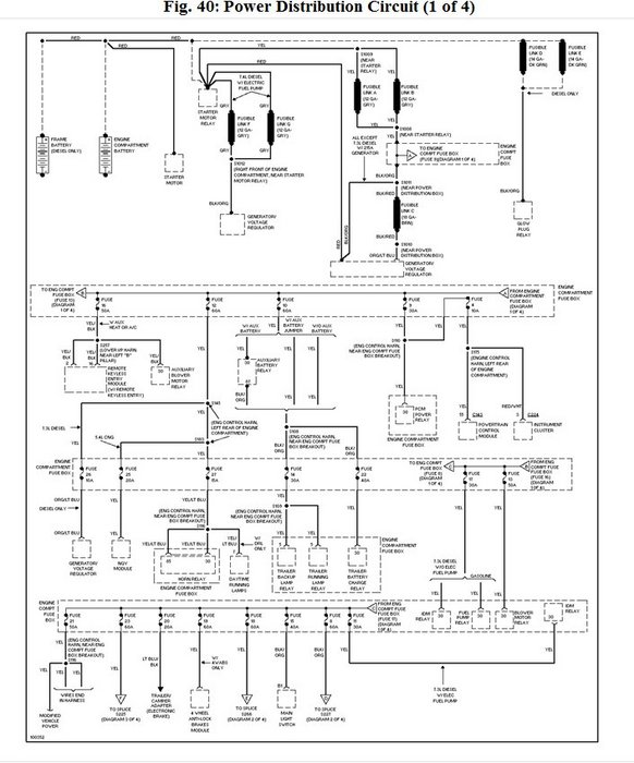
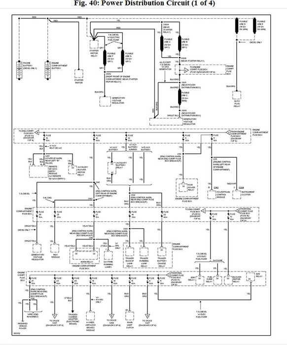
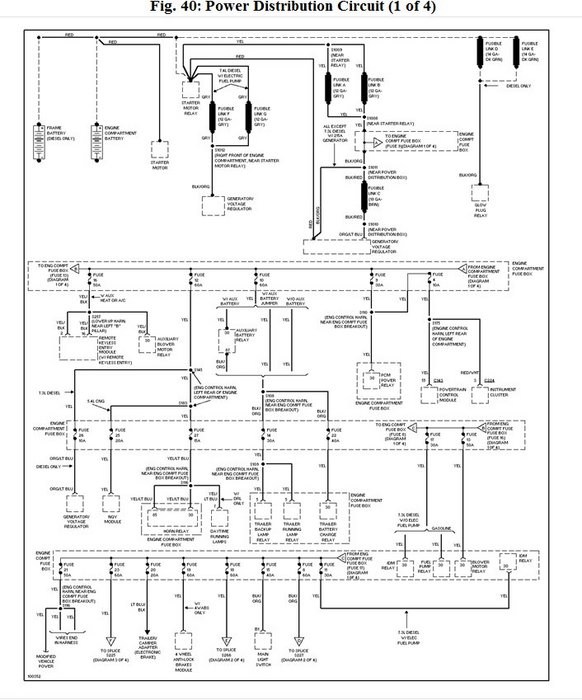
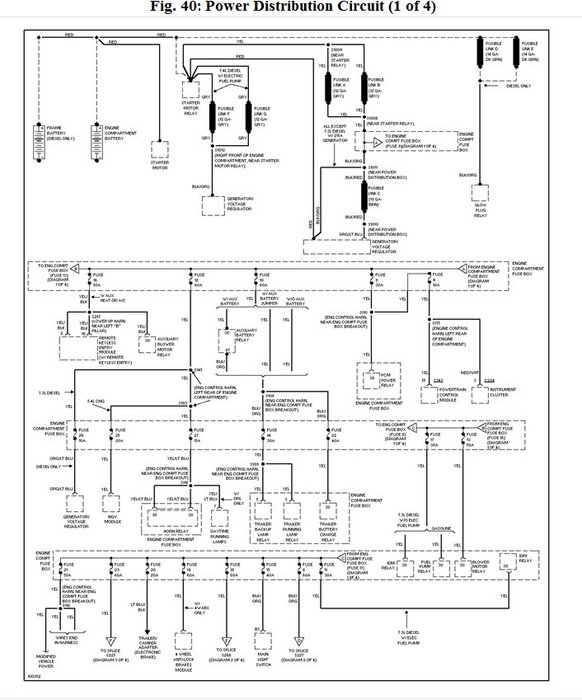
Friday, December 2nd, 2011 AT 9:35 PM
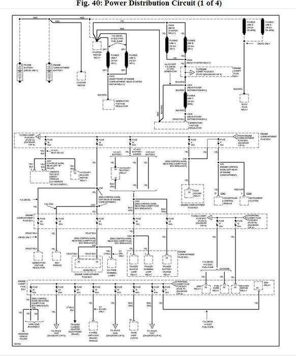
I have a 1998 Ford E350 diesel cargo van. 7.3 liter engine that I recently replaced the fuel pump on and it continues to blow the #14 fuse. I fully charged both batteries to 100% and the fuse blows when I try to start the van. Can you please help me figure this out?



