Sunday, December 30th, 2012 AT 11:04 AM
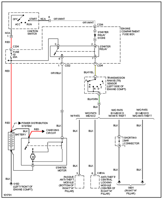
Car will not start, it doesn't make any noise besides starter relay clicks once. Lights work on inside. I can't jump start it, but it I charge it on 200 amp engine start for couple minutes it will start. New battery, new battery cables, and took starter out and it tested good?


