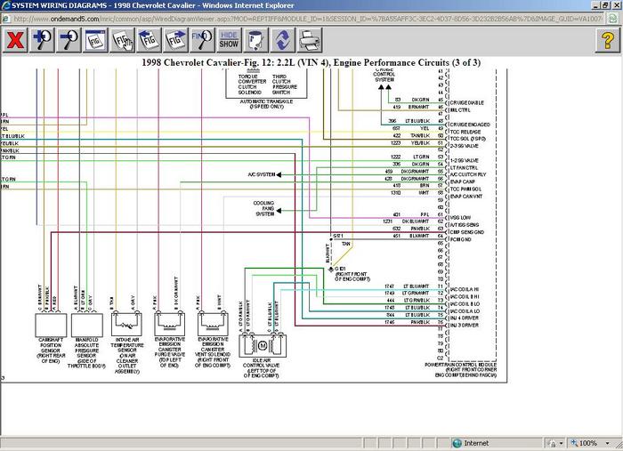
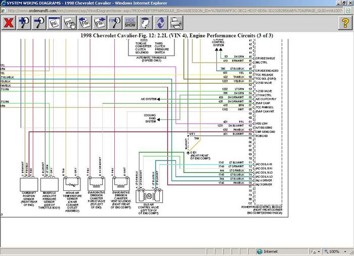
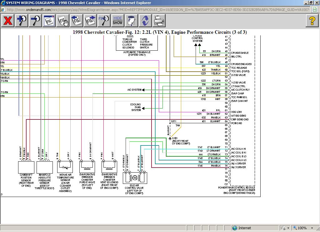
Monday, December 12th, 2011 AT 7:21 PM
98 cavalier, The check engine light keeps coming on and I get code P0342, at the same time the engine light sets the "ETS off" light comes on. What is causing that?









