Fluid leak

Tiny
LIB
  • MEMBER
  • 1997 VOLKSWAGEN GOLF
  • 4 CYL
  • 2WD
  • MANUAL
  • 90 MILES
I have a 1997 vw golf gl, with a leak on the rear passanger tire. My son complains the brakes, which have just been replaced, are squeeking when pressed and his engine smokes. I can't find the brake fluid resevoir to see if fluid is required. Please help find it's location and if this leak is the brake fluid.
thanks
Saturday, January 1st, 2011 AT 5:44 PM

1 Reply

Tiny
MERLIN2021
  • MECHANIC
  • 17,250 POSTS
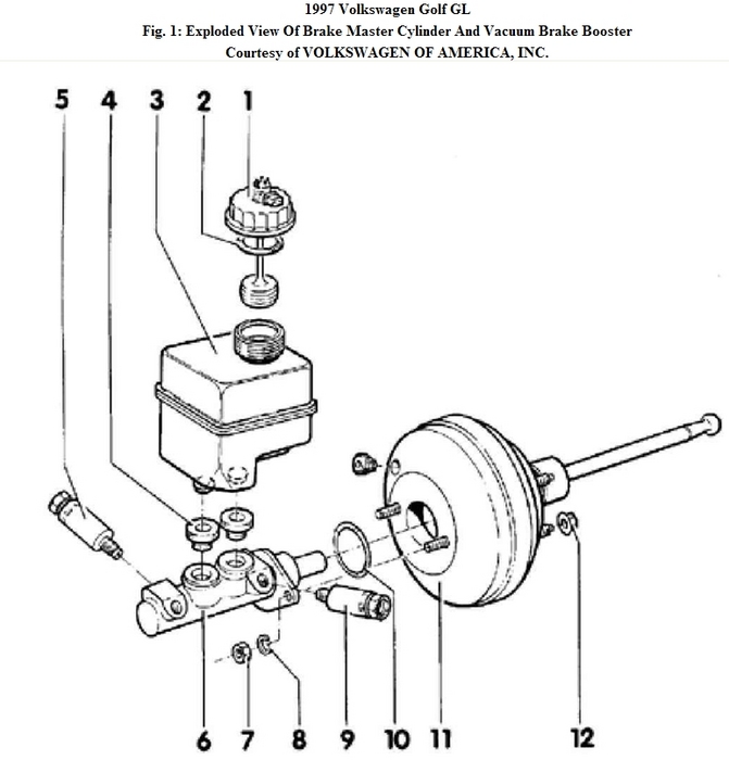
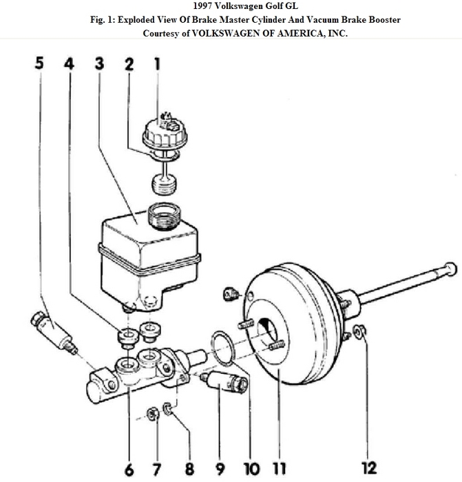
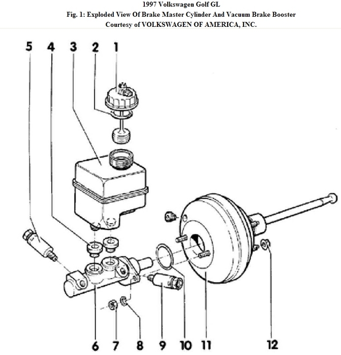
Only 2 things at the rear tires that can leak, wheel cylinders, or struts(oil) Look on the driver's side firewall for the master/booster it looks like theis, add DOT 3 or 4 brake fluid only! Fix the leak by REPLACING leaky parts, I recommend if it is a caliper, replace them in pairs, the other side is in pretty much the same shape.
Was this
answer
helpful?
Yes
No
Saturday, January 1st, 2011 AT 5:54 PM

Please login or register to post a reply.