97 Outback Starting problems

Tiny
JJDECH
  • MEMBER
  • 1997 SUBARU OUTBACK
  • 4 CYL
  • 4WD
  • AUTOMATIC
  • 160 MILES
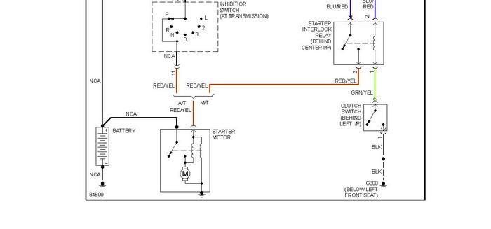
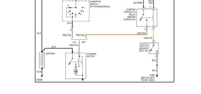
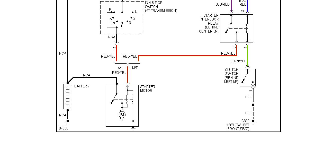
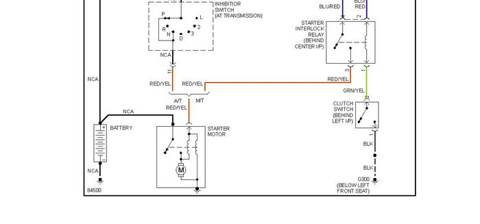
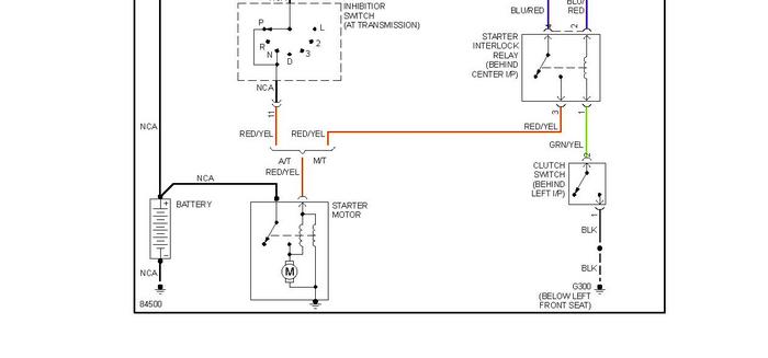
Whilst googling on the net for this problem, I came your answer to a query on the subject problem. It included a schematic of the starting circuit. Unfortunately, the diagram is way to small to read. Can you please email a readable copy of that circuit
Much Obliged
Monday, February 21st, 2011 AT 12:32 AM

3 Replies

Tiny
RASMATAZ
  • MECHANIC
  • 75,992 POSTS
See below
Was this
answer
helpful?
Yes
No
Monday, February 21st, 2011 AT 12:50 AM
Tiny
JJDECH
  • MEMBER
  • 2 POSTS
Thanks for the pics. I had to use Picasa to extract them from this site. Is there a better way to do that? On the drawing, what does 'NCA' mean? My battery was depleted from leaving a dome light on. Tried to jumper, but blew the fusible link when I got the cables ass backwards. Replaced the link, tried jumping again (correct polarities). With cables attached, lots of stuff works (headlites, horn, etc) but it won't crank. The slo-blo fuse looks OK. The car has AT and security system. The drawing says the interrupt relay is 'behind I/P'. How do you actually locate that darn thing? Anyway, its contacts are normally closed so that shouldn't be a problem. The next item in the path is the tranny inhibitor switch. Same problem as the interrupt relay - where the heck are these things, and how do you get at them? Last but not least is the starter. Is that accessible from under the hood, or do you put the car on a hoist?
Thanks again.
Was this
answer
helpful?
Yes
No
Monday, February 21st, 2011 AT 6:10 PM
Tiny
KHLOW2008
  • MECHANIC
  • 41,814 POSTS
NCA = No Color Available.

These are. Jpg format pictures and there are quite a lot o applications that are able to read them but I am not familiar with what is best or easiest. If you google around, you should be able to get a free application for getting the pictures.

When it won't crank the first thing you need to check is for battery voltage to the ignition switch. Next is to test the starter motor. A test lamp or DVOM would be the best way to go about.

Yours is an automatic so the interlock relay is not applicable.
Was this
answer
helpful?
Yes
No
Tuesday, May 3rd, 2011 AT 7:01 PM

Please login or register to post a reply.