Friday, December 23rd, 2011 AT 1:39 PM
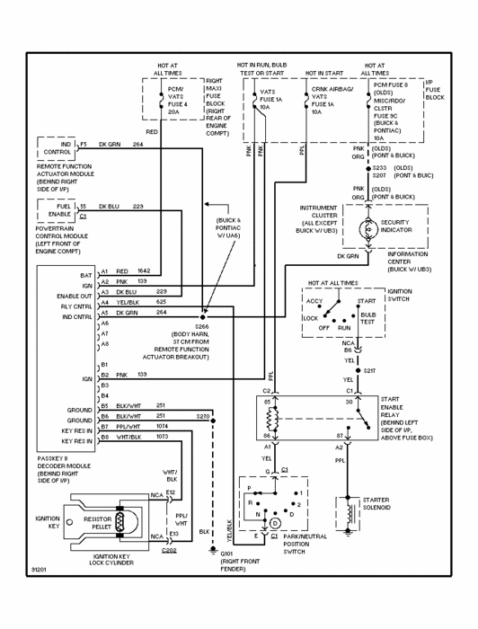
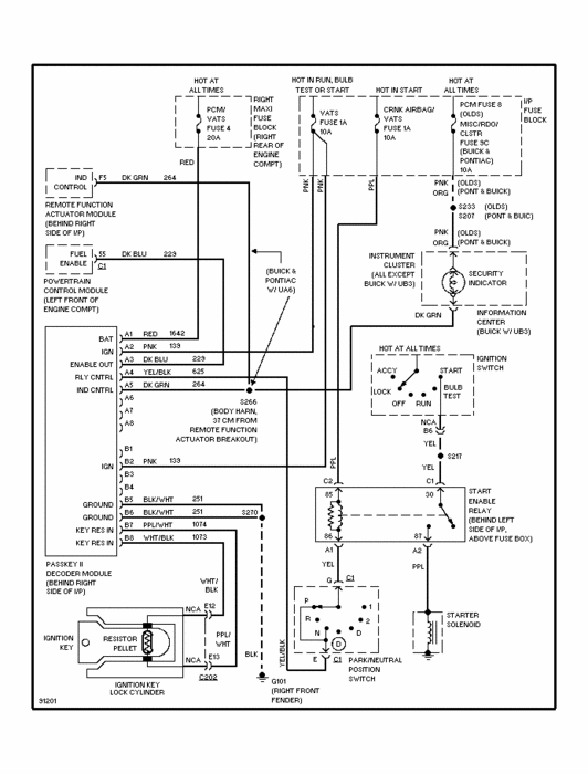
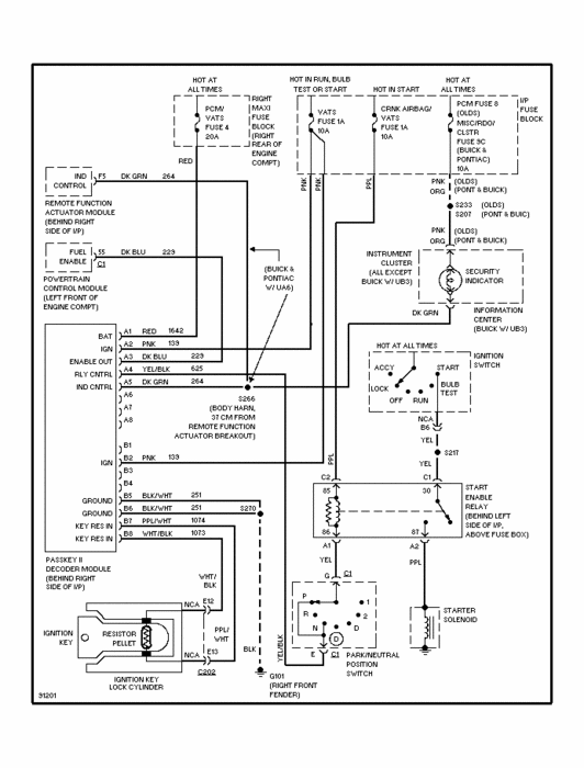
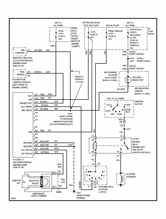
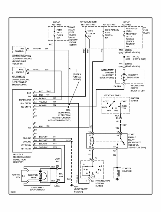
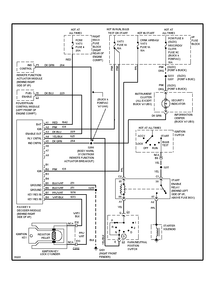
Hello again First let me thank you for helping me last week. I am still having the same problem my car won't start. I turn the switch on and all I get is the gauges will move for a second or two. The motor won't turn over and the car won't start. This what I've seen my security lights flashes so I had a professional mechanic bypass the VATS system. ( Orange wire under dash that holds two white wires) But still my security light flashes. I changed the BCM with one that has the same part number and still my car want start. I purchase a theft control module but can't figure out where to install it. Is there any advice you can give me? I have attached a picture of the theft deterrent module in hopes that you can tellme where it goes. Please help me that car was running perfectly then it just died on me. But the car is in excellent condition.I thank you in advance!Thank you!



