Saturday, November 20th, 2010 AT 5:03 PM
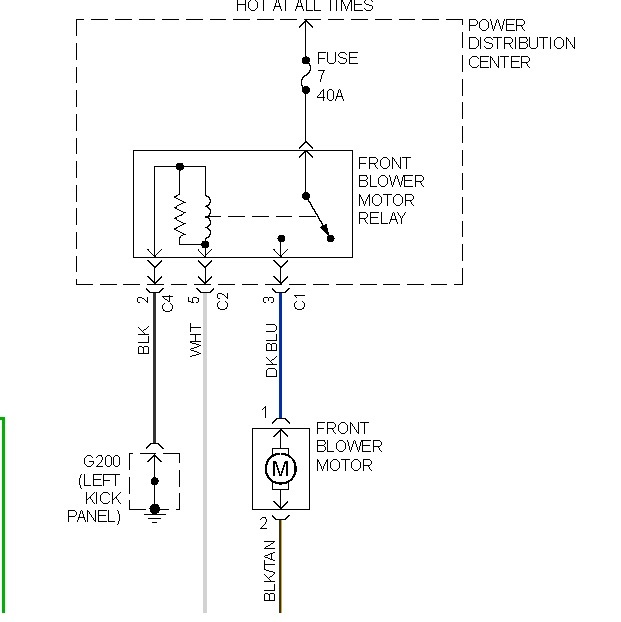
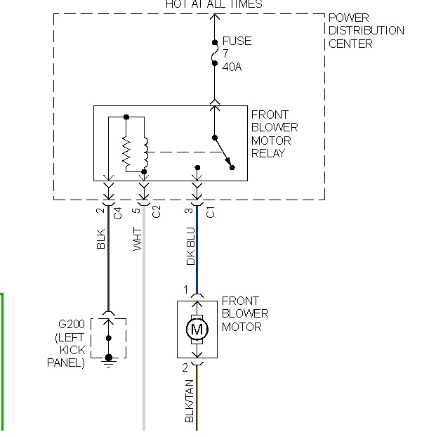
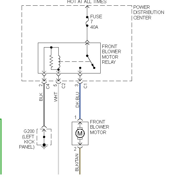
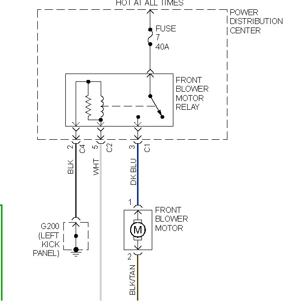
A 1997 plymouth grandvoyager se has relay fuses in the fuse box. Only two the same part # same plug design 1st? Any way to test them. Pt 2? Are they one works all like blower, power, alarm, ect.. Now problem heard ticking very rapid coming from fuse panale van not on was the fuses van started pull one still running, repace same with other, put both back in no nosie turn motor off never started again no lable in van or in book?



