Monday, October 3rd, 2011 AT 1:54 AM
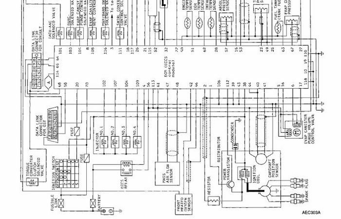
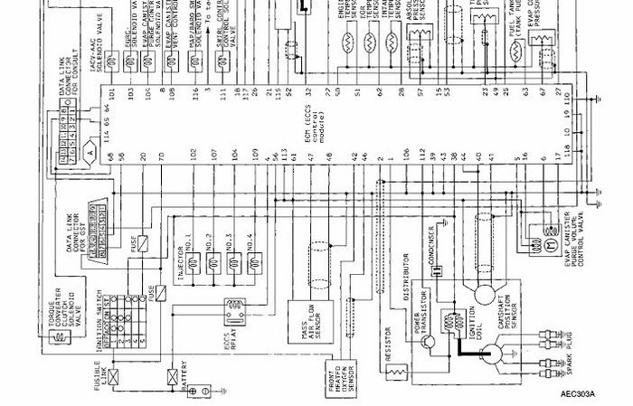
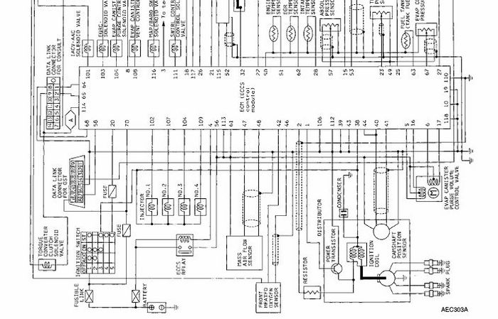
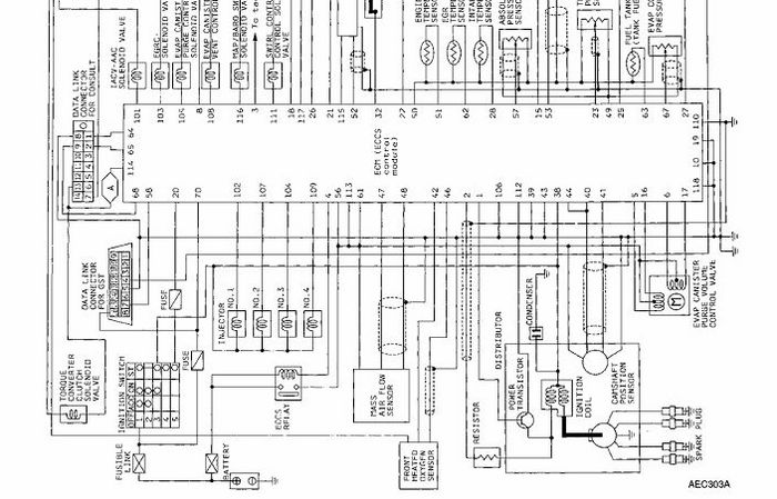
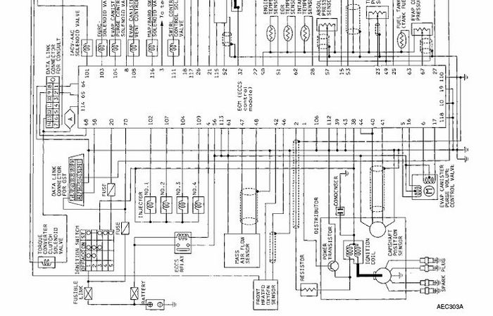
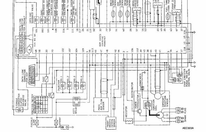
My 1997 hard body will stall but not all the time. It will stall after about a half hour And will easily start again. It has tried to Stall while driving, but because I was into The gas pedal it didn't. It has new plugs New wires new distributor Doesn't stall till after a bit of run time





