What sends power to the coil 1997 Nissan Altima?

Tiny
MS_YASMI
  • MEMBER
  • 1997 NISSAN ALTIMA
1997 Nissan Altima Cranks but Won't Start Ive changed the crankshaft, camshaft and knock sensor yett I have no spark. What sensor produces spark to the spark plugs?
what sends power to the coil 1997 nissan altima?
Monday, September 19th, 2011 AT 1:50 AM

1 Reply

Tiny
JACOBANDNICKOLAS
  • MECHANIC
  • 110,192 POSTS
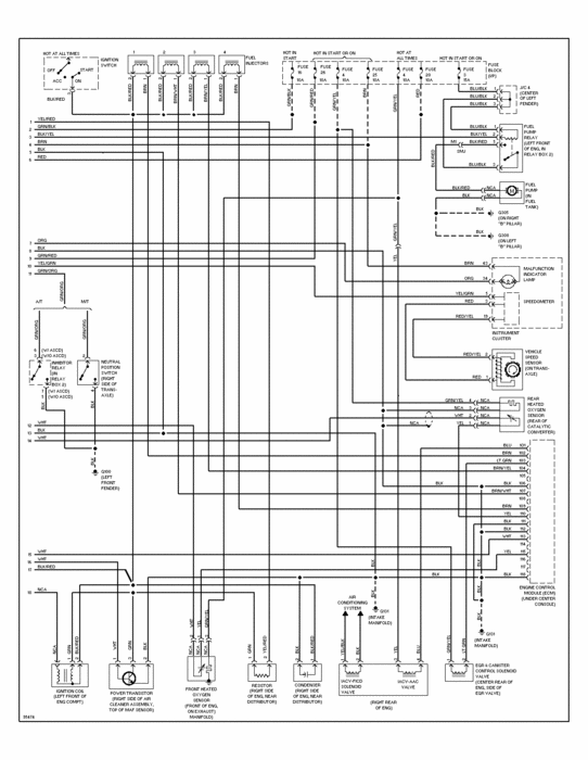
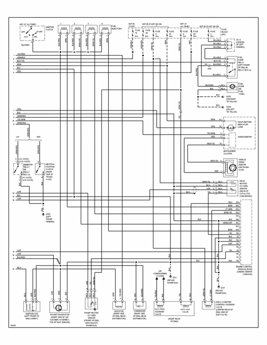
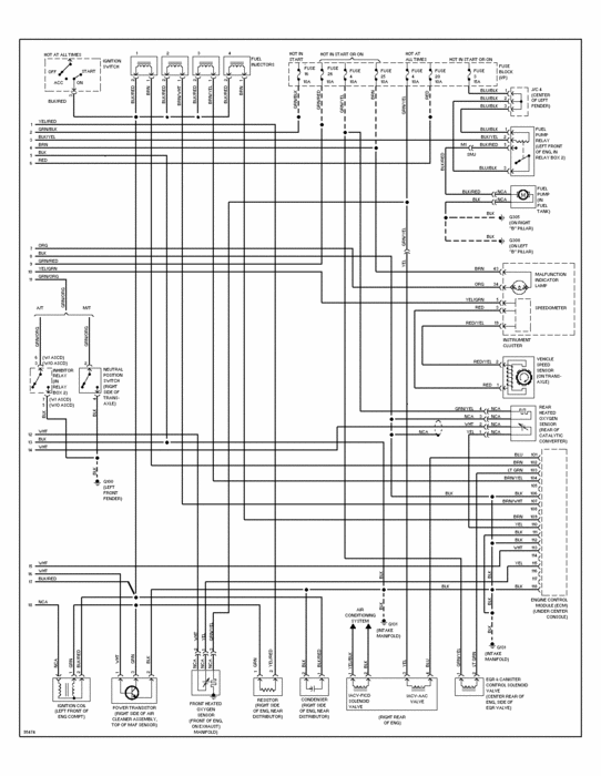
It comes from the ignition switch. However, it goes through a resister and a condenser based on the position of the ignition switch. I attached a wiring schematic for your review. The coil is located at the lower left of the schematic.
Was this
answer
helpful?
Yes
No
Tuesday, September 20th, 2011 AT 4:37 AM

Please login or register to post a reply.