Neeeed help baddd

Tiny
NICKOLAS MOORE
  • MEMBER
  • 1997 MITSUBISHI 3000GT
  • 6 CYL
  • 2WD
  • MANUAL
  • 30,000 MILES
1997 mitsu 3000gt
Fuel pump relay works wen power is crossed over, car runs fine!
But new relay(s)! Will not start car?
Whats my problem?
Wednesday, August 17th, 2011 AT 10:13 PM

7 Replies

Tiny
PROTECH1980
  • MEMBER
  • 901 POSTS
What ever sends signal to close relay is not working, do you have a repair manual that has wiring diagrams, use a multi meter at relay to find out what is missing, then follow wiring diagram to diagnose.
Was this
answer
helpful?
Yes
No
Wednesday, August 17th, 2011 AT 10:17 PM
Tiny
NICKOLAS MOORE
  • MEMBER
  • 3 POSTS
I cant find a manual or website that is detailed enough to tell what each wire powers what?
And its too hard to trace where each wire goes?
I checked the power on the two live connections that are now crossed over, theres power
In each?
I thought I got faulty relays but now ive tried two pair of new relays with no success!
So it definatly a wire problem somwhere?
Is there a wesite that can show me where each colored wire goes?
Thanx so much!
Was this
answer
helpful?
Yes
No
Thursday, August 18th, 2011 AT 11:27 AM
Tiny
PROTECH1980
  • MEMBER
  • 901 POSTS
I am sorry, I cant get that diagram, maybe someone else could post it.
Was this
answer
helpful?
Yes
No
Thursday, August 18th, 2011 AT 4:40 PM
Tiny
JDL
  • MECHANIC
  • 16,098 POSTS
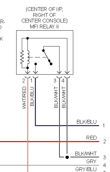
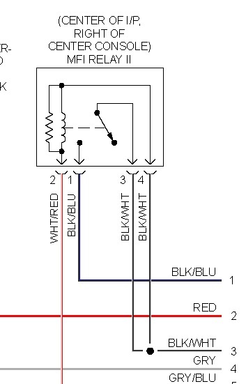
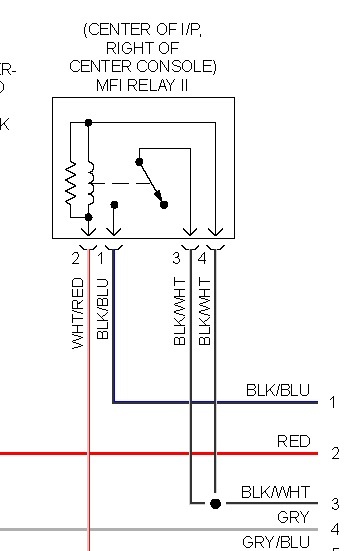
Here you go. The control side of relay, is grounded by the pcm. So you do have voltage to both the load and control side of relay?
Was this
answer
helpful?
Yes
No
Thursday, August 18th, 2011 AT 5:04 PM
Tiny
PROTECH1980
  • MEMBER
  • 901 POSTS
Thanks JDL.
Was this
answer
helpful?
Yes
No
Thursday, August 18th, 2011 AT 9:41 PM
Tiny
NICKOLAS MOORE
  • MEMBER
  • 3 POSTS
Thanx jdl!
Theres two identicle relays there one seems to work fine,
The other has power in two of the four connections?
Im thinking I have a bad wire goin to this relay?
Do you know where each colored wire goes?
Maybe I can run a new wire from A to B?
Im guessing power to the pump?
Im going to drop the tank and see if the colored
Wires coincide?
Any info is great!
Nick
Was this
answer
helpful?
Yes
No
Friday, August 19th, 2011 AT 11:41 AM
Tiny
JDL
  • MECHANIC
  • 16,098 POSTS
In the above diagram, Terminals 3 and 4 are voltage for the load and control side if relay. When the relay is energized that arm with the arrowhead moves to terminal 1, terminal 1 carries voltage to fuel pump. Terminal 2 is ground for the control side of relay. The pcm controls the ground. Pcm pin #8.
Was this
answer
helpful?
Yes
No
Friday, August 19th, 2011 AT 8:04 PM

Please login or register to post a reply.