Checked fuses and relays

Tiny
DOUGGM1965
  • MEMBER
  • 1997 MITSUBISHI 3000GT
  • 165,000 MILES
1997 Mitsubishi montero. The a/c stopped working while driving yesterday, the light on the a/c on/off switch does not come on. I am pretty sure all
Saturday, August 27th, 2011 AT 7:18 PM

5 Replies

Tiny
KHLOW2008
  • MECHANIC
  • 41,814 POSTS
Is vehicle with DOHC turbo, DOHC or SOHC engine?
Was this
answer
helpful?
Yes
No
+1
Sunday, August 28th, 2011 AT 4:51 AM
Tiny
DOUGGM1965
  • MEMBER
  • 3 POSTS
3.0 liter dohc
Was this
answer
helpful?
Yes
No
Sunday, August 28th, 2011 AT 11:28 PM
Tiny
KHLOW2008
  • MECHANIC
  • 41,814 POSTS
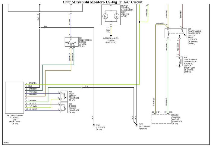
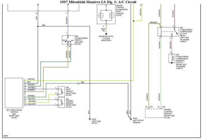
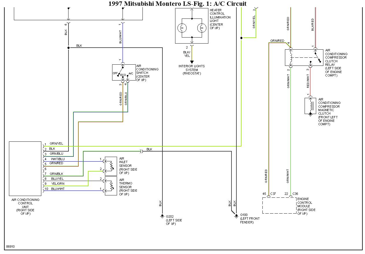
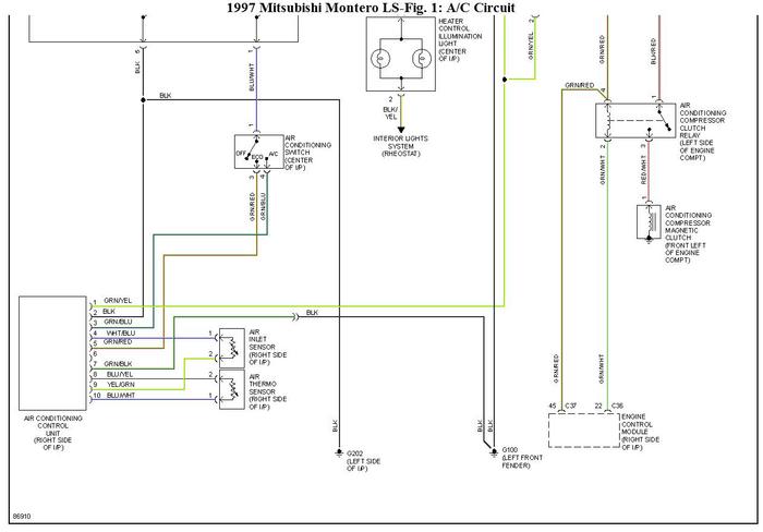
Sorry for the oversight. I just noted that the title is 3000GT whereas the content has Montero as heading, so I am guessing that Montero is the correct vehicle you are refering to.

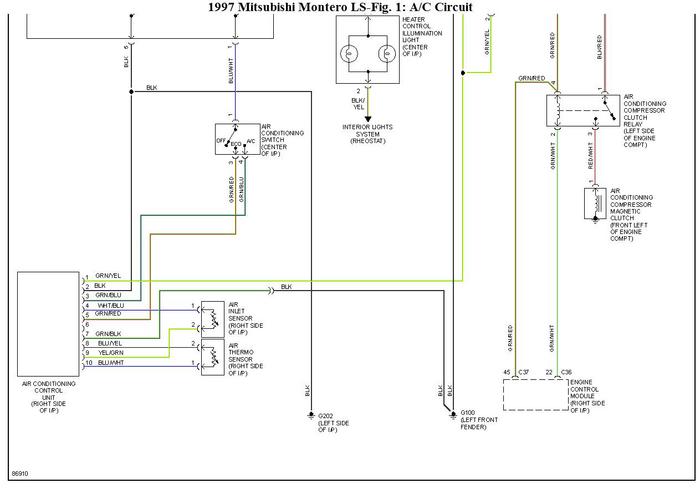
Attached is the wiring schematic and I need some details of the problem in order to understand it better.

1. Is the blower motor working when A/C is turned on?
2. Prior to this occurring, did the A/C system seem to work less efficiently?
3. Have you checked the freon pressure?
4. Does turning between ECO and A/C on the A/C switch make any difference?
Was this
answer
helpful?
Yes
No
Monday, August 29th, 2011 AT 1:30 PM
Tiny
DOUGGM1965
  • MEMBER
  • 3 POSTS
The fan works fine, no eco. System worked ok. The ac button light doesnt come on anymore. Either. The system is full.
Was this
answer
helpful?
Yes
No
Monday, August 29th, 2011 AT 9:58 PM
Tiny
KHLOW2008
  • MECHANIC
  • 41,814 POSTS
At the A/C button, use a test lamp or DVOM to check for battery voltage at the Blue/White wire, if battery voltage is not available, check the blower switch.
Was this
answer
helpful?
Yes
No
Tuesday, August 30th, 2011 AT 5:05 AM

Please login or register to post a reply.