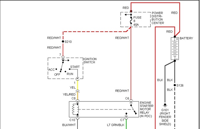
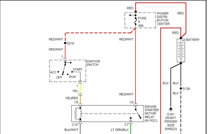
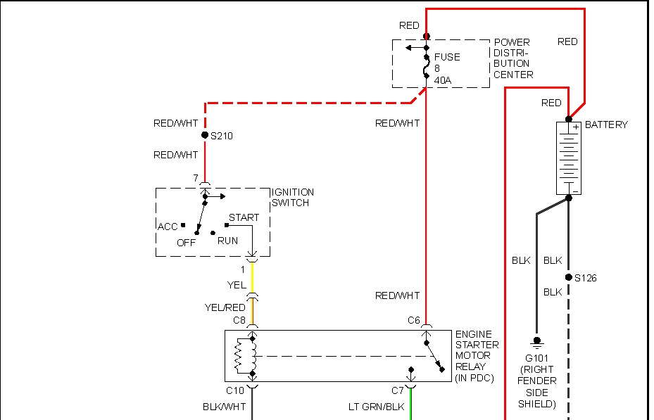
Thursday, November 25th, 2010 AT 3:18 PM
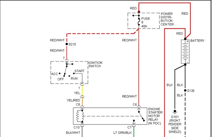
Starter went out on my vehicle listed above and installed a refurbished starter. Now, when I try to start my car, there is nothing! No power at all. What is wrong?



