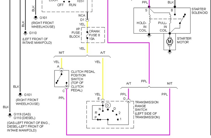
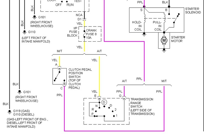
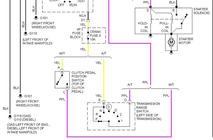
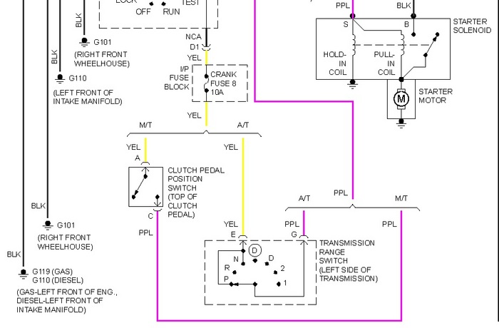
Thursday, July 7th, 2011 AT 1:47 AM
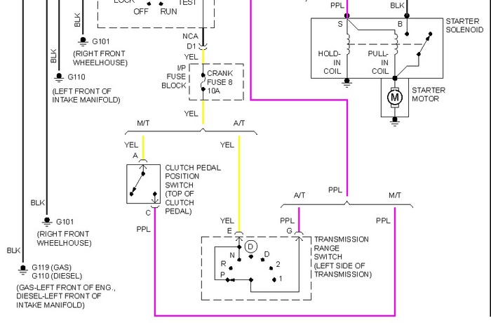
I have a 1997 Gmc Sierra k1500. On the way home from work it drove fine. I backed it into my driveway then shut it off, got out and decided to back up some more. Went to turn the key and nothing happened. I have battery power but engine will not crank. I checked fuses thinking that may be it. I found one of the 40 amp ing. Fuses blown under the hood. Changed it out but still nothing. I also changed the starter relay thinking that may be it but still no luck. Any help would be appreciated.




