Brake light fuse

Tiny
NEWLYWED5702
  • MEMBER
  • 1997 FORD F-450
  • 7.6L
  • V8
  • TURBO
  • 2WD
  • 154,000 MILES
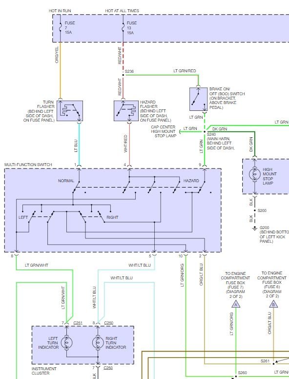
Signal lights and flashers work but brakes blow a fuse.
Friday, March 16th, 2018 AT 6:15 PM

12 Replies

Tiny
HARRY P
  • MECHANIC
  • 2,296 POSTS
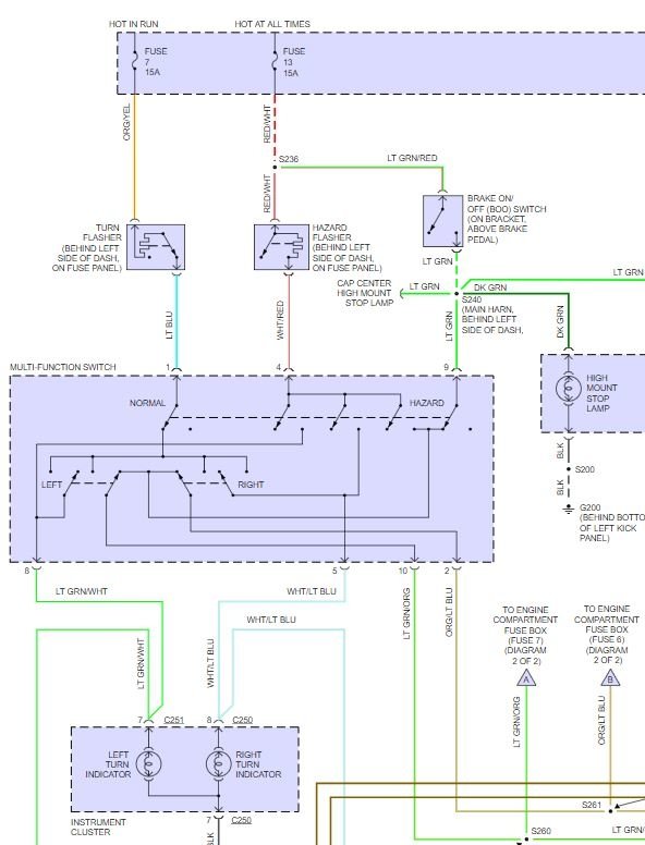
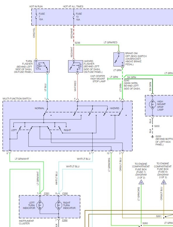
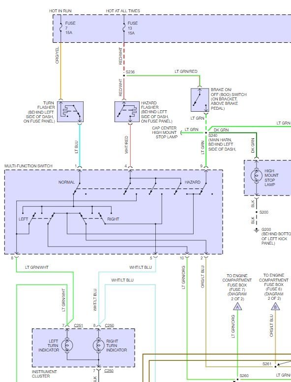
That is either going to be a wiring issue or an issue with the brake light switch. The switch is located down below the dash, where the top of the brake pedal arm is. Remove the switch and check it for continuity between the lead and ground wires using a Multi-meter or an Ohmmeter. If there is any resistance less than infinity, then you have identified an electrical short. Be sure and check it while pushing the plunger all the way in and out several times.
Was this
answer
helpful?
Yes
No
+1
Friday, March 16th, 2018 AT 7:18 PM
Tiny
NEWLYWED5702
  • MEMBER
  • 6 POSTS
Thanks. There is another issue and I hope they are related. When I turn on the headlights the running lights on top of the cab come on and stay on when I turn off the headlights. Ignition is off and the lights are dim. I pull fuse #4 in power dist box and they go out and stay out when I replace the fuse. I can hear a relay click when I remove the fuse but does not click when fuse is replaced.
Was this
answer
helpful?
Yes
No
Saturday, March 17th, 2018 AT 7:43 AM
Tiny
PATENTED_REPAIR_PRO
  • MECHANIC
  • 1,853 POSTS
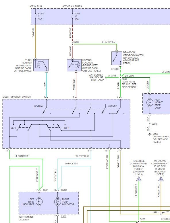
Remove the stop lamps fuse, place an ammeter into the empty socket, press the brake pedal down and read the ammeter. If it is over what the fuse is rated at, remove all the stop lamp bulbs one at a time checking the ammeter after removing each bulb. If and when after removing a bulb if the ammeter drops safely below what the fuse is rated at, replace that bulb and check that socket and/or wiring for a short if the new bulb does not fix it.
It after no bulbs in, the ammeter still reads high disconnect each item here for fuse #13.
Was this
answer
helpful?
Yes
No
+1
Saturday, March 17th, 2018 AT 7:51 AM
Tiny
HARRY P
  • MECHANIC
  • 2,296 POSTS
Ditto what PRP said. The problem is likely somewhere in the wiring, or possibly in that relay.
Was this
answer
helpful?
Yes
No
Sunday, March 18th, 2018 AT 3:47 AM
Tiny
PATENTED_REPAIR_PRO
  • MECHANIC
  • 1,853 POSTS
The other running lights should also stay on because they are on the same circuit. Are they?
I do not see any relays in the wiring diagram for the parking (running) lights.
Was this
answer
helpful?
Yes
No
Sunday, March 18th, 2018 AT 5:21 AM
Tiny
NEWLYWED5702
  • MEMBER
  • 6 POSTS
Yes they are all on and all dim down when I push the headlight switch in. The relay I hear click is in the power dist box.
Was this
answer
helpful?
Yes
No
Sunday, March 18th, 2018 AT 11:47 AM
Tiny
PATENTED_REPAIR_PRO
  • MECHANIC
  • 1,853 POSTS
Perhaps you have a short circuit in between the running lights and whatever that relay powers. Try to narrow down which relay it is, either put your finger tips on them and feel which one clicks when someone else turns the headlight switch on and off or remove them one at a time and listen if you are by yourself.
Was this
answer
helpful?
Yes
No
Sunday, March 18th, 2018 AT 3:02 PM
Tiny
NEWLYWED5702
  • MEMBER
  • 6 POSTS
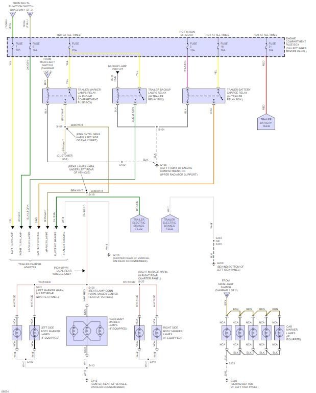
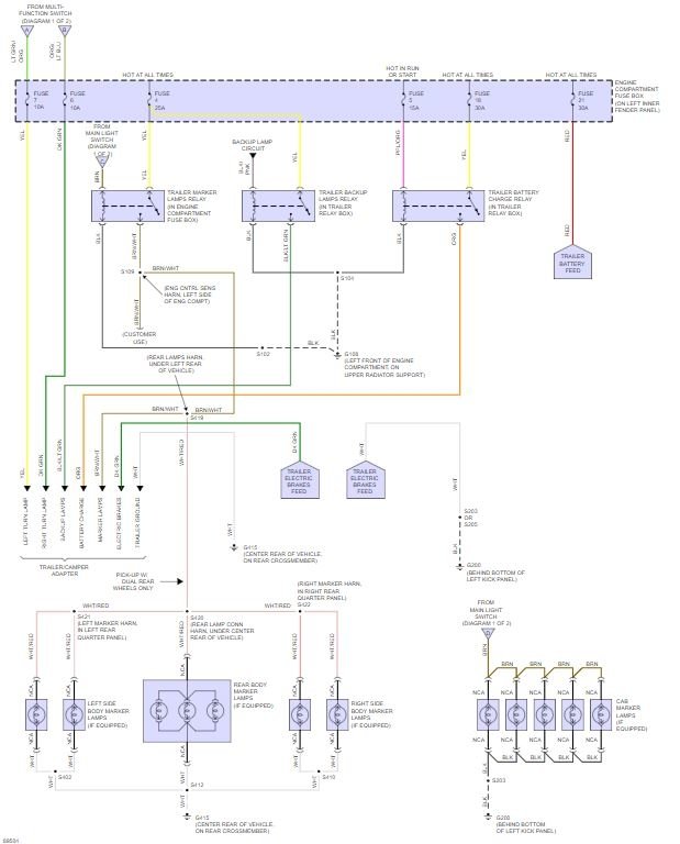
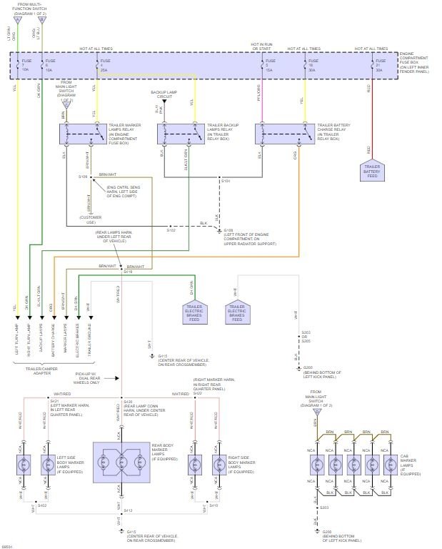
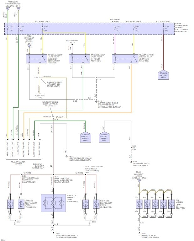
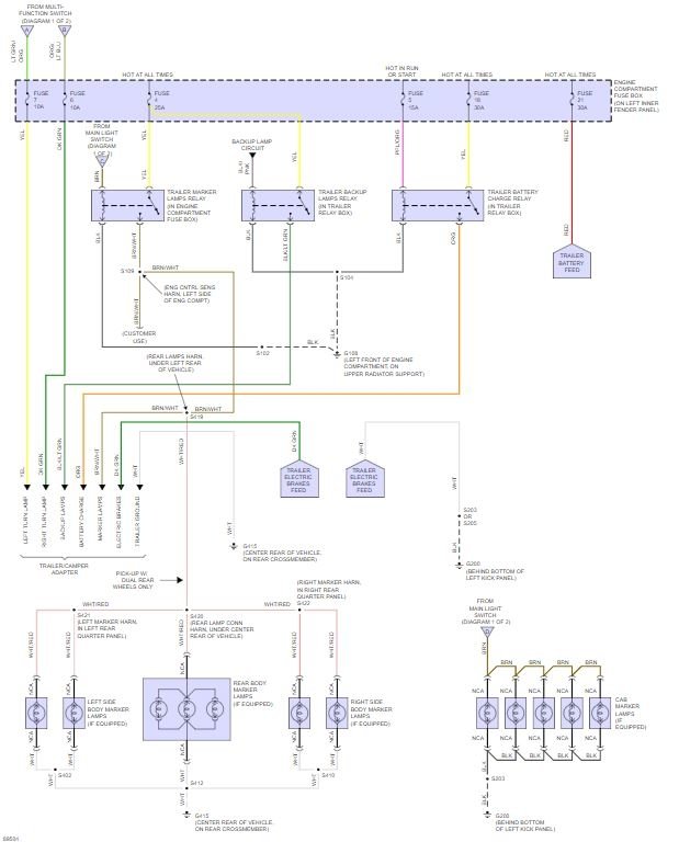
Fuses F & G on power dist box don't have power. Labeled trailer stop R & L
Was this
answer
helpful?
Yes
No
Monday, March 19th, 2018 AT 4:44 PM
Tiny
PATENTED_REPAIR_PRO
  • MECHANIC
  • 1,853 POSTS
Was you sure to turn the key to run?
Was this
answer
helpful?
Yes
No
Monday, March 19th, 2018 AT 5:09 PM
Tiny
NEWLYWED5702
  • MEMBER
  • 6 POSTS
Yes. Hazard and dir lights work but no stops. Those two fuses control them but not juice to the fuses
Was this
answer
helpful?
Yes
No
Monday, March 19th, 2018 AT 5:55 PM
Tiny
PATENTED_REPAIR_PRO
  • MECHANIC
  • 1,853 POSTS
Those 2 fuses are just for the trailer lights.
I see them listed as fuses 6 and 7 in my book.
Do you have voltage coming out of the stop lamp switch when the pedal is pressed down? If so, check again leaving the multifunction switch.
Was this
answer
helpful?
Yes
No
Tuesday, March 20th, 2018 AT 7:45 AM
Tiny
NEWLYWED5702
  • MEMBER
  • 6 POSTS
I'll ck
Was this
answer
helpful?
Yes
No
Tuesday, March 20th, 2018 AT 1:36 PM

Please login or register to post a reply.