Wiring diagram stereo stock

Tiny
SHEDVLL
  • MEMBER
  • 1997 CHRYSLER SEBRING
  • FWD
  • AUTOMATIC
1997 Chrysler Seabring stereo wiring. When I bought the car the stereo was completely gone, they cut the factory plug and just left bare wires. I don't have a clue what they go to. Been 2 years without music in that car :/ so not sure, I could hook it up if I knew which color wires were for what to splice into my stereo.
Not a stock stereo. Thank you

Tuesday, July 19th, 2011 AT 8:08 PM

4 Replies

Tiny
CARADIODOC
  • MECHANIC
  • 34,489 POSTS
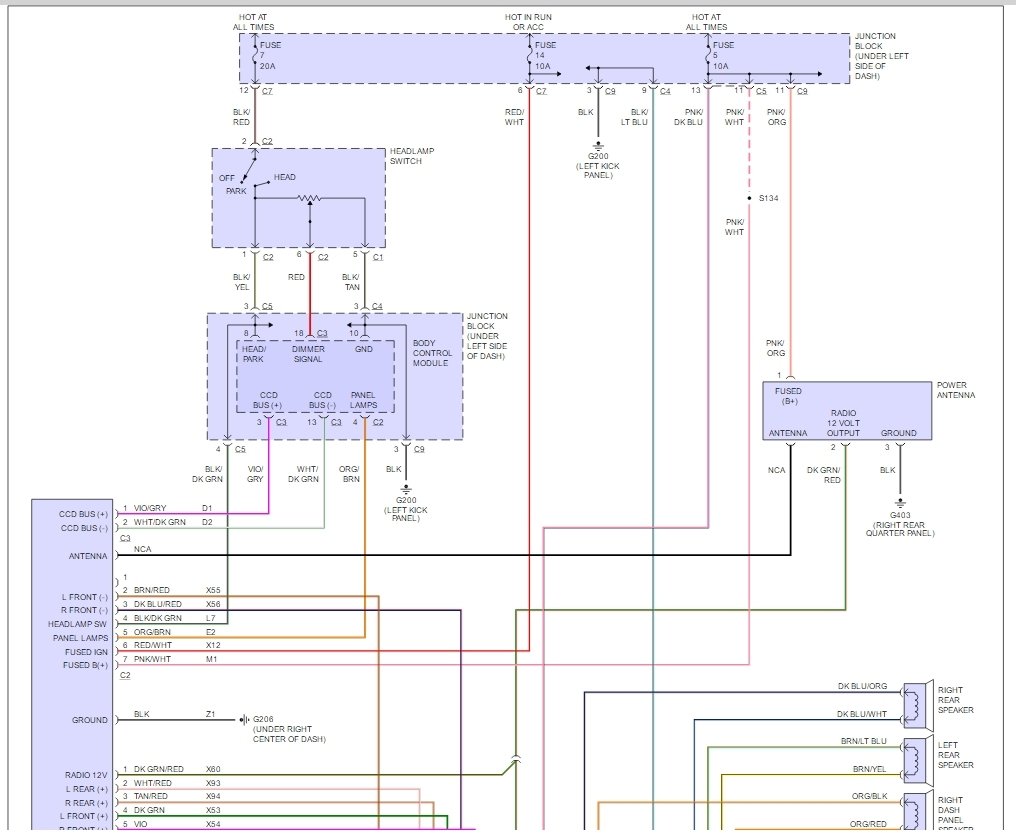
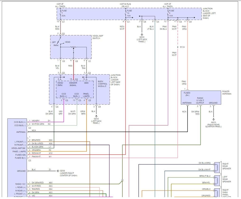
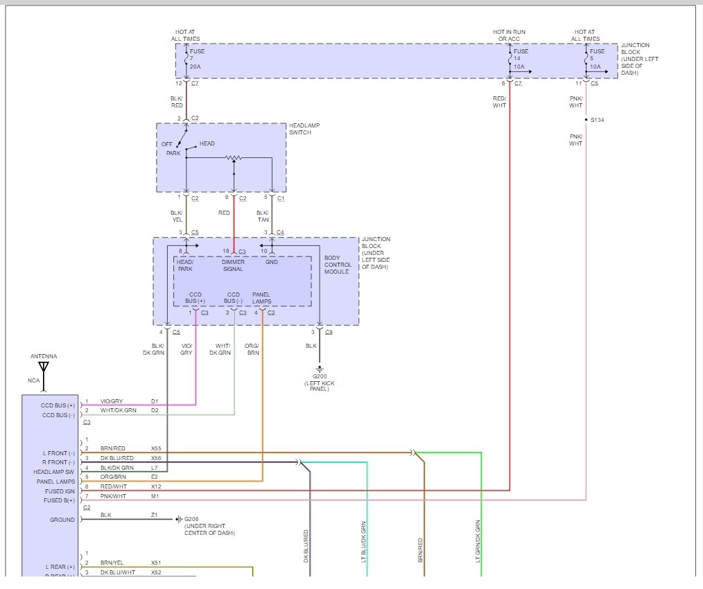
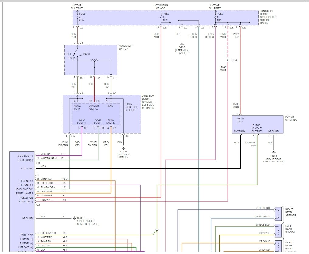
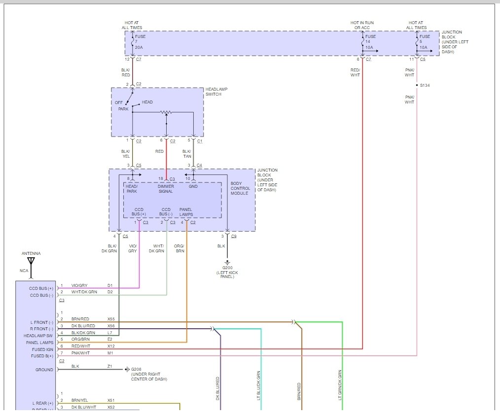
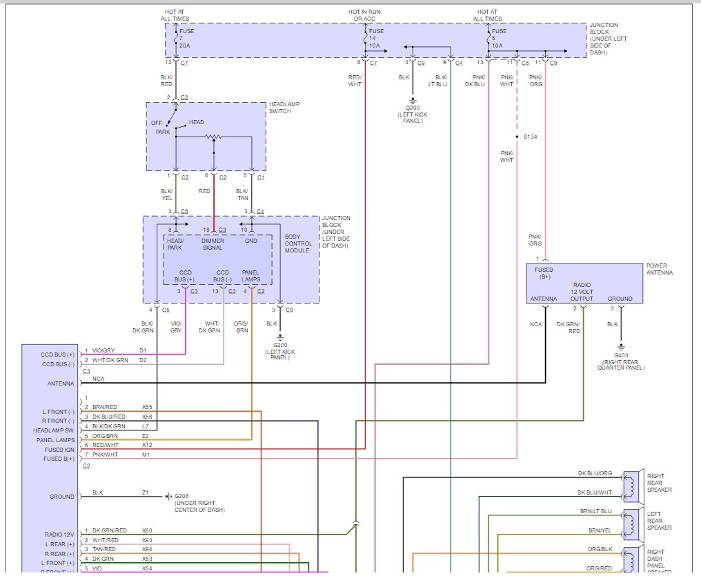
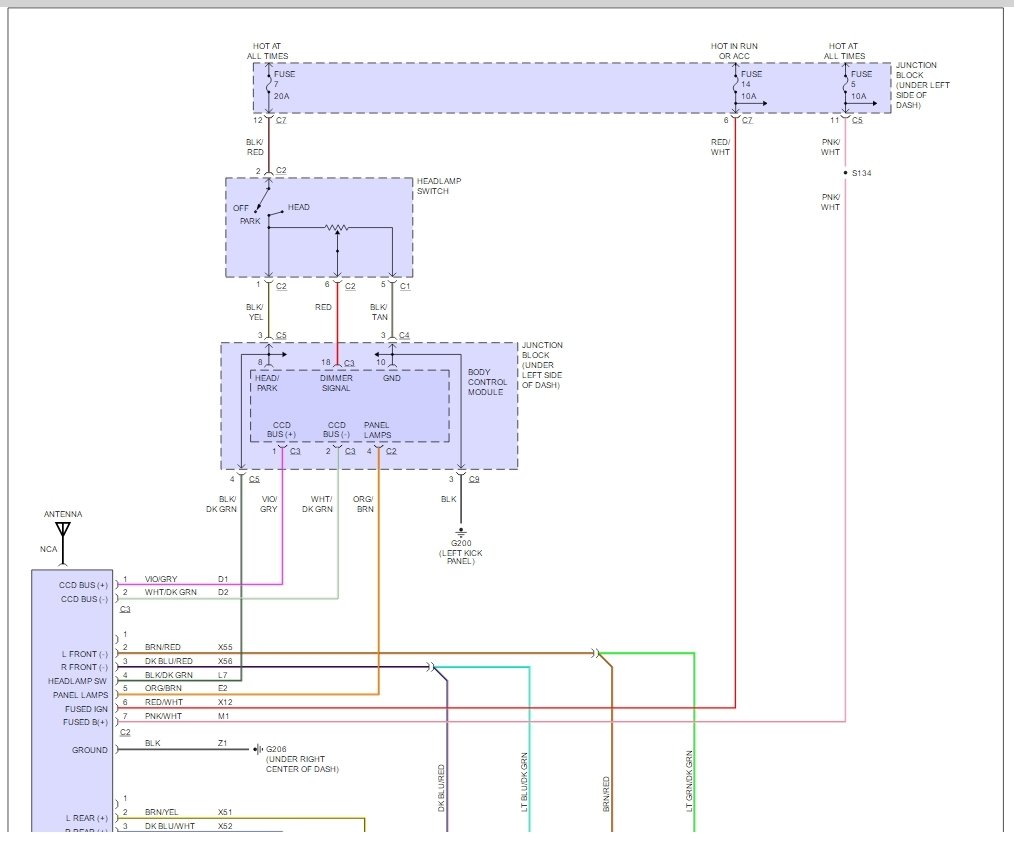
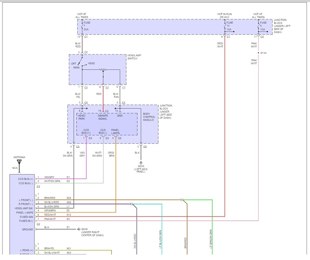
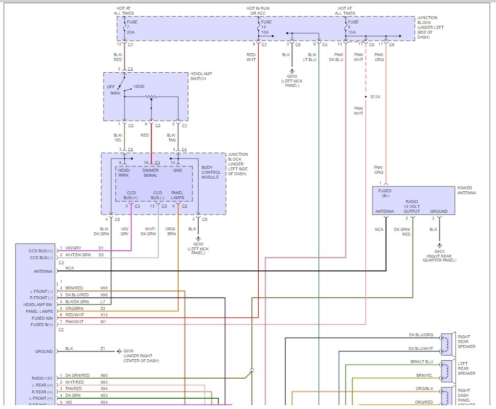
Are you looking for the connector pins or the schematic diagram for the radio? For connector pins do you need just the functions or do you need wire colors specific to your car here are both radio wiring diagrams one with amp one without.

The best way to handle this is to snip a pair of plugs out of any car in the salvage yard and splice them back into your car, then you can buy an adapter harness for aftermarket radios. I've worked on thousands of radios in the last 20 years and there is nothing better for your car than the cd / cassette combo radio that was available as standard equipment, even if you don't have cassettes. It's built by Mitsubishi for Chrysler and is very high quality. I recommend it over the cd-only radio that is built by Alpine because they have more problems and Alpine will not allow us to buy their service manuals or parts.

If you do add the original plugs back in, cut enough wire off with them to make splicing easier. Always solder the connections and seal them with heat-shrink tubing, never ever electrical tape. Most of the wire colors will likely match, especially if you can find them from a car like yours. There are two different versions of the Sebring. I have the service manual for the domestic-built convertible. In the gray plug, starting away from the keyway:

Check out the diagrams (Below)

Please let us know if you need anything else to get the problem fixed.

Cheers
Was this
answer
helpful?
Yes
No
+7
Tuesday, July 19th, 2011 AT 10:24 PM
Tiny
SHEDVLL
  • MEMBER
  • 2 POSTS
When I bought the car the stereo was completely gone, they cut the factory plug and just left bare wires. I don't have a clue what they go to. Been 2 years without music in that car :/ so not sure, I could hook it up if I knew which color wires were for what to splice into my stereo.
Not a stock stereo. Thank you
Was this
answer
helpful?
Yes
No
+1
Tuesday, July 19th, 2011 AT 11:38 PM
Tiny
CHRISTINE.PRESTO
  • MEMBER
  • 1 POST
  • 1998 CHRYSLER SEBRING
1998 Chrysler Sebring

Okay. I own a 1998 Chrysler Sebring Convertable and for the stereo system there is an amplifier built in underneath the passanger seat, mine doesn't work and the one I bought for a Replacement doesn't work either. I was wondering if anybody knew where I could possibly get the wiring system or whatever I need to by-pass the amplifier so that I can just connect every speaker straight to the stereo. Please if anyone can help me. I'd really appreciate it, I've been at this for months.

And. We did check the fuses. Everything is fine, the person before me did something to ruin the wires under the seat and they are water logged.

Therefore I would just like to know if I can bypass the amp and just hook the stereo straight to the speakers. And if so, where can I get that wireing? And a diagram to help me with it.

Any questions just email me at christine. Presto@Yahoo. Com with subject title. "Car info".
Was this
answer
helpful?
Yes
No
Saturday, March 10th, 2018 AT 6:21 PM (Merged)
Tiny
KEN L
  • MASTER CERTIFIED MECHANIC
  • 55,469 POSTS
Hello Christine,

I have looked for the radio wiring for you and found this, let me know if you need anything else.

Best, Ken
Was this
answer
helpful?
Yes
No
+3
Saturday, March 10th, 2018 AT 6:21 PM (Merged)

Please login or register to post a reply.