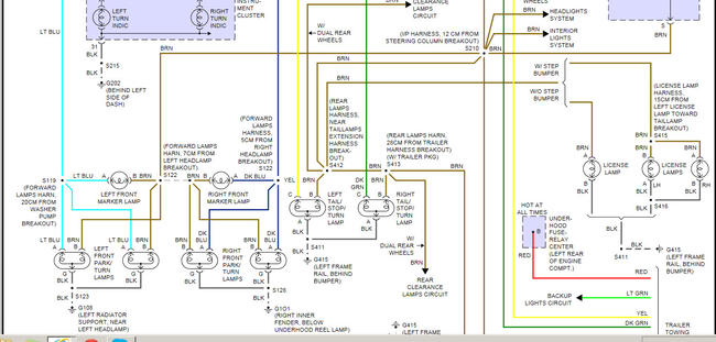
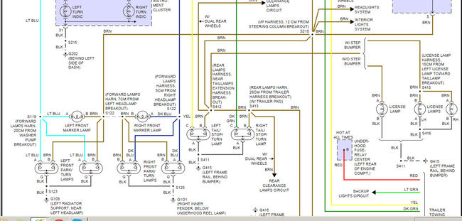
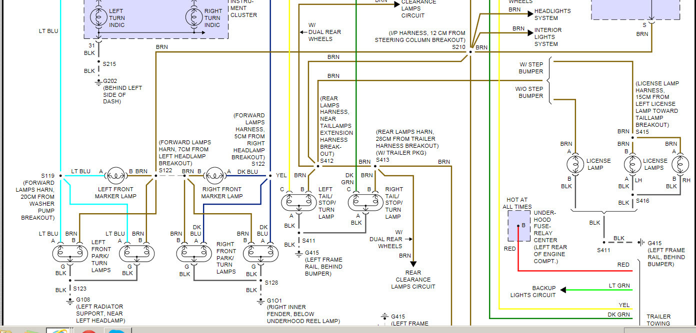
Thursday, August 13th, 2015 AT 9:07 AM
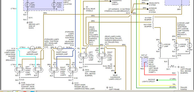
I'm having problems with my taillights. When the truck is on the tail lights don't work. But my brake lights and reverse lights work. I don't think the bulbs are out. Fuse? Wiring problem? Could someone tell me what it could be. And where to look and how to fix it.


