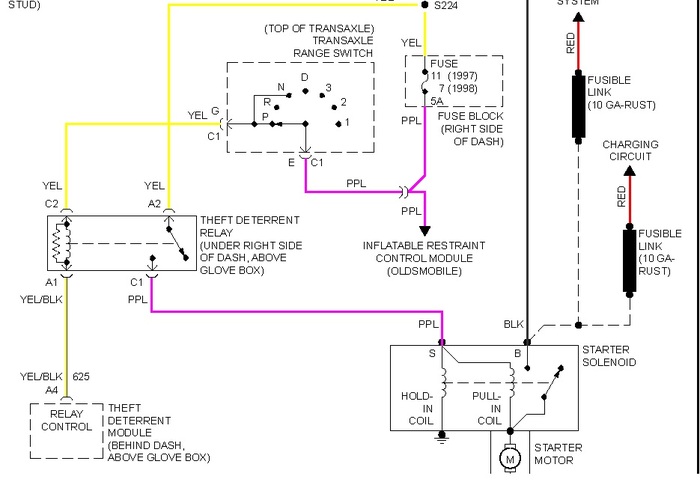
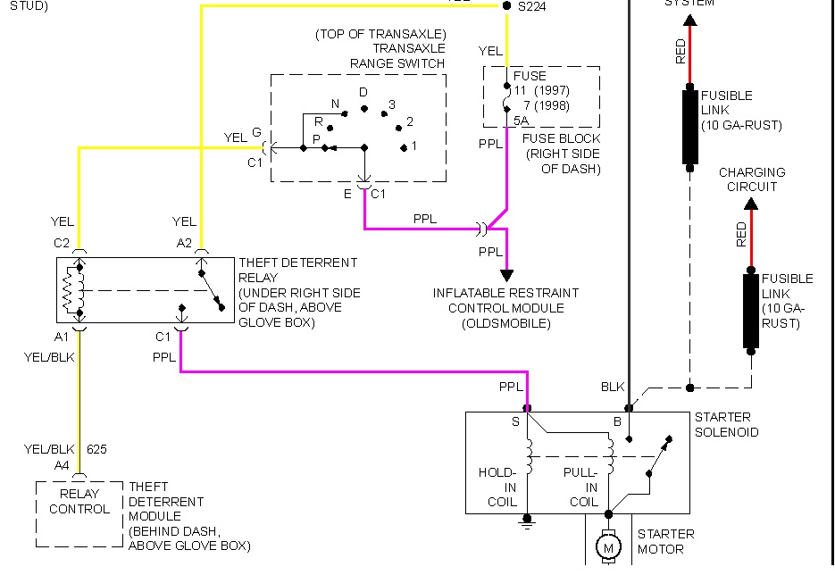
Wednesday, March 27th, 2013 AT 3:30 PM
I have a 97 monte carlo, my wife started the car today and my daughter drove it to school ( 2 miles) as she was pulling in the oil light came on and engine started vibrating real bad, I went and checked it, oil level is fine was vibrating real bad gave it some gas then it died, now wont start or turn over. Need help please.



