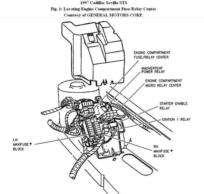
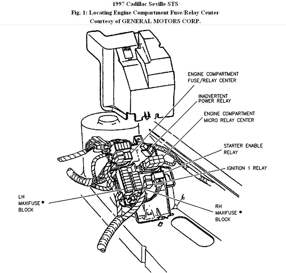
Monday, March 7th, 2011 AT 9:42 PM
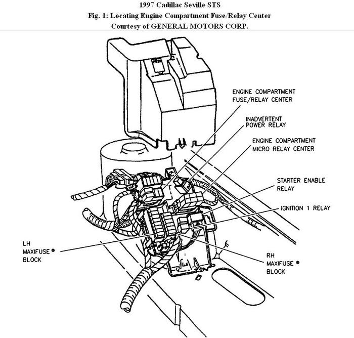
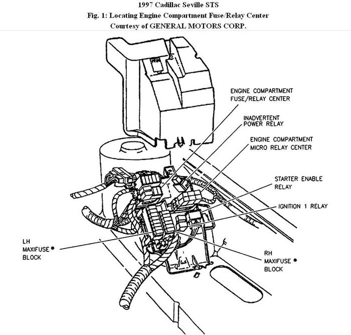
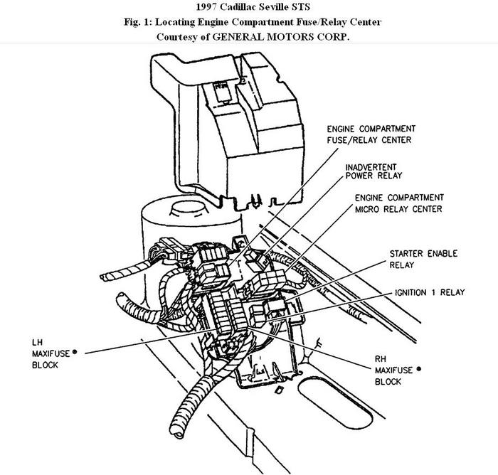
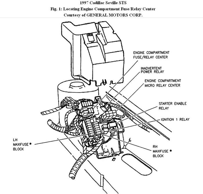
I degreased my engine then rinsed with water. Now my front AC fan won't work. What did I do! 97 Cadillac Seville with blower on firewall.



