What is no RFA data

Tiny
WALLY BRYCE
  • MEMBER
  • 1997 CADILLAC ELDORADO
  • 90,000 MILES
When tring to program new key fobs using factory instructions in dian. Mode press fan down button RFA? Shows up then press fan up and NO RFA DATA shows up will not go any further ihave to reset tried several times thankyou
Friday, January 6th, 2012 AT 1:53 AM

1 Reply

Tiny
DRCRANKNWRENCH
  • MECHANIC
  • 3,380 POSTS
RFA stands for, "Remote Function Actuator". Usually new key fobs have to be prgrammed by a dealership and it is not cheap. So, make sure you take all your keys and fobs and it does not hurt to buy extra fobs and keys as they are cheap and you can buy them several at a time. Use the search engine on this site to find some dealership that charges less and/or sells keys and fobs cheap. They should be less than $100 for like 5 fobs and keys. Programming will run in the several hundreds and it does not matter how many you get done at once. The good thing about the search engine on this site is that it will find the service or products you are looking for and they will be the nearest ones to you.
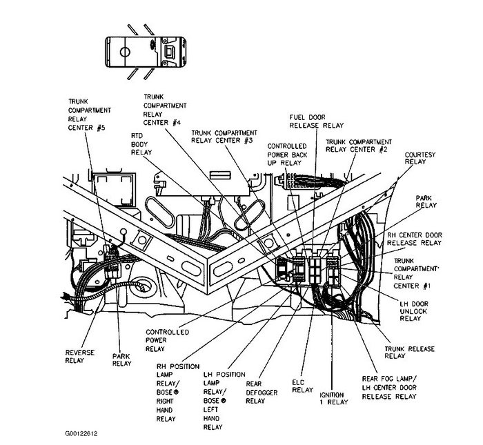
I am including a diagram of the location of the RFA receiver just in case you may need it.
Was this
answer
helpful?
Yes
No
-2
Friday, January 6th, 2012 AT 2:04 AM

Please login or register to post a reply.