Friday, August 16th, 2013 AT 11:31 PM
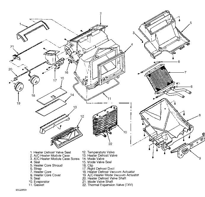
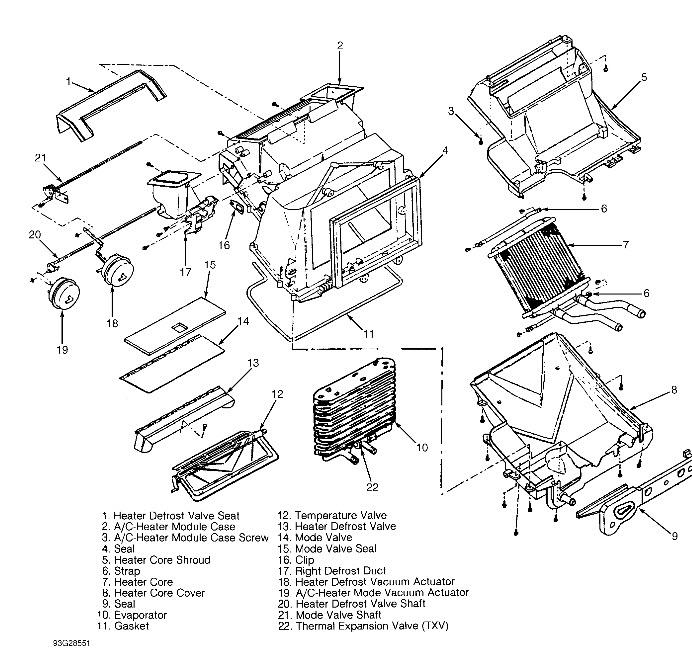
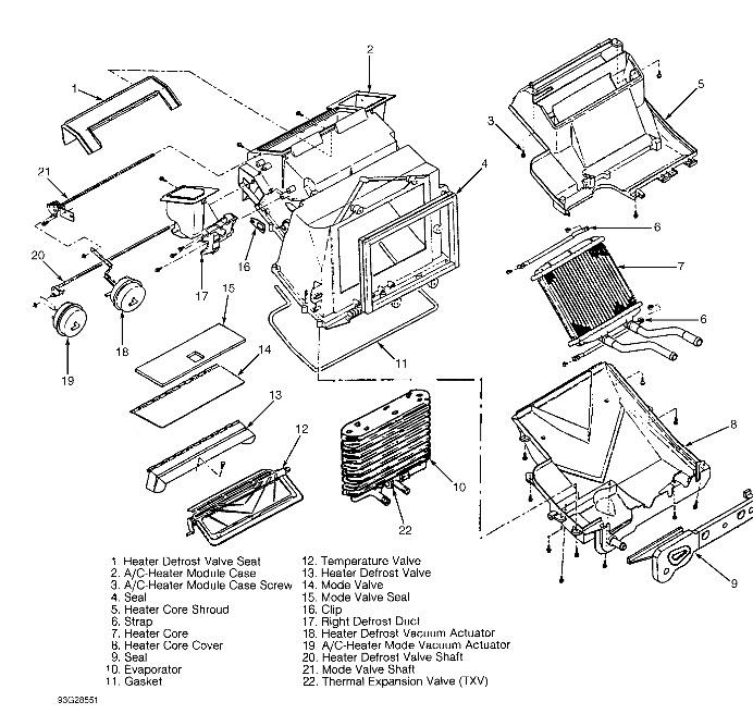
All I have left is the heatercore cover then im in. But ive removed all 7 bolts ( and ive been searching for hours) and the cover will pry open at the top but wont let go at the bottom by the firewall.
