HOME
ASK A QUESTION
REPAIR GUIDES
BECOME A MEMBER
LOG IN
Login with Facebook
OR
Remember me
NOT A MEMBER?
FORGOT PASSWORD?
CONTACT US
PRIVACY POLICY
TERMS AND CONDITIONS
☰
Home
Buick
Century
Engine
Wiring
Wiring diagram
WCT2009
MEMBER
1997 BUICK CENTURY
4 CYL
2WD
AUTOMATIC
100,000 MILES
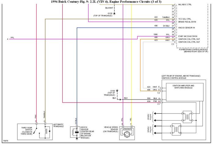
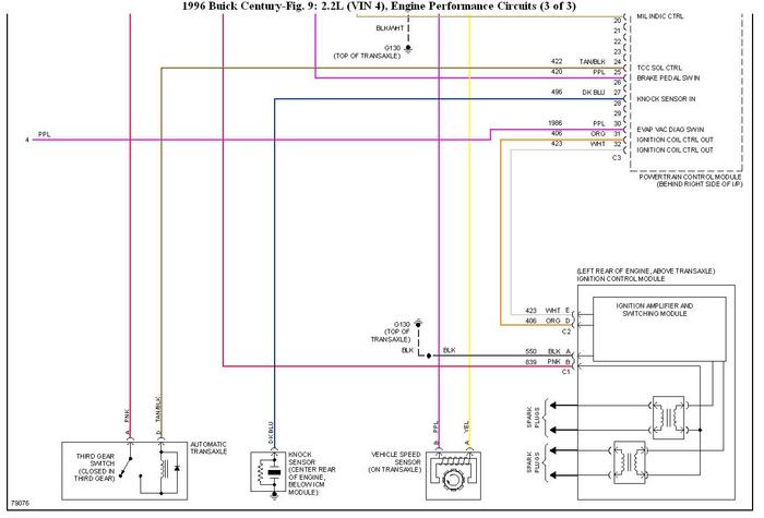
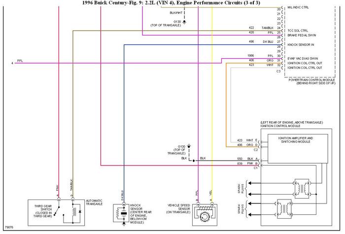
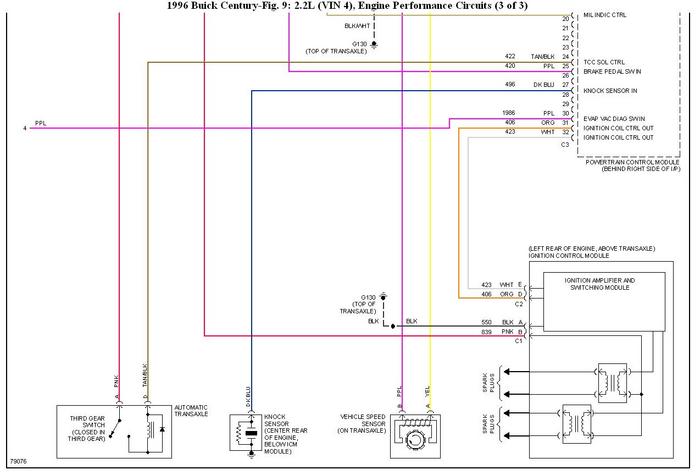
I need a ccm wiring diagram for a 1997 buick century 2.2l engine.
Wednesday, December 29th, 2010 AT 4:52 PM
3 Replies
KHLOW2008
MECHANIC
41,814 POSTS
What do you mean by CCM?
Was this
answer
helpful?
Yes
No
Wednesday, December 29th, 2010 AT 7:35 PM
WCT2009
MEMBER
10 POSTS
Ccm is a computer control module.
Was this
answer
helpful?
Yes
No
Wednesday, December 29th, 2010 AT 8:43 PM
KHLOW2008
MECHANIC
41,814 POSTS
Our site is a forum and not live chat so delays do occur, furthermore this being the holiday period, some of our technicians are not around.
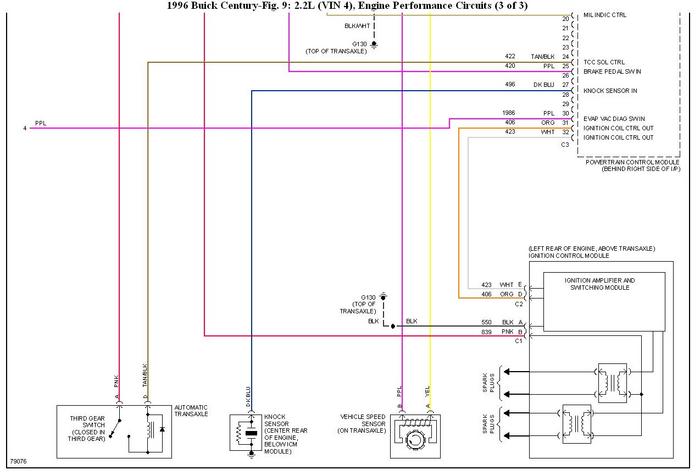
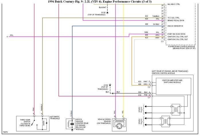
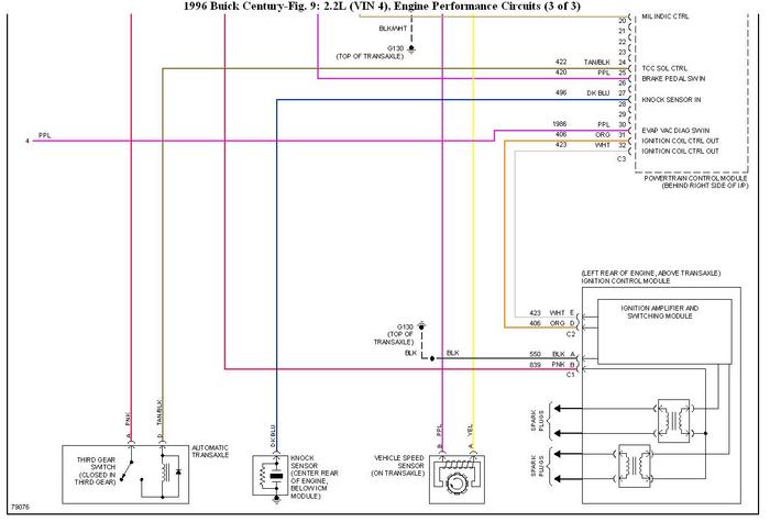
Attached are the diagrams you requested for.
Happy New Year.
Images (Click to make bigger)
Was this
answer
helpful?
Yes
No
Thursday, December 30th, 2010 AT 1:48 PM
Please
login
or
register
to post a reply.
Related Engine Wiring Content
1993 Buick Century Fuel System
Fuel Pump Works If I Hot Wire It At The Relay, Replaced The Relay, No Change. Have New 15a Fuse And 12 V @ Fuse The Voltage Drops To 1.4 V...
Asked by
xxb0bxx
·
2 ANSWERS
1993
BUICK CENTURY
Ground Wire
Where Does The Ground Wire Under The Hood Mount To Comes From The Battery Cable?
Asked by
Stacey Collins Sr.
·
1 ANSWER
2 IMAGES
1995
BUICK CENTURY
1993 Buick Century Idle Motor
I Have Hopefully Narrowed The Problem Down The The Idle Motor. I Have Been Looking For The Ecm Harness Ground With No Success. Any Help?
Asked by
lmj
·
3 ANSWERS
1993
BUICK CENTURY
Harmonic Balancer?
On 3 Occasions In The Last 6 Months, My Car Made A Loud Siren Like Sound Until It Warmed Up. What Could It Be? My Nephew Thinks It Is The...
Asked by
MaryKova
·
21 ANSWERS
1 IMAGE
2003
BUICK CENTURY
Vacuum Hose Routing?
Looking For A Diagram To Show Vacuum Distribution, For Transmission (tranaxle) In Particular
Asked by
terry9753smith
·
1 ANSWER
1996
BUICK CENTURY
VIEW MORE
Ask a Car Question. It's Free!
How to Use a Test Light
Engine Oil Change and Filter Chevrolet Tahoe
Change Oil and Filter Hyundai Tucson