Can't find Vehicle Speed Sensor

Tiny
HIGHQUALITYNOW
  • MEMBER
  • 1996 TOYOTA TACOMA
  • 6 CYL
  • 4WD
  • MANUAL
  • 120,000 MILES
Where is the vehicle speed sensor in my 1996 toyota tacoma V6 4wd?
Saturday, February 12th, 2011 AT 5:29 PM

1 Reply

Tiny
KASEKENNY
  • MECHANIC
  • 18,907 POSTS
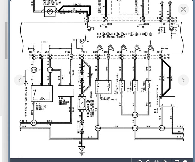
The vehicle speed sensor is going to be in about the same place but different depending on which transmission you have, 340E or F.

I am attaching the info below but here is a guide that we will need to test the sensor:

https://www.2carpros.com/articles/how-to-check-wiring

I am attaching the process below on how to change it and the location. Plus, the wiring diagram.

Please let us know what questions you have, and we can go from there.

Thanks
Was this
answer
helpful?
Yes
No
Wednesday, February 2nd, 2022 AT 6:45 PM

Please login or register to post a reply.