Replaced the battery. Still no lights or sound

Tiny
SARAHCRUZ
  • MEMBER
  • 1996 TOYOTA CAMRY
  • 4 CYL
  • AUTOMATIC
  • 200,000 MILES
I have replaced the battery. Still no lightst or sound
Thursday, October 9th, 2014 AT 11:46 AM

1 Reply

Tiny
JDL
  • MECHANIC
  • 16,098 POSTS
Check for voltage at the fuse boxes. Some fuses are hot all the time, some go hot with the key on, check both ways, check for voltage, use voltage tester.

Check battery cables and connections, positive and negative.

Do the headlights work, radio or anything?

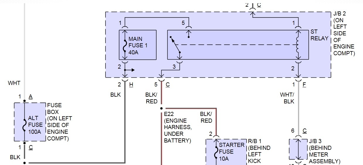
Follow the smaller positive battery wire to the under-hood fuse box and be sure that connection is clean and tight. Follow the smaller negative wire to the body and by sure that connection isn't rusty or loose. This is for the starter, at least check the fuses and check for voltage at the fuse circuits. Check out the diagrams (Below). Let us know what happens and please upload pictures or videos of the problem.
Was this
answer
helpful?
Yes
No
Thursday, February 25th, 2021 AT 4:00 PM

Please login or register to post a reply.