The tachometer and digital odometer working only intermittently?

Tiny
SINGLENET
  • MEMBER
  • 1996 DODGE STRATUS
  • 2.0L
  • 4 CYL
  • 2WD
  • MANUAL
  • 170,150 MILES
Had the entire instrument cluster fixed and tested by a reputable business. After all, working great for a couple days, the tach and digital odometer working only intermittently. Self-diagnostic for the gauges (per shop and Haynes manual) never gave results, would seemingly not enter diagnostic mode. Other gauges are working fine.
My Fiero had what they called a "tach filter", really just an inline capacitor or resistor which fixed the tach for that vehicle. Totally stumped on this one. Any ideas, anyone?
Monday, August 29th, 2022 AT 6:45 PM

1 Reply

Tiny
KEN L
  • MASTER CERTIFIED MECHANIC
  • 55,450 POSTS
It is common for the amplifier inside the instrument cluster to go bad, it might have worked when they tested it but when it heats up it will fail. I would get a rebuilt cluster; you can find one by searching google. You may have a BCM that is going out as well which we can find out by doing a CAN scan, which is easy to do. You can get a CAN scanner from Amazon for about $30.00.

Here is a video to show you how:

https://youtu.be/u-4syLc-ifQ

Here is a scanner link:

https://amzn.to/3o41KcZ

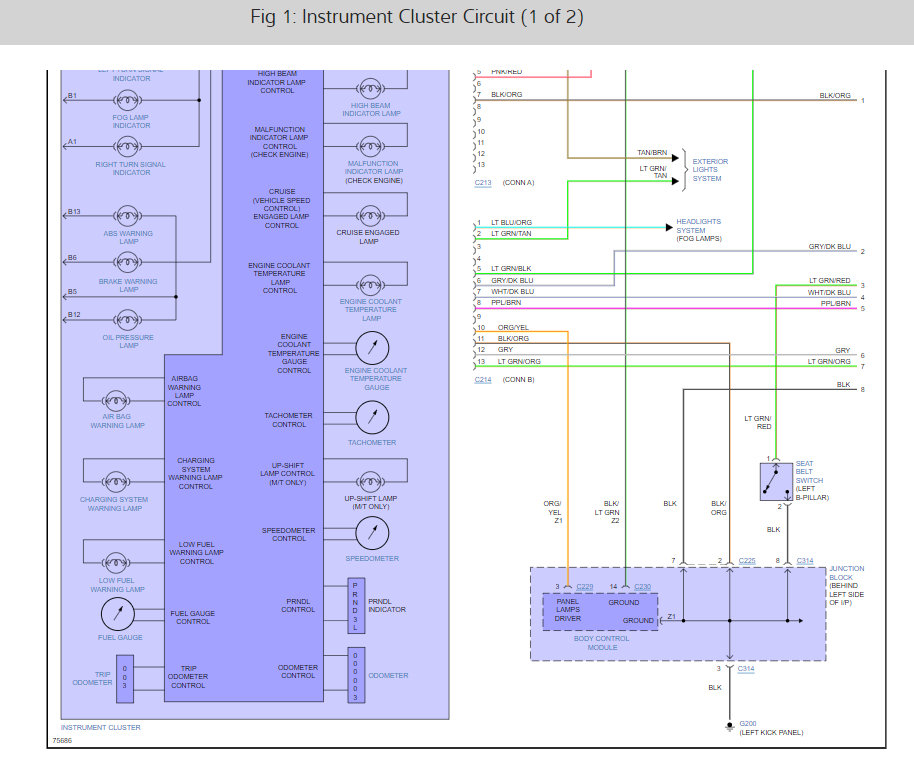
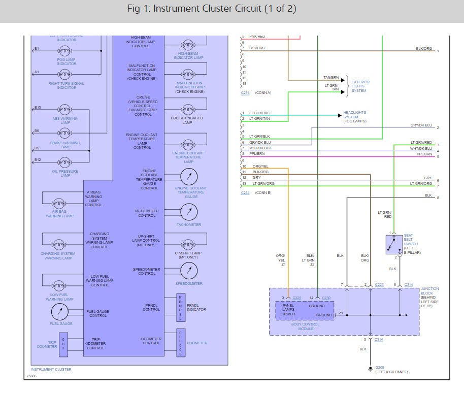
Here is the cluster wiring diagrams so you can see how the system works and I have left how to change the BCM out as well. Check out the diagrams (below). Please let us know what you find. We are interested to see what it is.
Was this
answer
helpful?
Yes
No
Tuesday, August 30th, 2022 AT 10:27 AM

Please login or register to post a reply.