Location of the idle air control

Tiny
BERSYL671
  • MEMBER
  • 1996 MITSUBISHI MIRAGE
  • 96,000 MILES
Just need the location of the idle air control is located at this vehicle. Thanks 2carpros.
Monday, December 26th, 2011 AT 6:48 AM

8 Replies

Tiny
ASEMASTER6371
  • MECHANIC
  • 52,796 POSTS
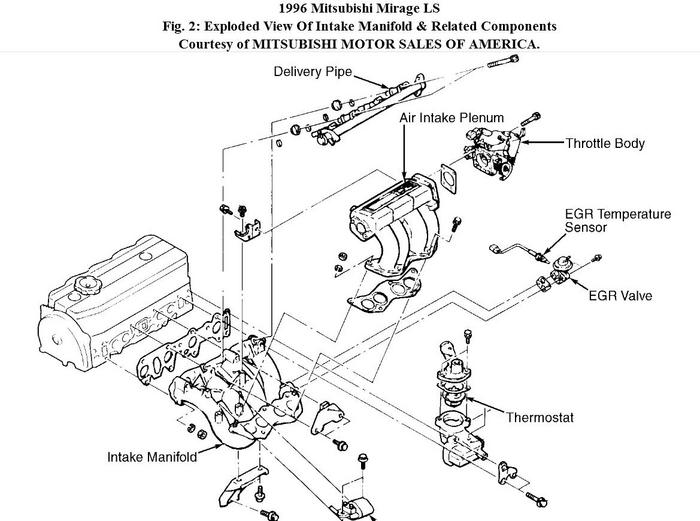
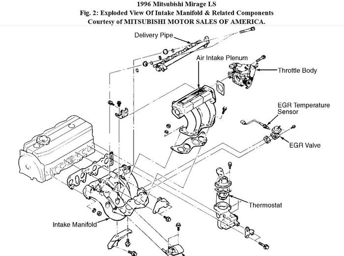
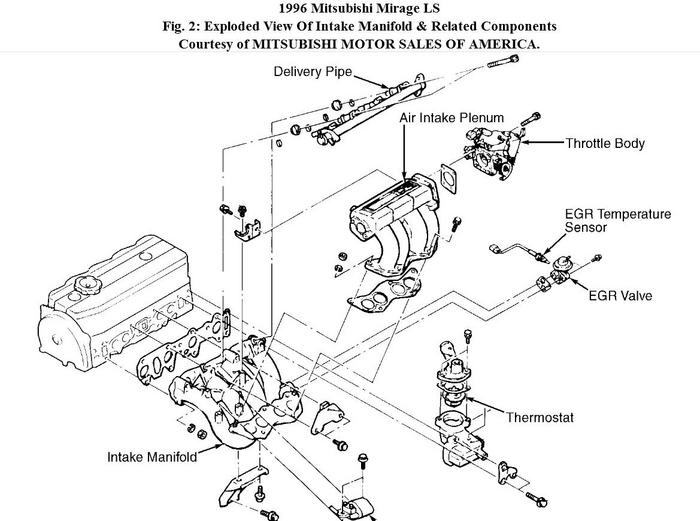
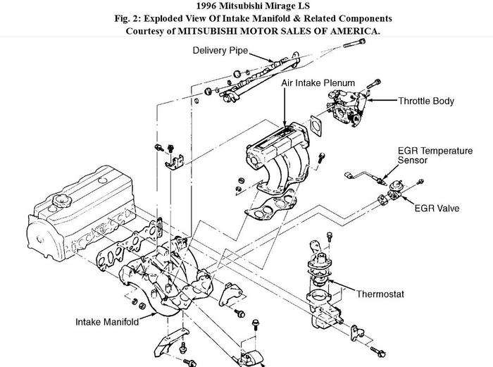
It is on the throttle body. There is a throttle position sensor and a idle air control. If you are replacing it, match the new to the old.

Roy
Was this
answer
helpful?
Yes
No
+1
Monday, December 26th, 2011 AT 6:55 AM
Tiny
RASMATAZ
  • MECHANIC
  • 75,992 POSTS
Its located on the throttle body
Was this
answer
helpful?
Yes
No
+1
Monday, December 26th, 2011 AT 7:03 AM
Tiny
BERSYL671
  • MEMBER
  • 55 POSTS
HI and thank you for the answer. BUt may I get a diagram of it of the idle air control and also the timing marks diagram for the same vehicle
Was this
answer
helpful?
Yes
No
+1
Tuesday, December 27th, 2011 AT 1:55 AM
Tiny
KHLOW2008
  • MECHANIC
  • 41,814 POSTS
The ISC is attached to lower portion of throttle body. It has 2 coolant hoses to it and has a socket plugged to it from rear side, near to firewall.
Was this
answer
helpful?
Yes
No
+1
Tuesday, December 27th, 2011 AT 2:52 PM
Tiny
BERSYL671
  • MEMBER
  • 55 POSTS
Hi and thank you for the reply but now I need the firing order of the same vehicle. If you have the diagram then that would be a great help. And thank you again 2carpros.
Was this
answer
helpful?
Yes
No
Thursday, December 29th, 2011 AT 7:12 AM
Tiny
KHLOW2008
  • MECHANIC
  • 41,814 POSTS
Refer to diagram.
Was this
answer
helpful?
Yes
No
Thursday, December 29th, 2011 AT 12:21 PM
Tiny
BERSYL671
  • MEMBER
  • 55 POSTS
H im sorry but the diagram you sent me is for a 1.8L my vehicle is a 1.5L. Can you send me the 1.5L for the same vehicle. THANKS AGAIN.
Was this
answer
helpful?
Yes
No
+1
Friday, December 30th, 2011 AT 7:27 AM
Tiny
KHLOW2008
  • MECHANIC
  • 41,814 POSTS
Kindly take note that the timing belt diagram for precious post is also for the 1.8L. Refer to new diagram attached.
Was this
answer
helpful?
Yes
No
-1
Friday, December 30th, 2011 AT 3:33 PM

Please login or register to post a reply.