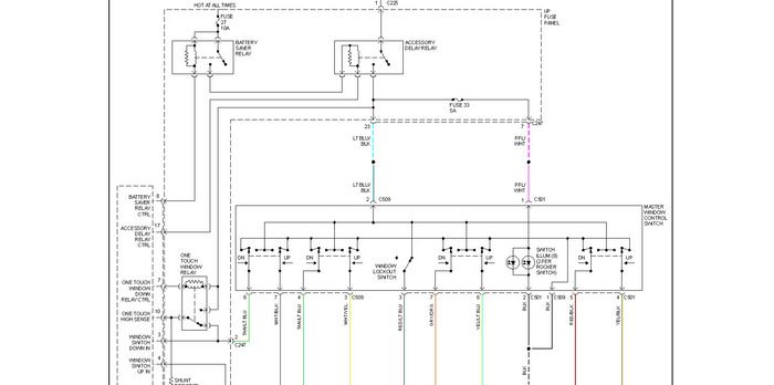
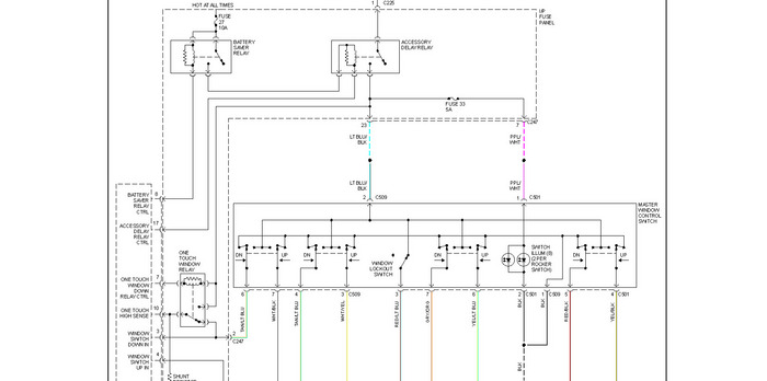
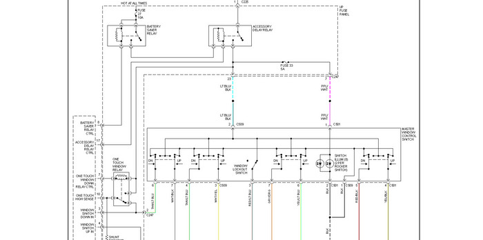
I own a 1996 Mercury Sable this morning the Electric Windows and Door locks quit working. I started the car this morning and rolled down the windows. My daughter drove the car to town and when she got home she turned the car off. I took the keys and turned the ignition on and rolled the Windows up then I turned the Ignition off and when I tried to lock the doors the Electric locks didn't work. When you hold down the lock or unlock switch the there is a wierd squealing sound coming from a set of 2 relays inside a little box under the Dash labeled Relay 1 and Relay 2 I did check the fuses and they are NOT blown something is making the relays squeal. I then decided to try the Electric Windows and now they are not working now either. Can anyone help me out here? Does any of this make sense? It seems like a fuse but it isn't. Does anyone know what I mean when I say that there are 2 Relays in a seperate Junction box all by themselves with a cover that is labeled Relay 1 and Relay 2. If so why do they seem to squeal when you hold down the Lock or Unlock Switch. Could it be the Ignition switch itself? Does anyone have any idea what is going on here both the Electric Locks and Electric Windows quit working at the same time. Both worked just fine not 2 minutes before I tried to use them.
Country: United States
Make: Mercury
Model: Sable
Year: 1996
Engine: 3.0 Liter V6
Already Tried:
I checked the Fuses that were listed in the Owners manual. I also noticed that when you hold down the Switch either in the Lock or Unlock mode there is a Squealing sound that comes from a little Box with 2 Relays inside with the cover Labeled Relay1 and Relay2. If you physically touch the relays you can feel the squeal coming from them. I tried pulling both relays and swapping them one for the other and they still make the squealing sound
Country: United States
Make: Mercury
Model: Sable
Year: 1996
Engine: 3.0 Liter V6
Already Tried:
I checked the Fuses that were listed in the Owners manual. I also noticed that when you hold down the Switch either in the Lock or Unlock mode there is a Squealing sound that comes from a little Box with 2 Relays inside with the cover Labeled Relay1 and Relay2. If you physically touch the relays you can feel the squeal coming from them. I tried pulling both relays and swapping them one for the other and they still make the squealing sound
May 5, 2011 at 7:59 PM
