Wednesday, November 27th, 2013 AT 4:11 PM
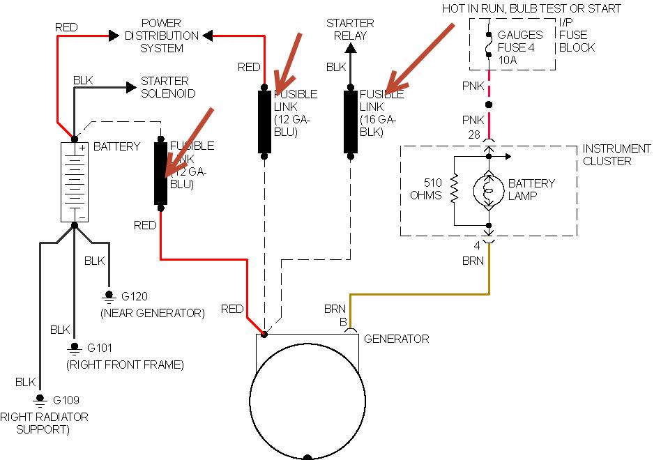
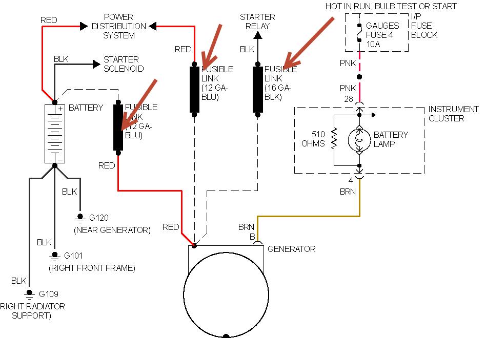
#4 fuse keeps blowing. No gauges, battery bypasses alternator and drains battery. Can I bypass the gauges and connect the alternator to the battery? Changed the ignition coil checked all wiring no shorts there. Can the- ignition switch be bad?



