Tuesday, October 18th, 2011 AT 6:16 PM
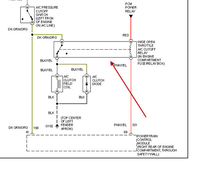
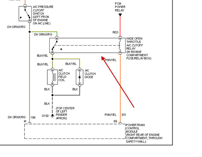
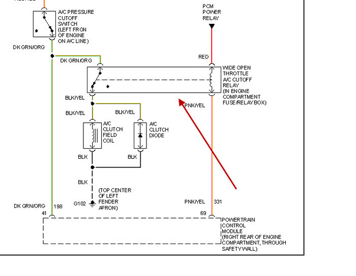
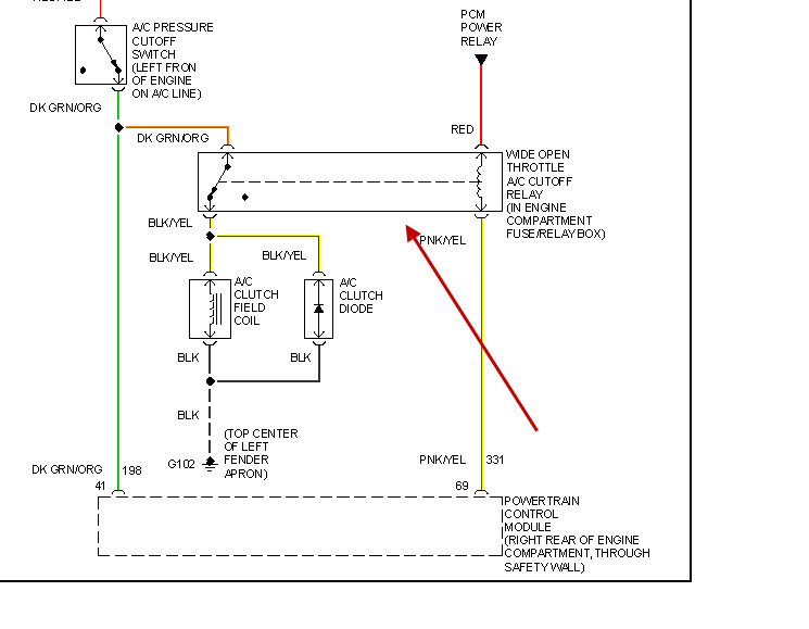
I have a 96 ford ranger, 30/6cyl. The A/C cuts out under load. Like whem I climb a hill then comes back on when the road flattens out. Any thoughts?G works fine otherwise




