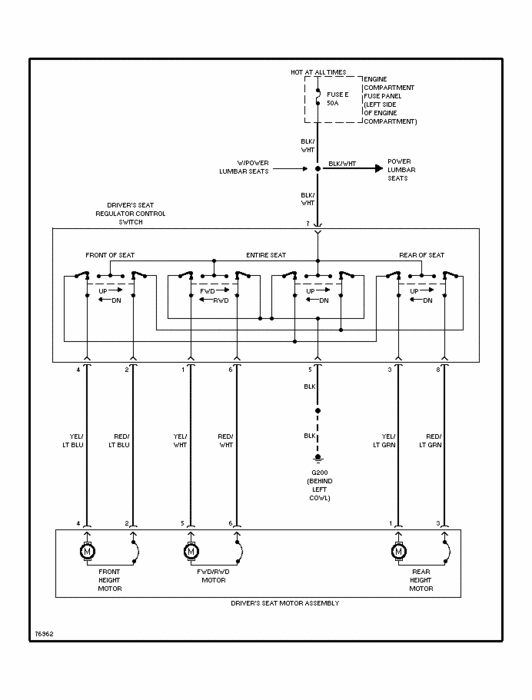
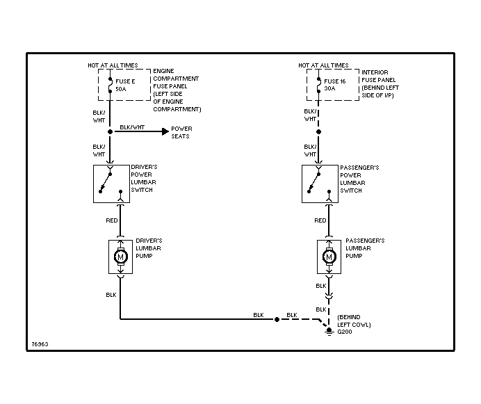
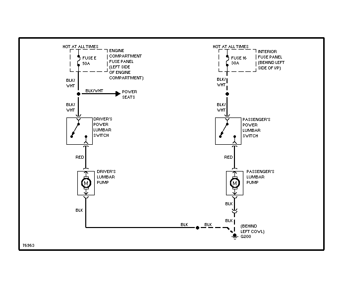
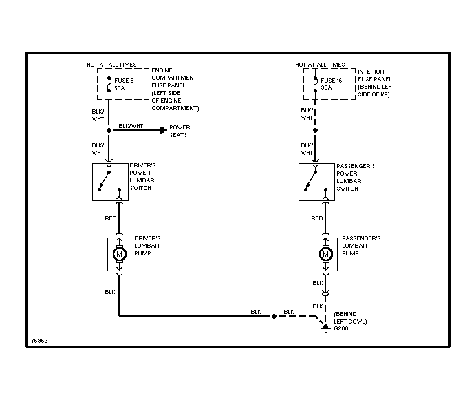
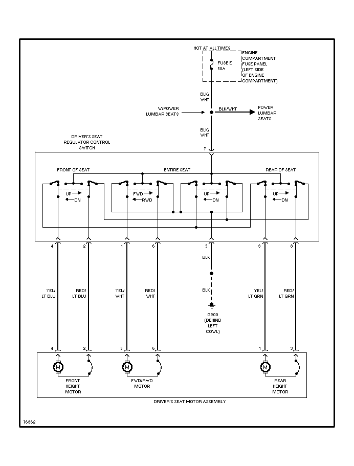
Tuesday, August 30th, 2011 AT 12:14 AM
I have a 1996 E250 van with a power Captain seat that is malfunctioning in one direction only. All the other power functions work, is there a way to fix this. Or does the whole power stack component have to be replaced. Or can it manually be moved?



