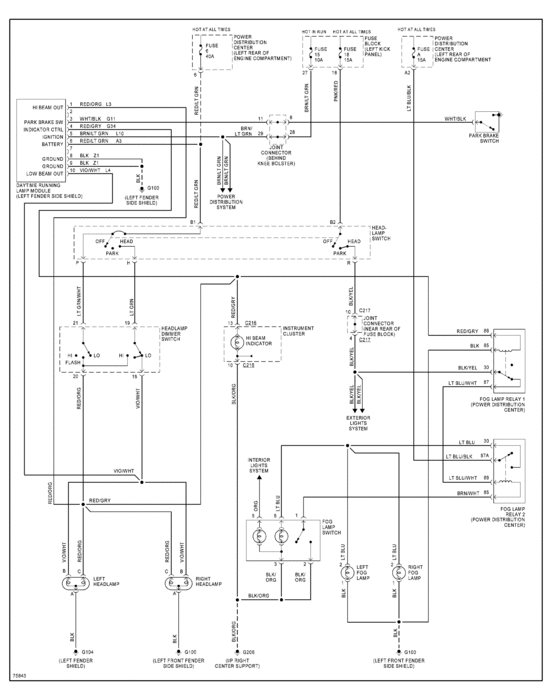
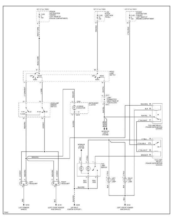
Sunday, January 8th, 2012 AT 6:52 AM
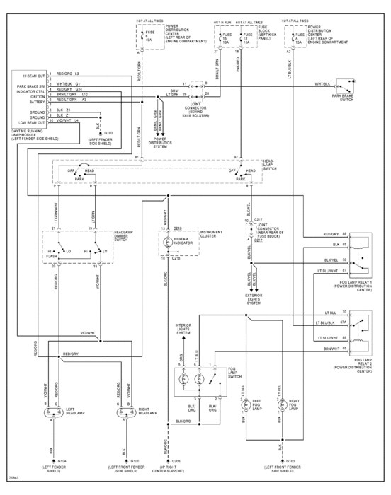
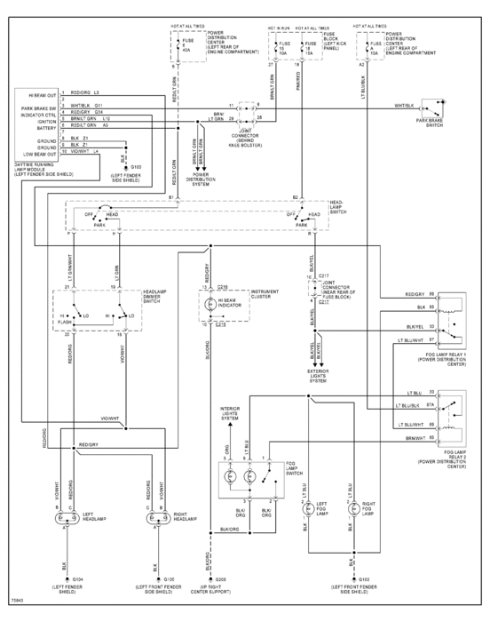
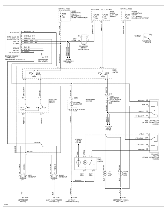
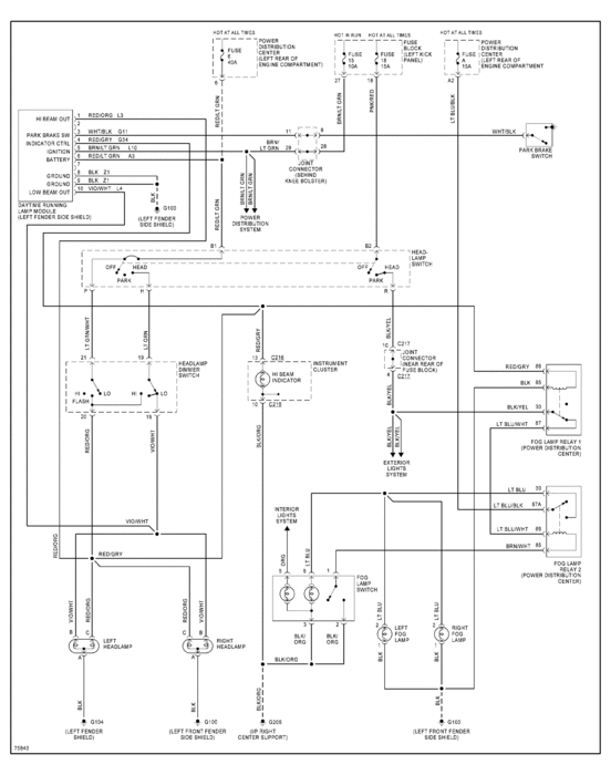
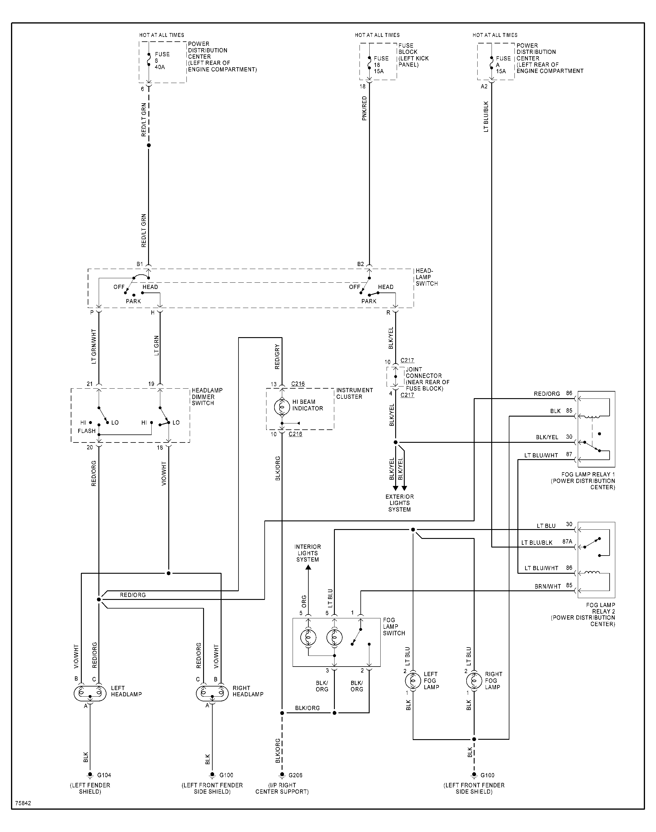
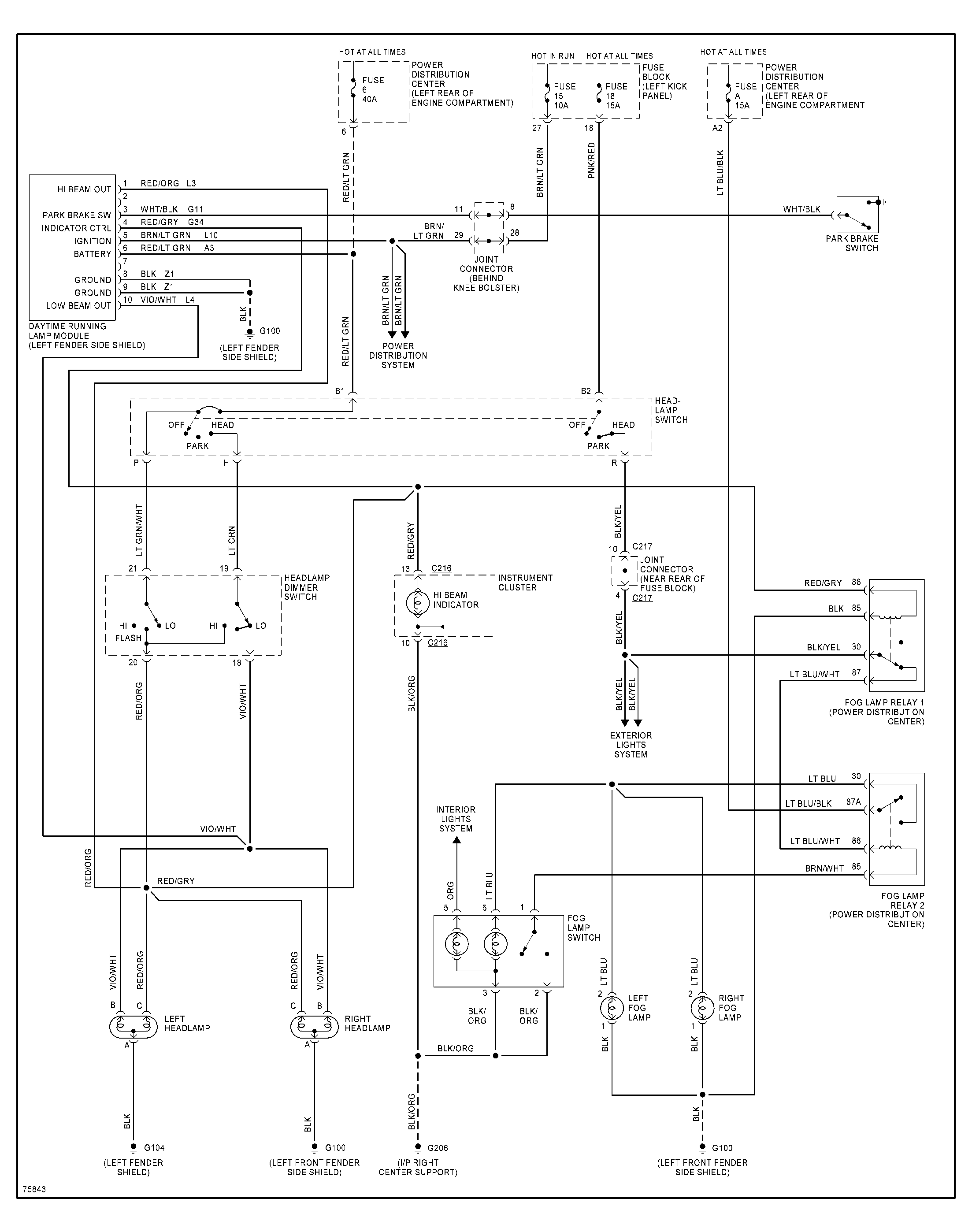
When I turn on my head lights they are bright but after driving a while the are dim u cant even tell there on why 96 dodge ram 1500 after driving with light on at night the headlights go dim to where you cant even tell there on and on my battery gauge looks good right above 14



