Coolant leak

Tiny
IMALAKEPAPA
  • MEMBER
  • 1996 CHEVROLET CORSA
  • 6 CYL
  • 2WD
  • AUTOMATIC
  • 165,000 MILES
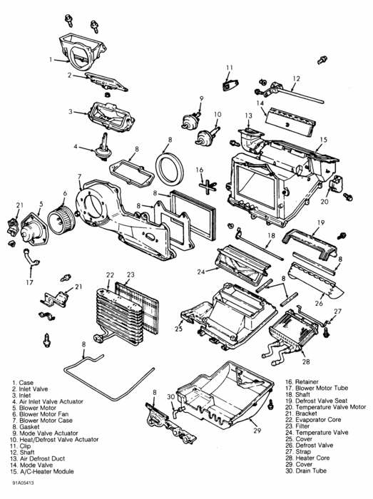
Coolant leaking from elbow (under a/c tubes going into cab), doesn't have pressure but will drain out if left to sit for awhile.
Saturday, May 28th, 2011 AT 5:42 PM

4 Replies

Tiny
DOCFIXIT
  • MECHANIC
  • 18,828 POSTS
AC being operated?
Was this
answer
helpful?
Yes
No
Saturday, May 28th, 2011 AT 5:54 PM
Tiny
IMALAKEPAPA
  • MEMBER
  • 2 POSTS
It was overheating at the time it started leaking, but the air was not on.I have a picture of the elbow attached
Thanks
Was this
answer
helpful?
Yes
No
Saturday, May 28th, 2011 AT 6:17 PM
Tiny
DOCFIXIT
  • MECHANIC
  • 18,828 POSTS
Believe elbow is drain tube for EVAP the other end is not attached right? If yes then suspect heater core is leaking
Was this
answer
helpful?
Yes
No
Saturday, May 28th, 2011 AT 6:47 PM
Tiny
89INTEGRALS
  • MEMBER
  • 11 POSTS
Sounds like a heater core. Pressure test the cooling system. If you see no external leaks in engine compartment and coolant is entering the car or leaking out of the a/c drain try bypassing the heater core by removing the heater lines at the firewall (DO NOT DO THIS WHILE ENGINE IS HOT). Most part stores will carry the fitting you need to hook the two hoses together (usually in a flush kit)Then check to see if you are still loosing coolant.
Was this
answer
helpful?
Yes
No
Saturday, May 28th, 2011 AT 6:51 PM

Please login or register to post a reply.