TIPM wiring diagram

Tiny
CESSNA206
  • MEMBER
  • 1996 DODGE CARAVAN
  • 3.8L
  • V6
  • 2WD
  • AUTOMATIC
  • 150,000 MILES
No electrical power. Battery is fully charged. Instrument panel showing wild fluctuation in readings. While idling engine shut off. Now no power anywhere except across battery terminals.  Looking for a copy of the complete wiring diagram including all TIPM pins.   Van is in rural area working on being as prepared as possible to drive out tomorrow to diagnose the problems. I have basic skills at using a multi meter and using a modified 3 AAA battery 4.5 volt flashlight with long wires soldered on each end to check for continuity in the wires to not introduce enough voltage to blow the computers.  All how to instructions appreciated.

1996 Dodge Grand Caravan VIN 1B4GP54LXTB497527
Friday, September 7th, 2018 AT 6:27 AM

11 Replies

Tiny
ASEMASTER6371
  • MECHANIC
  • 52,796 POSTS
Good afternoon.

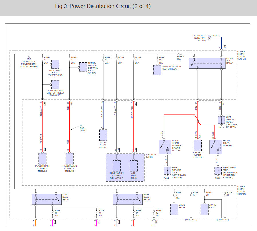
Attached are wiring diagrams and pin outs.

Roy
Was this
answer
helpful?
Yes
No
+1
Friday, September 7th, 2018 AT 3:20 PM
Tiny
CESSNA206
  • MEMBER
  • 4 POSTS
Thanks for your efforts in acquiring the wiring diagrams. The images in the email are unreadable on the screen and not readable when printed out. It only prints the entire email with the images tiny with all the advertisements. You mentioned attachments I did not find any attachments in your reply. Please send the images as attachments so I can print them out and trace out the pathways with colored pens.
Thank you,
Tom
Was this
answer
helpful?
Yes
No
+1
Sunday, September 9th, 2018 AT 11:20 AM
Tiny
ASEMASTER6371
  • MECHANIC
  • 52,796 POSTS
I did attach them as attachments. You need to click on each to enlarge and then download. Then you can blow it up to a larger size.

Roy
Was this
answer
helpful?
Yes
No
Sunday, September 9th, 2018 AT 11:24 AM
Tiny
CESSNA206
  • MEMBER
  • 4 POSTS
Thanks for your reply. I still need help in retrieving, displaying, downloading, and printing the images of the wiring diagrams. Clicking, double clicking, saving as photos does not result in downloading. Some efforts result in a larger but very fuzzy resolution that is unreadable. Nothing I have tried results in a image being capable of offering the option to save as a file. Saving as a image results in a image the size of a postage stamp.

Email to yourself how do they look?
Usually attachments are displayed at the bottom of a email to be clicked on, location to save, option to re-name, and option to start download action.

Car needed for work. Brother had to cancel on showing up for work to start Monday. Next training starts in two weeks. Missing two weeks of paid training.
Was this
answer
helpful?
Yes
No
+1
Sunday, September 9th, 2018 AT 11:09 PM
Tiny
KEN L
  • MASTER CERTIFIED MECHANIC
  • 55,281 POSTS
Hello,

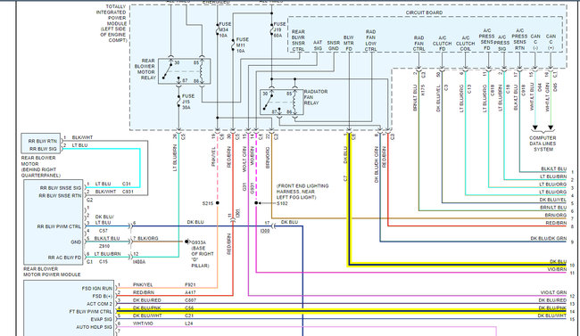
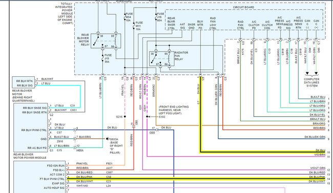
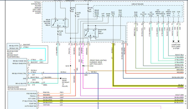
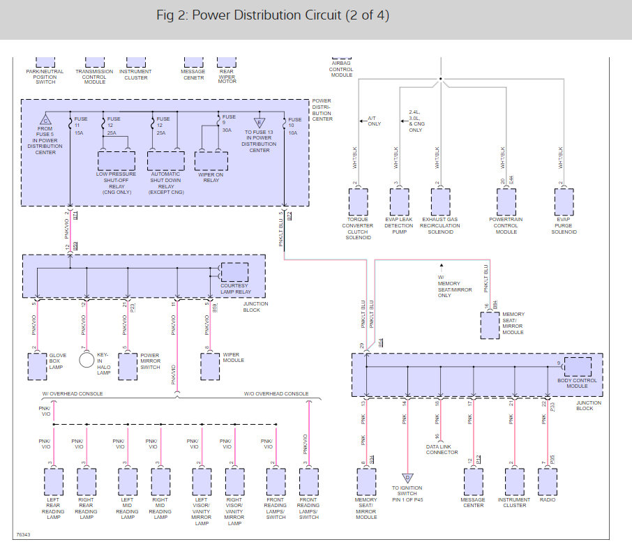
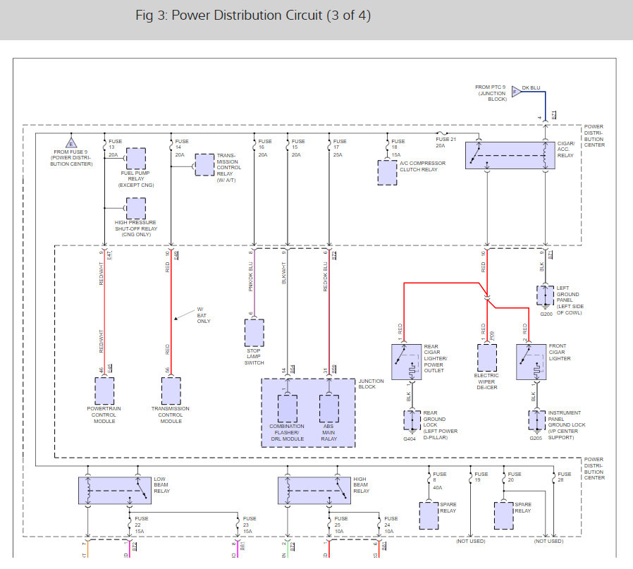
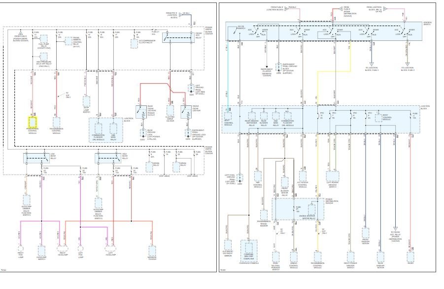
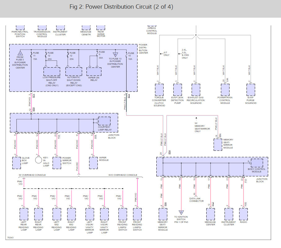
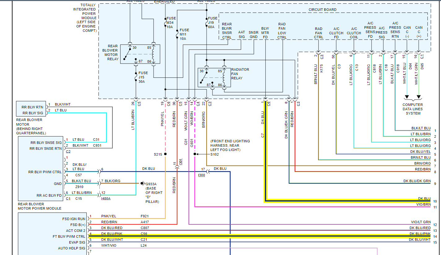
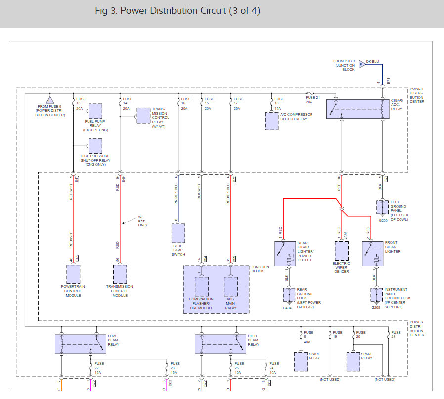
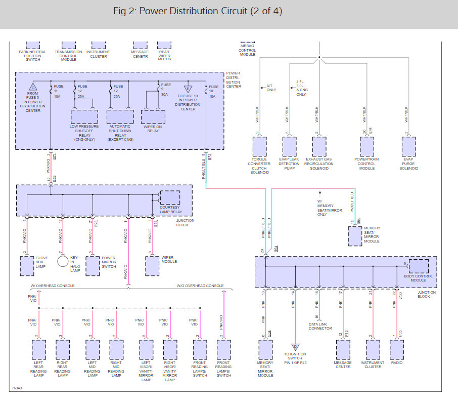
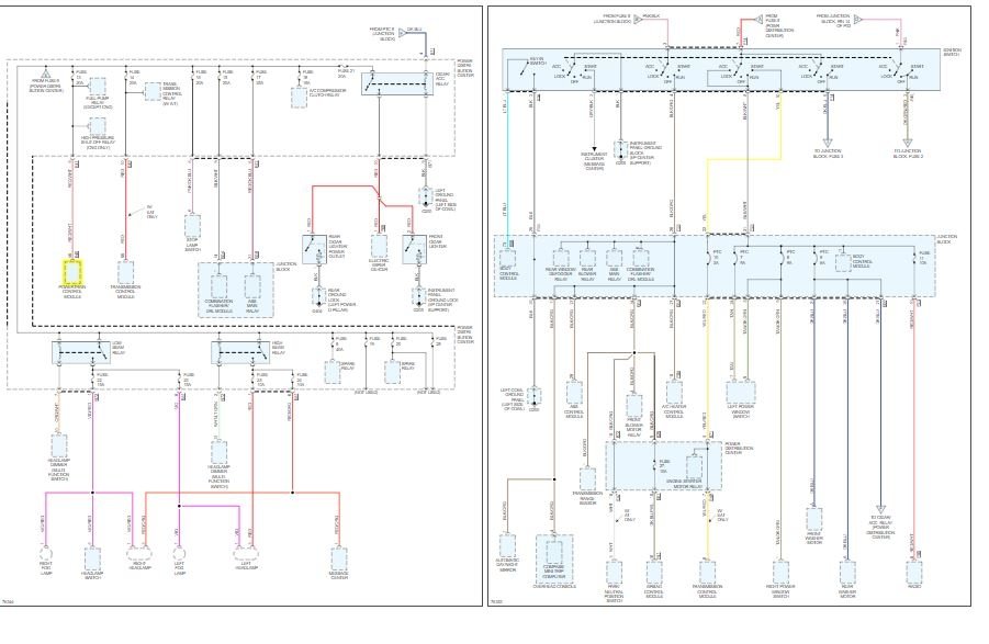
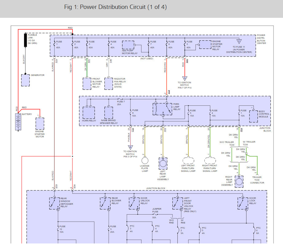
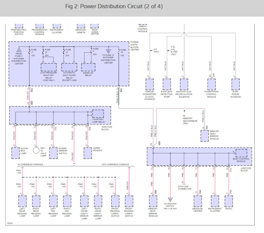
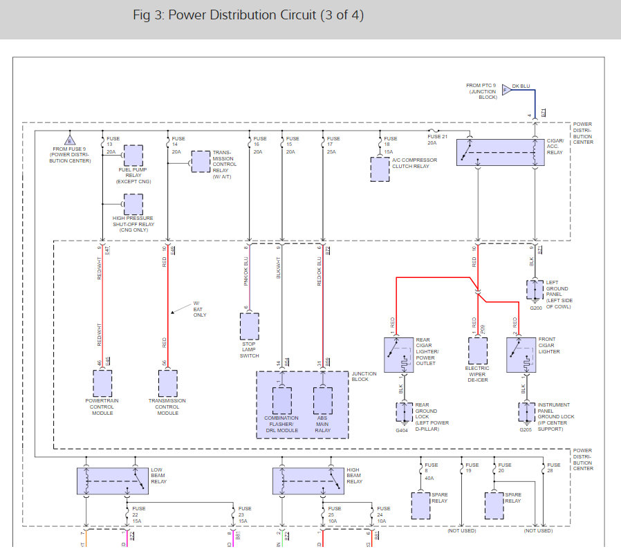
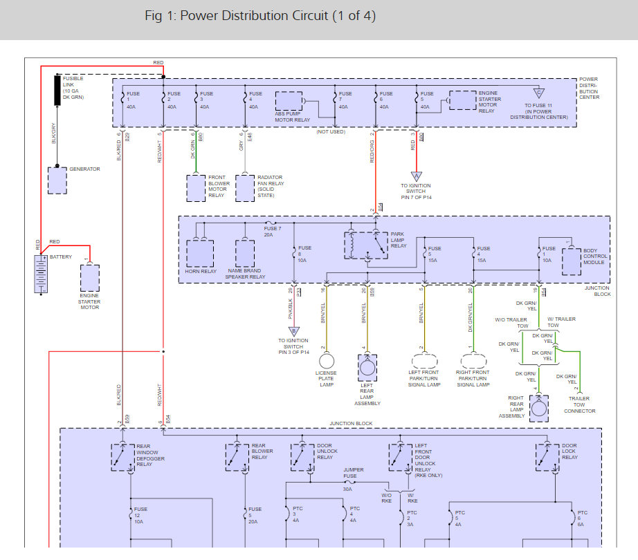
I found larger wiring diagrams for the TIPM and a guide to help you with the testing.

https://www.2carpros.com/articles/how-to-check-wiring

Check out the diagrams (below). Please let us know if you need anything else to get the problem fixed. Cheers, Ken
Was this
answer
helpful?
Yes
No
+2
Monday, September 10th, 2018 AT 3:56 PM
Tiny
CHRIS SEMPERTIGUEZ
  • MEMBER
  • 3 POSTS
Hi,

I am needing help with a TIPM
Problem of a Dodge Caravan 2014.

The front blower does not work.
I was looking for diagrams but I can't find them. Can you help me out?
Was this
answer
helpful?
Yes
No
+1
Saturday, December 19th, 2020 AT 7:18 AM
Tiny
ASEMASTER6371
  • MECHANIC
  • 52,796 POSTS
Good morning,

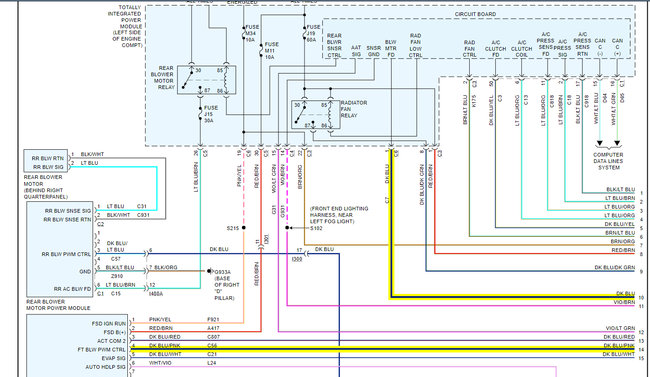
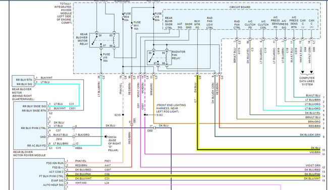
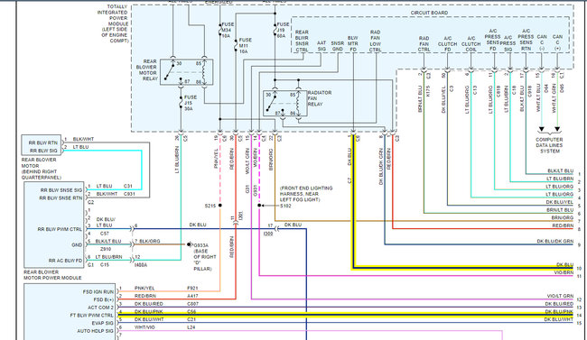
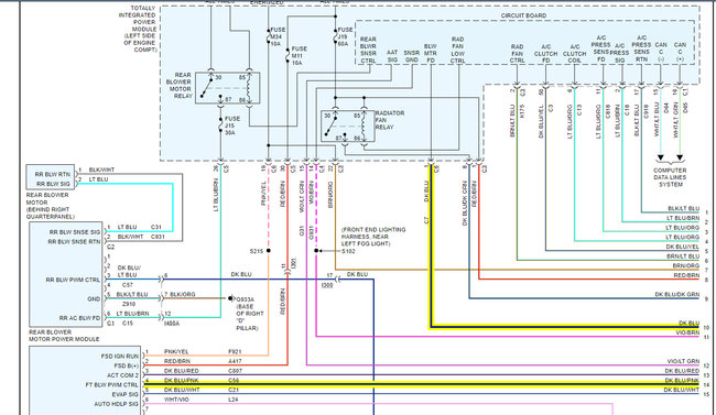
I attached the diagram for you to view for the TIPM and the front blower control.

https://www.2carpros.com/articles/how-to-check-wiring

Roy
Was this
answer
helpful?
Yes
No
+1
Saturday, December 19th, 2020 AT 8:20 AM
Tiny
CHRIS SEMPERTIGUEZ
  • MEMBER
  • 3 POSTS
AseMaster 6371,

Thank you guys for the nice diagram.
I will be back with the problem info.

Thank you.
Was this
answer
helpful?
Yes
No
Monday, December 21st, 2020 AT 6:30 AM
Tiny
ASEMASTER6371
  • MECHANIC
  • 52,796 POSTS
You are welcome.

Always glad to help.

Roy
Was this
answer
helpful?
Yes
No
+1
Monday, December 21st, 2020 AT 6:37 AM
Tiny
CHRIS SEMPERTIGUEZ
  • MEMBER
  • 3 POSTS
Hey Roy,

I have another question.

Can you help me with un info or diagram of a
Kia Rio Standard ECM?
The problem is that the car does not turn on.

It is a Kia Rio 2013 Standard

Thank you
Was this
answer
helpful?
Yes
No
Monday, December 21st, 2020 AT 6:55 AM
Tiny
ASEMASTER6371
  • MECHANIC
  • 52,796 POSTS
We can only deal with one vehicle per question.

Please start a new question and I will be happy to assist you.

Roy
Was this
answer
helpful?
Yes
No
Monday, December 21st, 2020 AT 6:58 AM

Please login or register to post a reply.